EasyManua.ls Logo

Philips AW7694 - Page 5

Philips AW7694
11 pages
Print Icon
To Next Page IconTo Next Page
To Next Page IconTo Next Page
To Previous Page IconTo Previous Page
To Previous Page IconTo Previous Page
Loading...
1006
F6
1281
86
2564
C4
2664
D4
2674
D6
2679
DB
2781
FS
2786
G2
3592
D4
3675
E4
3691
CS
3707
F2
3716
GS
4003
BY
4008
C6
7254
FS
7421
D4
1205
F7
2560
Ci
2660
D1
2670
02
2675
D6
2680
08
2782
FS
2787
Fi
3595
C2
3676
D7
3692
C4
3708
F3
3717
GS
4004
C7
5110
E6
7256
F4
7451
F2
1208
£9
2561
C2
2661
O02
2671
DS
2676
D7
2681
EB
2783
F6
2790
G4
3670
DS
3685
£3
3695
D2
3709
G3
3718
GS
4005
BB
7251
FS
7258
G2
7452
FI
1266
£6
2562
83
2662
C3
2672
DS
2677
ET
2779
GS
2784
FE
3590
C4
3671
05
3686
02
3705
F2
3711
G4
3719
GS
4006
CB
7252
F5
7410
03
7826
D7
1267
F3
2563
B3
2663
D3
2673
D6
2678
ET
2780
F6
2785
F3
3591
BS
3672
O6
3690
D4
3706
F2
3715
GS
4002
09
4007
BG
7253
F5
7420
O04
1
2
3
P
5
6
7
8
9
10
epee
emcee
cee
See
on
eens
ee
e
=
m
eee
eae
BS
LEFT
|
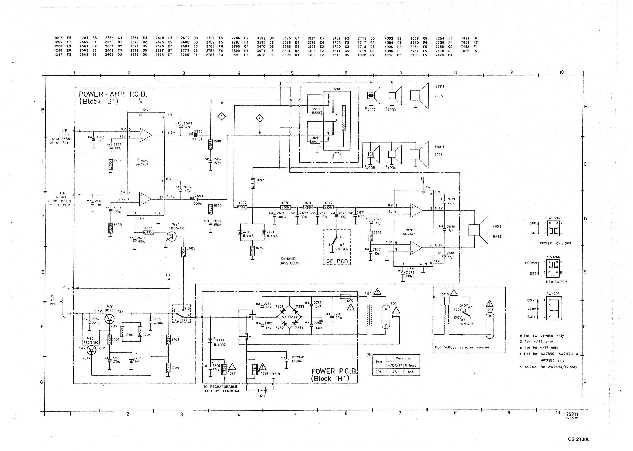
POWER-AMP
PC.B.
£005
a
oe
hace
a
41
'
(Block
6‘)
B
'
2562
y
L7p3
IP
-
(ae
5g
2583
LEFT
. |
hiv)
ane
FROM
3556L
a
1000u
os
OF
GE
PCB
| |
Lge
Ww
oe}
2561
i
a
RIGHT
100,
Oj.
t
:
:
4006
:
a
OO}
2564
3595
7825
AN7167
yo0N
C
one
i
SELLE
A
TEED
TT
A
TT
i
YN
NNNRNEROTEND
|
3692
+1
Ww
2662
o}
:
47
RIGHT
|
;
od
|
Ive
=
——_—=f]}
of
L
2679
Be
a
tee
meee
ee
—"-
1000p
3592
|
3670
3671
3672
|
tI
y
|
:
i
oe|
2661
O
5k6)
210k
}-—-1—fo564}—--
0
10%
4___.
12|
6
2V
|
00m
ee]
2671
off
2672
00}
2673
od
2675
on
|
2674
|
180n
I
33n
181M
100,
ie
Pape
ewiber.
|
|
o0|
2664
i
7
ii
=e
|
OFF
fo
o]2
e@
0
|
7420
7421
3676
'
ON
s
6
7
|
ING1L8
INL168
3
,
BASS
|
!
:
|
ty
oe
|
Slteca
POWER
ON/OFF
3685
3675
;
SW
1266
|
wal
2677
P
:
!
}
if
Sn
of
2681
| !
ro
!
SS
LT
py
7
SW
1266
|
OYNAMIC
'GE
PCB!
,
WV
10
2
BASS
BOOST
LYE
Free
4
NORMAL
]
C
'
5
,
11.8V
. ,
|
ofd,
2678
me
paBy
5/°
oF6
JE
|
bea:
{_o
7
:
ete
es
gina
at
ate
z
ae
s
|
|
DBB
SWITCH
+1q
; .
oo
-
!
|
|
i
a
i
_
|
|
:
SW
1208
au)
1
1205
ra
"|
a
745)
a
220V
iyi
Bev
BD233
yy
ae
;
J\
'
Co
|
|
»
58)
7
2.0v¥
41°
LSW
1267_}
|
a
F
:
%
1
|
#
For
LW
sversion.
only
:
3708
:
7
'
|
|
.
7256
;
.
X%
For
-/17
only
:
+
'
IN4O02
se,
8.4V
AZ)
91V
| . . 1
For
Voltage
selector
version
®
Not
for
—/17
only
.
4
¢
;
|
:
.
@
,
Se
eee
+
Not
for
AW7590
AW7593
&
2.1V
od
2786
7258
|
-
|
=
1000p
ale
AW7594
only
:
| |
'
of
L
2790
[fun
vAT
|
t
|
|
-/07/17|
Others
_
a
AN7148
for
AW7590/17
only
i
peorele
|
POWER
PC.B,
[ioe
[2a
|
as
|
oe
|
;
il
AP
aa
|
3715
-3719
Pee
et
|
.
:
Bl
—_
(Block
'H')
|
|
|
;
G
:
TO
RECHARGEABLE
=
[
|
|
;
| |
BATTERY
TERMINAL
1----|
| |
12V
1
|
|
2
|
3
P
~=é8
6
7
8
|
3
10
2681)
1442/89
CS
21380
Lone
Sharan
nent
alae
remington
pr
tnahene
nmi

Related product manuals