EasyManua.ls Logo

Philips CD911 - DAC Circuit Diagram

Philips CD911
39 pages
Print Icon
To Next Page IconTo Next Page
To Next Page IconTo Next Page
To Previous Page IconTo Previous Page
To Previous Page IconTo Previous Page
Loading...
PCS
60
745
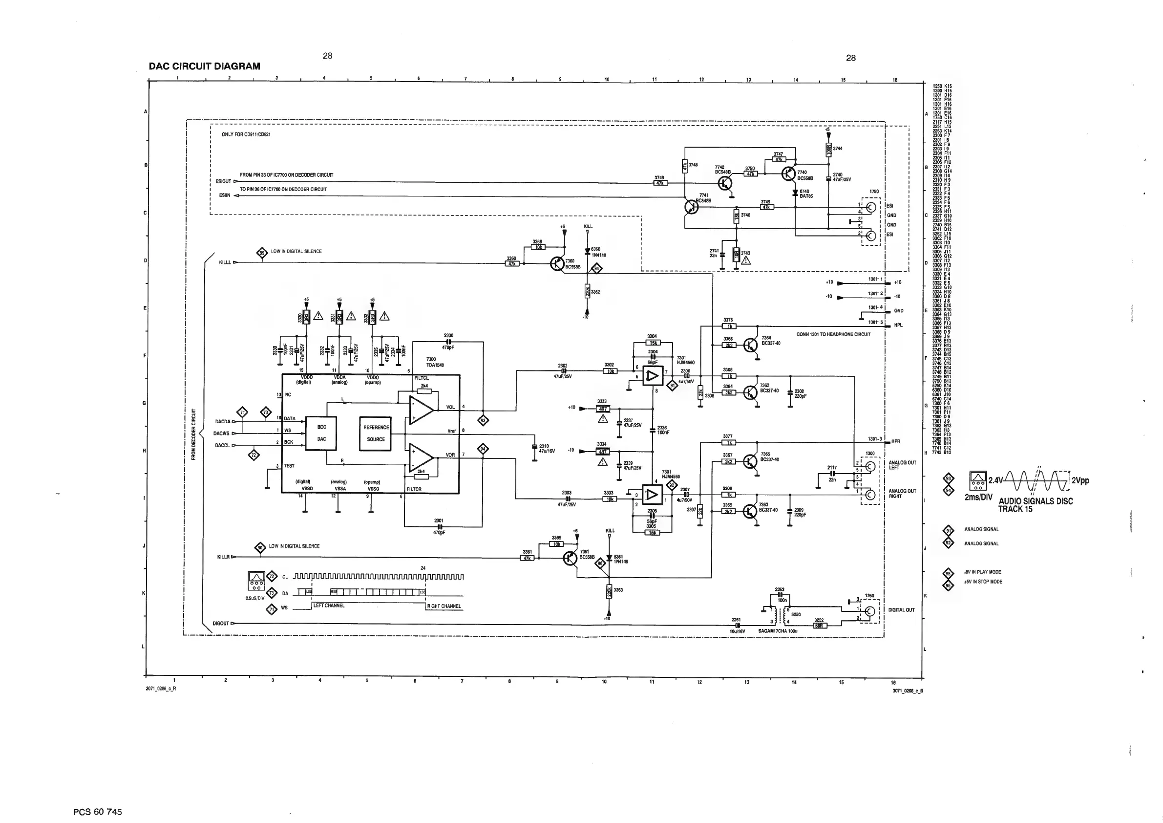
DAC
CIRCUIT
DIAGRAM
1
2
FROM
DECODER
CIRCUIT
1
3071_0266_c_R
FROM
PIN
33
OF
IC7700
ON
DECODER
CIRCUIT
TO
PIN
36
OF
1C7700
ON
DECODER
CIRCUIT
€3)
LOW
IN
DIGITAL
SILENCE
VDDD
VDDA
(digital)
(analog)
REFERENCE
SOURCE
(digital)
(analog)
vSSsD
VSSA
G0)
LOW
IN
DIGITAL
SILENCE
@
a
000
©
»
0.5uS/DIV
>
2302
1
47uF/25\
28
a
12 13 14
15
2740
47uF/25V
3376
ab
12 13
14
15
16
NALOG
OUT
IGHT
DIGITAL
OUT
16
3071_0266_¢_B
3306
3307
|
38
=
N=)
aN
OORT
SPOT
Oe
Se
83
SE
="
atx)
3743
D13
[J
or
OO
ox?
2.4V.
|
2vep
2ms/DIV
aypio
SIGNALS
DISC
TRACK
15
ANALOG
SIGNAL
ANALOG
SIGNAL
:8V
IN
PLAY
MODE
+5V
IN
STOP
MODE

Related product manuals