EasyManua.ls Logo

Philips CD911 - Block Diagram; Power Supply

Philips CD911
39 pages
Print Icon
To Next Page IconTo Next Page
To Next Page IconTo Next Page
To Previous Page IconTo Previous Page
To Previous Page IconTo Previous Page
Loading...
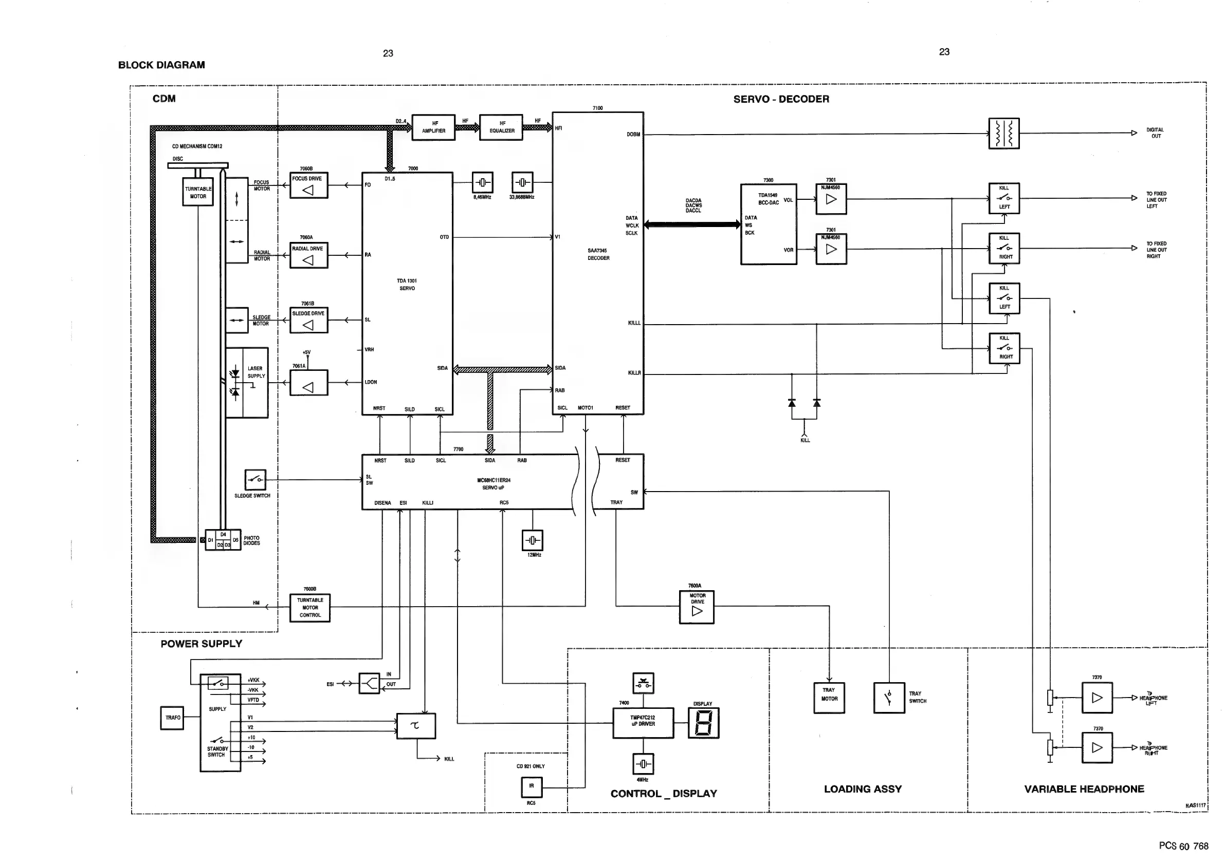
BLOCK
DIAGRAM
fe
a
Qe
ee
Oe
ee
Tete
trate
arate
fee
ea
ea
ey
a
BGG
Oe
oe
aC
et
Pe
aT
RY
ON
he
GENT
TRE
GS
Fae
et
ee
pene
eye
RE
PEE
Og
ee
ae
ay
pet
ta
Teg
aay
wordy
Awd
ig
Vw
ge
rng
eee
hee
yarn
7
|
|
'
CDM
SERVO
-
DECODER
|
|
H
7100
|
DIGITAL
H
|
i
>
our
i
CD
MECHANISM
CDM12
|
|
Disc
H
|
j
ESE
aa
rocus
|
,
|FOCuSORIVE
701
|
NJM4560
KILL
i
j
<J
10
FIXED
!
DAcDA
>
a
>
UNE
OUT
|
Base
LEFT
LEFT
i
|
|
i
|
i
NaWas60
KILL
|
\
SAA7345
>
o
>
IINEOUT
|
DECODER
RIGHT
;
RIGHT
|
|
!
i
KILL
i
Wo
|
'
LEFT
i
[&
|
|
i
KILL
|
ha
|
RIGHT
|
!
LASER
LLY
ULLULULUL
ULL
LLL
Ul
H
|
SUPPLY
Y
|
y
i
s
%
i
|
Y
H
|
Y
|
i
NRST
SILD
SICL
Y
MOTO1
i
1
Y
H
|
y
|
=
!
|
KILL
|
|
Z
NRST
SILD
SIC
RESET
|
|
|
SLEDGE
SWITCH
sw
TRay
|
|
|
|
|
|
I
|
|
|
|
|
|
|
I
|
76004
|
|
I
|
|
H
|
H
l
i
H
eee
ee
i
|
H
|
|
POWER
SUPPLY
soe
ciel
ee
een
or
ee
i
|
aaa
eam
i
(ae
ae)
(a
ic
2
ae
Sie
es
ey
eR
oa
i
|
H
1
i
|
H
|
j
|
|
|
ra
|
|
|
H
H
ea
ss
H
|
D>
HEAIPHONE
H
7400
DISPLAY
i
\
SwnTcH
i
'
uFT
TMP47C212
|
i
'
|
uP
DRIVER
|
|
'
:
:
|
'
7370
i]
|
i}
|
1
|
i
' '
i
i
H
i
|
|
;
>
i
po
STANDBY
PO
t
i
i
1
[>
HEAWPHONE
:
|
KILL
f
7
i
RuHT
|
|
CD
921
ONLY
{
Jr
H
I
'
H
|
|
i
P|
i
4MHz
|
|
i
|
H
|
|
H
|
!
|
CONTROL
_
DISPLAY
LOADING
ASSY
VARIABLE
HEADPHONE
|
|
:
RCS
:
I
i
:
Gee
ee
wae
ae
A
mY
ole
Be
cc
ct
eae
Sa
eae
ere
a
ee
oe
ede
era
aa
OR
eo
1
ac
dnde
dh
cn
kt
Bere
Ne
rey
eae
ee
ae
tc
PO
I
Po
es
ot
aren
Sette
a
eee
tee
eed
HASI117
PCS
60
768

Related product manuals