EasyManua.ls Logo

Philips CD911 - Page 24

Philips CD911
39 pages
Print Icon
To Next Page IconTo Next Page
To Next Page IconTo Next Page
To Previous Page IconTo Previous Page
To Previous Page IconTo Previous Page
Loading...
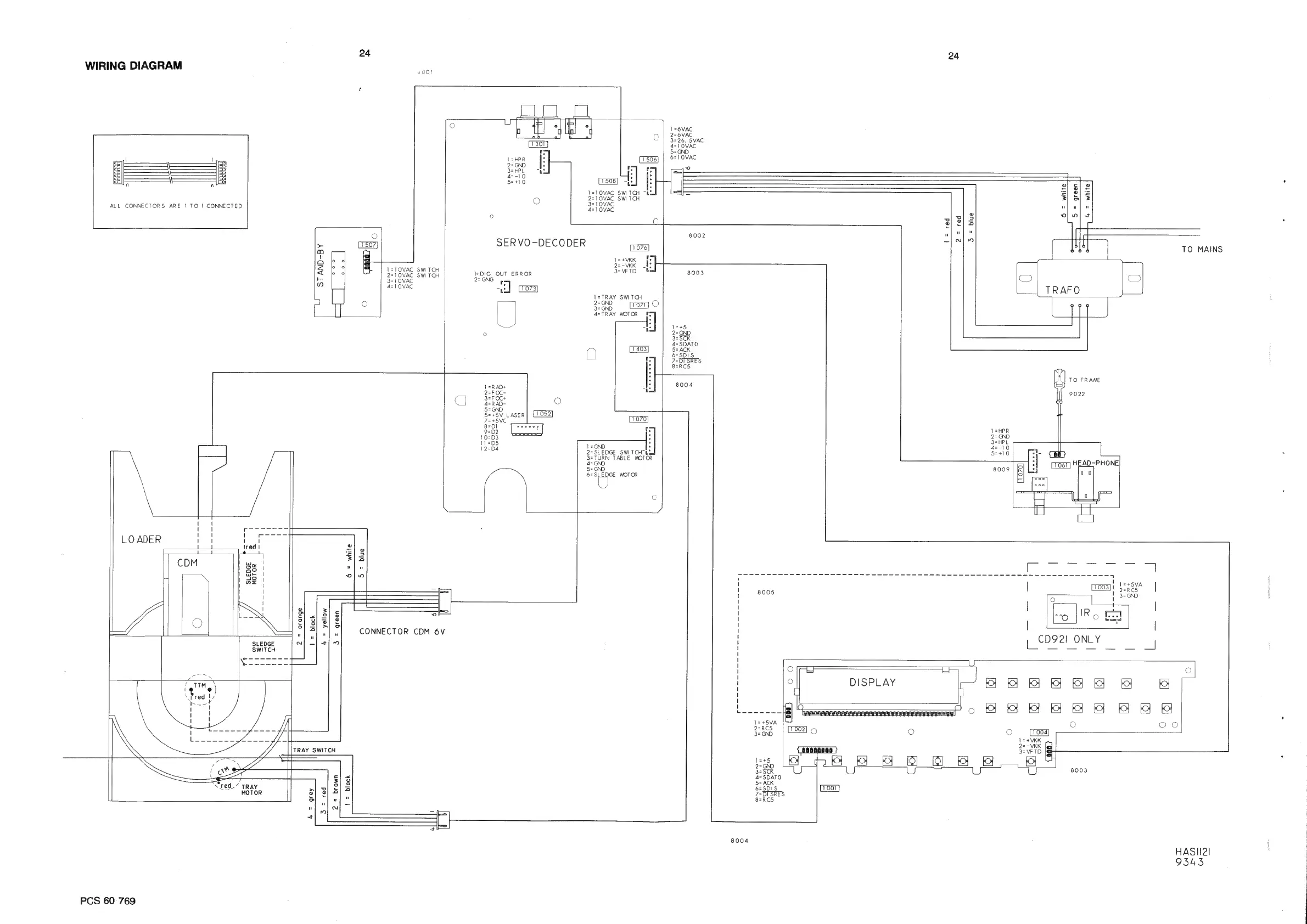
WIRING
DIAGRAM
ALL
CONNECTORS
ARE
1
TO
1
CONNECTED
:
LO
24
oO!
1508
1=10VAC
SWITCH
>
O
2=10VAG
SWITCH
3=10VAC
421
(e)
>
T507
SERVO-DECODER
a
i
e
1
=
+VKK
2
d
1=10VAC
SWITCH
2=-VKK
4
Rave
ae
2=10VAC
SWITCH
I=DIG.
OUT
ERROR
3=VFTD
es
3=1
OVAG
2=GNG
5
a
4=1
0VAC
aa
1=TRAY SWITCH
2=
GND
°
oo
TOA
4=TRAY
MOTOR
1=RAD+
2=FOC-
ADER
CDM
SLEDGE
SWI
TCH7ae
TURN
TABLE
MOTOR
GNO
GND
SLEDGE
MOTOR
won
aw
CORN
oO
CONNECTOR
CDM
6V
SLEDGE
SWITCH
Ve
Se
ee
TRAY
SWITCH
Ned”
TRAY
MOTOR
PCS
60
769
8004
TO
FRAME
(=)
aif
9022
HEAD-PHONE|
|
,
cd92|
ONLY
TO
MAINS
U
DISPLAY
Jaga
508
6
iS
oF
RBeeRBRe
eA
Oo
HASI2|
9343
]
3

Related product manuals