EasyManua.ls Logo

Philips CD911 - Page 25

Philips CD911
39 pages
Print Icon
To Next Page IconTo Next Page
To Next Page IconTo Next Page
To Previous Page IconTo Previous Page
To Previous Page IconTo Previous Page
Loading...
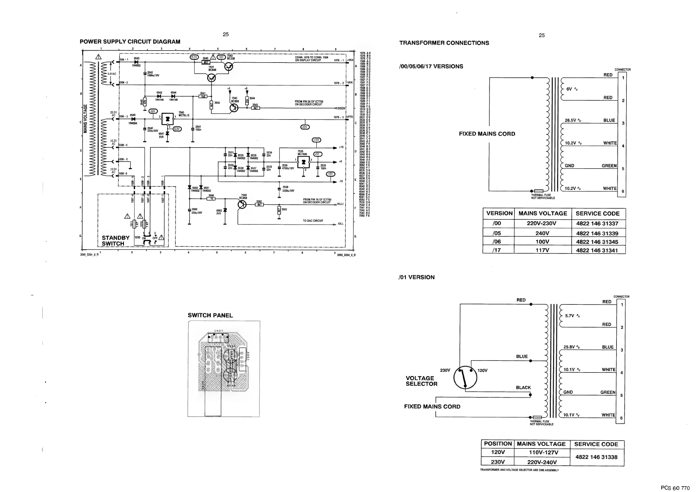
POWER
SUPPLY
CIRCUIT
DIAGRAM
els
1N4148
1N4148
35
-33V
7540
3
ry
1
MC7SLI5
>
oe
3
2540
Gav)
230u/50V
EBV
eat
MAINS
VOLTAGE
6v8
1
3069_0264
d
R
SWITCH
PANEL
CONN.
1076
TO
CONN.
1004
ON
DISPLAY
CIRCUIT
FROM
PIN
26
OF
IC7700
ON
DECODER
CIRCUIT
FROM
PIN
16
OF
IC7700
ON
DECODER
CIRCUIT
TO
DAC
CIRCUIT
Sess
3
ao
SSSE35
Seseesses
Ee
ea
ta
data
aber
TNS
POOTMMASDOOMMOOAANSDODDOODNESOOMMMIMMIDOoOoO
TD
TAMMMMATTaMoVIOwWProOwPrY
eBa888
poy
2s
BRRSSERR
MAMAN
SOAS
ONVOONADAAVOTTA
ATEN
PO.
OVNI
RYN
VVOWNUYOONVNVYVOOS
NANI
ata
2E85
25
TRANSFORMER
CONNECTIONS
/00/05/06/17
VERSIONS
CONNECTOR
RED
FIXED
MAINS
CORD
THERMAL
FUSE
NOT
SERVICEABLE
VERSION|
MAINS
VOLTAGE
|
SERVICE
CODE
220V-230V
4822
146
31337
/06
/01
VERSION
CONNECTOR
RED
RED
230V
VOLTAGE
SELECTOR
FIXED
MAINS
CORD
THERMAL
FUSE
NOT
SERVICEABLE
POSITION
;
MAINS
VOLTAGE
|
SERVICE
CODE
120V
110V-127V
4822
146
31338
230V
220V-240V
TRANSFORMER
AND
VOLTAGE
SELECTOR
ARE
ONE
ASSEMBLY
PCS
60
770

Related product manuals