EasyManua.ls Logo

Philips CD911 - Page 26

Philips CD911
39 pages
Print Icon
To Next Page IconTo Next Page
To Next Page IconTo Next Page
To Previous Page IconTo Previous Page
To Previous Page IconTo Previous Page
Loading...
26 26
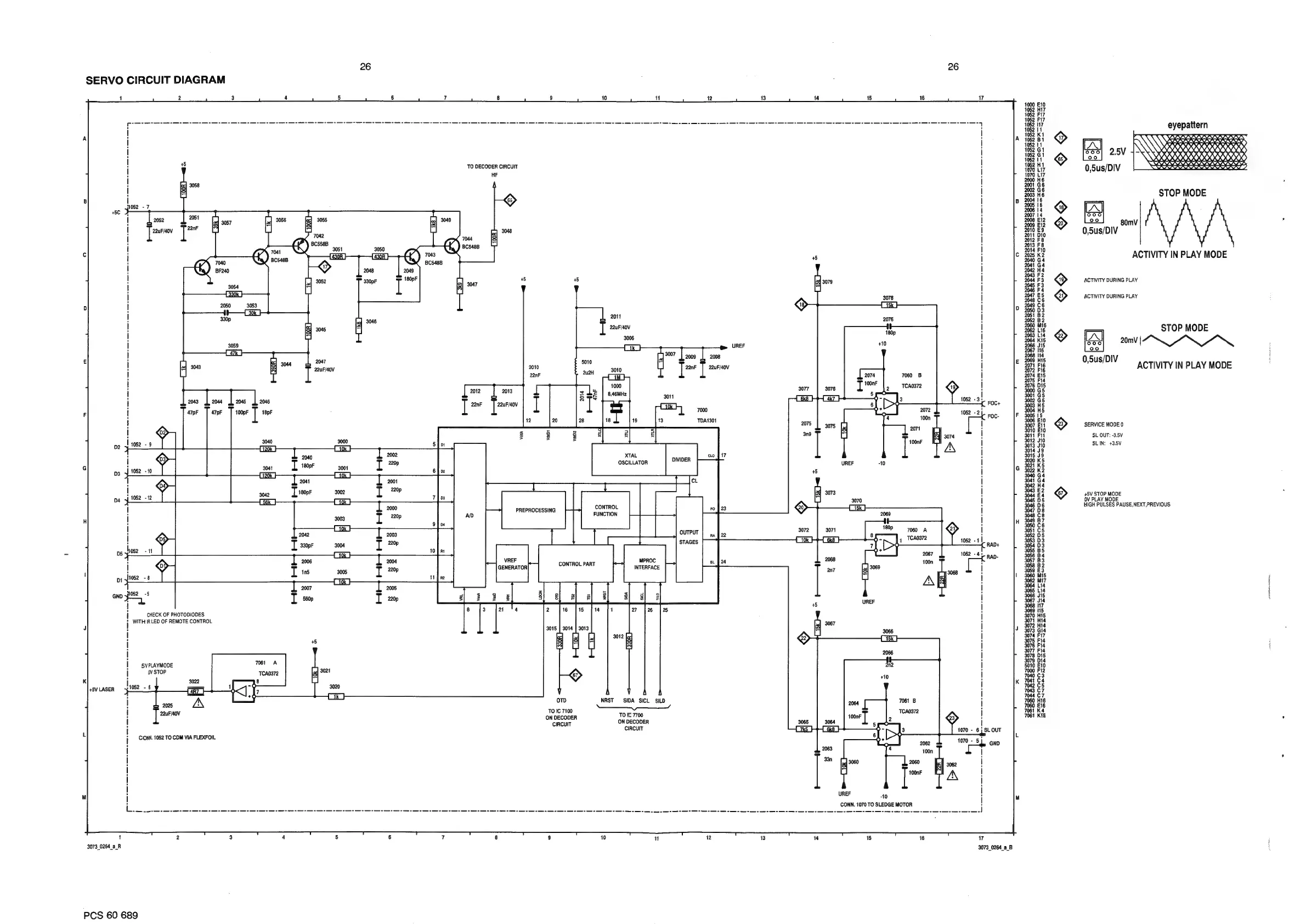
SERVO
CIRCUIT
DIAGRAM
TO
DECODER
CIRCUIT
UREF
c
3007
|
2009
|
2008
2010
[=
i
22uF/40V
20nF
2012
I
22nF
©
é
>
&
1052
-10
a
.
a
CONTROL
:
PREPROCESSING
ie
lt
i
OUTPUT
STAGES
VREF
CONTROL
PART
D1
3
052-5
2
16
|
15
14
1
CHECK
OF
PHOTODIODES
WITH
IRLED
OF
REMOTE
CONTROL
3015
|
3014
|
3013
!
l
|
|
|
|
svpLayMope
i
gv
STOP
1052
-
6
y
y
A
h
A
OTD
NRST
SIDA
SICL
SILD
TO
IC
7100
TO
IC
7700
DER
onORCUIT
ON
DECODER
CIRCUIT
>
|
1070
-
6;
SLOUT
1070
-
5
GND
3062
CONN.
1052
TO
CDM
VIA
FLEXFOIL
UREF
an
CONN.
1070
TO
SLEDGE
MOTOR
Pee
1
2
3
4 5
6
7
8
9
10
rT
12 13 14 15 16
17
3073_0264_a_R
3073_0264_a_B
PCS
60
689
NBS:
=a27
NS
NN
SISRSSRSSRRRRES
fart
2
oar
ad
338
OO=rr
rs
MAMAOYQ
YS
aa
ee
oo
EERE
ROWS!
Soo;
BROBEERSRESRESD
:
wv
m=
DT
BEBE
dass
oumaT
APIA
aoe
sessagegueey
Bo=S=5
tSan
sega
F=FSEMVDVWVWDVDIDCOOODOVCSCOMMIAODOAARACCe
RESTRSTRRRORE
ESSERE
ESSE
et
PEEEERREEELE:
ONAN
NOLTII=
Beeeueeeae
3
7040
C3
tebe
a
<4
oO
©
eyepattern
P
FI
Wis
NN
OO
RO
ON
0a)
xX
x
2.5V
RR
0,5us/
DIV
Narra
ara ara
vararar
evar
arae
area,
STOP
MODE
80mV
0,5us/DIV
ACTIVITY
IN
PLAY
MODE
ACTIVITY
DURING
PLAY
ACTIVITY
DURING
PLAY
STOP
MODE
2omV
|
NN,
(oKe}
O,Sus/DIV
ACTIVITY
IN
PLAY
MODE
SERVICE
MODE
0
SL
OUT:
-3.5V
SLIN:
+3.5V
+5V
STOP
MODE
OV
PLAY
MODE
HIGH
PULSES
PAUSE,NEXT,PREVIOUS

Related product manuals