EasyManua.ls Logo

Philips CDR779 - Page 66

Philips CDR779
78 pages
Print Icon
To Next Page IconTo Next Page
To Next Page IconTo Next Page
To Previous Page IconTo Previous Page
To Previous Page IconTo Previous Page
Loading...
Faultfinding Guide
GB 66 CDR7798.
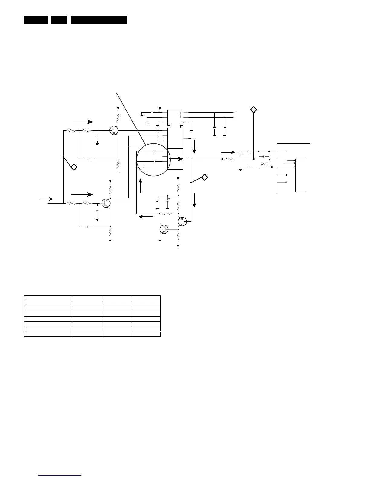
8.3.7 HF Path
Description
The pre-amplified HF-signal is presented to both n=1 and
n=2 amplifier circuits. The mux/demux switches via software
and micro processor controlled S1 and S2 lines between
either one of the amplified n=1 or n=2 signals. The signal will
then follow another amplification and filtering circuit. The
filtering again is controlled by the S1 and S2 lines, dependant
on whether the disc starts up (speed n=1, S1 and S2 Low),
disc plays at speed n=1 (S1 Low, S2 High) or disc plays at
speed n=2 (S1 and S2 High).
Figure 8-26
DC Settings
Set the power and reset connections as described above in
"1.1.1. Supply Voltages". Check the following voltages :
Figure 8-27
3
2
1
0
G4
3
0
1
0
4x
END
FRONT
F310
F309
F313
F157
F156
390p
F159
HFGND
2141
2n2
+5VHF
+5VHF
+5VHF
+5VHF
HFGND
2130
100n
HFGND
HFGND
680p
2149
22n
2138
2137
HFGND
22n
3173
430R
HFGND
47u
2161
HFGND
22n
2160
330p
2143
HFGND
22K
3181
HFGND
47n
2150
HFGND
2142
22n
2146
14
15
11
13
1
5
2
4
3
6
8
GND
10
9
VCC
16
VEE
7
1n5
74HCT4052D
7025
12
100p
2162
7009
BFS20
3192
430R
7010
HFGND
HFGND
BC848B
3205
7007
BC858B
2K7
3169
10K
HFGND
2K7
3180
7023
BFS20
1K
3178
3196
3189
390R
2145
1K
VSSA1
4
47p
5
VDDA1
2
HFIN
1
HFREF
3
ISLICE
SAA7324
7000
2K7
HFGND
3174
430R
3188
180p
2164
HFGND
2K7
3203
HFGND
180p
2140
3191
430R
180R
3193
S1
S2
2
9
3
n=1 AMP
n=2 AMP
HF
HF
DUAL 4 CHANNEL
MUX/DEMUX
HFIN
HF
HF
n-dependant filtering
PRE AMP
HF
CL96532086_057.eps
080999
Force Pin Location Measure
Emitter 7006 2.4 ± 10%
S1 and S2 HIGH Collector 7010 1.9 ± 10%
S1 and S2 LOW Collector 7010 1.9 ± 10%
S1 and S2 HIGH 13 7025 1.6 ± 10%
S1 and S2 LOW 13 7025 1.6 ± 10%
S1 and S2 HIGH 3 7025 3.2 ± 10%
S1 and S2 LOW 3 7025 3.2 ± 10%
CL96532086_058.eps
080999

Related product manuals