EasyManua.ls Logo

Philips D8714 - Page 22

Philips D8714
46 pages
Print Icon
To Next Page IconTo Next Page
To Next Page IconTo Next Page
To Previous Page IconTo Previous Page
To Previous Page IconTo Previous Page
Loading...
J
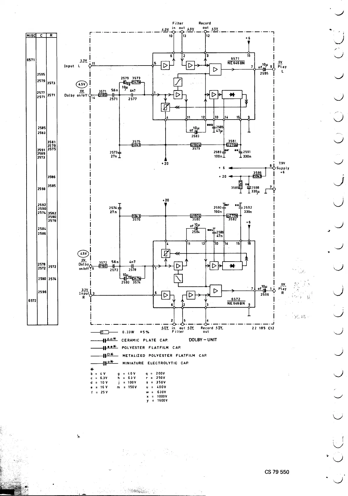
Filter Record
'.DV in out 4.DV out 4.5V
j '-';-. .-= ", .
MISC CR. 10 12 : ;
! +6!:J
I I /
6571 3.2V ! i ~
--- 11 . DV
Input L . Of'~ Play
2595 ! 2595 I L .J
2579 3573
@ I I4.5V
. .
2577 p-~ I 3571 5.6n I
2571 3571 Dolby on/oll ~ . j
11' 2571 I \,.,../
! I
I 11 i ,- ,
. . ~
2585 ! !
2583 ! I-,
3581 I i ~
3579 . .
2591 3575 I I
2589 . .
2573 I 27n 1oonI I33On I
I. +20 . 79V -..J
8 .
. +6 Supply
3586 ! + 20 I +6 f
3585 I i J
2598 i 358 H
i +20 i i
2592 .' .. J
2590 I 25 ..r 11) I \ ,I
2571, 3582 . 2 .
3580 I I
3576 . .
258' ! ! ~
2586 ! I""
I 11 i
I i J
@. ..
DV I I
2578 D-ib. 3572 5.6n .
3 5 7 2 0 y A-Aïä"in---J
I2572 on/oll~-=-;;-~72 . V
2580 3571. ! !
I I DV
2596 llY. of1ot' 1 ; pï~y,' J'
Input 3 5 25~ R ;
R I . ,
6572. I' ,.'
! i.
I i >'j;', J
. 2
L._.~ J
!!'.Q.! in. out !!.QY Record .4.~'t. 22 185 C12
---I:9:=}-- D.33W ~5% F,lter out -J
--I~ CERAMIC PlATE CAP DOLBY -UNIT
--I~ POLYESTER FLATFILM CAP.
--I~ METAllZED POLYESTER FLATFILM CAP J
--{I~ MINIATURE ELECTROLYT IC CAP
*
b = 'V 9 = 'DV q = 2oDV J
c = 63V h = 63V r = 25DV '-, /
d = 1OV j = loov 5 = 35DV
. = 16V m = 15OV u = 'aov
I = 25 V w = 63OV
. = loooV J
y = 16ooV
U
).,
I
, :
'V
~
U
CS 79 550
. . ~

Related product manuals