EasyManua.ls Logo

Philips D8714 - Page 5

Philips D8714
46 pages
Print Icon
To Next Page IconTo Next Page
To Next Page IconTo Next Page
To Previous Page IconTo Previous Page
To Previous Page IconTo Previous Page
Loading...
v'
~ r ,
~ . .
I I
"-' i i 1
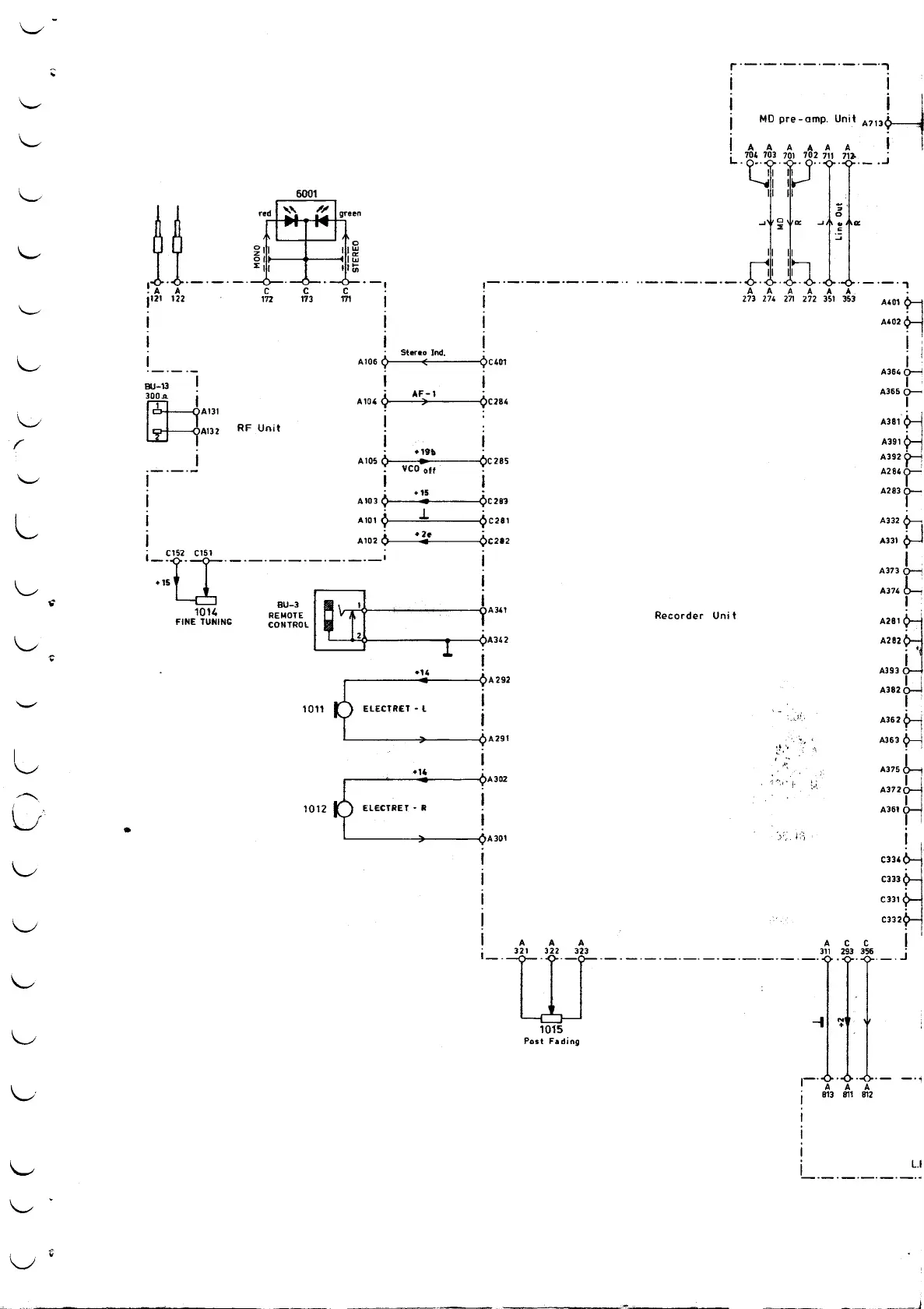
! MD pre-amp Unit A713H
"'-' IAAAAAA I t
L. 70' 703 701 702 711 71~ J.
.tJ:':p.. . .-.
~ 11 11
~~ ~' ... ~ ~ ... ~ ~
"'-' I . --I , ni, ih. " ,
.AA CC C, AAAAAA .
1'21 122 172 173 171 I I 273 274 271 272 351 353 A401
H~ . . .
I I I A402
i i i i :
. . Storoo Ind . . i
l I A106 <:> E. 9C'01 I :
'-" .. A36'O-i
BIJ-IJ I 'I I
. - AF-I. A365Q-
30~A I A10' <> ~r;o-' (>C28' I
~ A!31 .', ~ I A381
A132 RF Unit . : H
r '-19b ! A391?-j
I AIDS Q = (>C285 A392 cr>-:
~ j i VCO 011 i A28'~
. . -15 - A2839--c
I Alo3t;e (>C281 I
L! A101 ~ ~ ~C281 A332 «--ï
I A102 6 -~o OC282 A331 JJ
. C152 C151 ..
1__
1:[ ' I I . A373 0-1
l -15 I
L'---"
[i:i=:==~~=;=~ A 3 7 4
~ BU-3 I I I
1011. REMOTE A341 Recorder Uni t
E. FINE TUNING CONTROL A281
- .
V 2 . A342 A282. .
~ I I
-" . A393
1=:::-~JA 292 I i
. A382 0-1
'--' 1011 ElECrRET -l ,. !
! A" A362?-j
A29! ,I. ,.' A363 H
I i ';::.:. i
V -'4 . 'A375CH
~~~:-J A302 ',." i; 1 i
. ," A372o-;
'" I I '
(,,' 1012 ElECTRET - R . A361 U
L/ I 11
. . :; .
A301 ..\ j, I
. . l
V ! C33'
ËI C333
. .
I C331
~ ! C332:
I A A A ACC I'
. 321 322 323 311 293 356 .
"'-' 1-- m - . ._.J
1015 -I '+'
V Post Fadin9
I-.A.A.A.- -.,
"'-' i 813 811 812
I
I
I
~ L ~'~
~
V"
-~--- - '" - --- --- J

Related product manuals