EasyManua.ls Logo

Philips D8714 - Page 7

Philips D8714
46 pages
Print Icon
To Next Page IconTo Next Page
To Next Page IconTo Next Page
To Previous Page IconTo Previous Page
To Previous Page IconTo Previous Page
Loading...
(
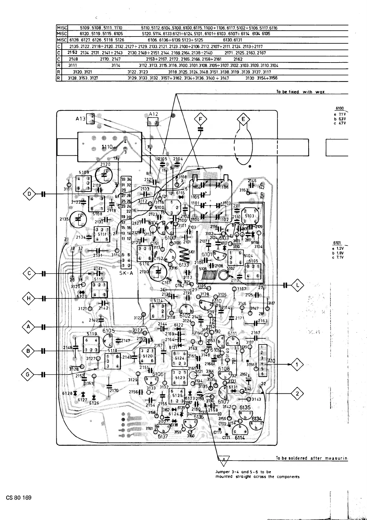
MISC 51095108 5111.1110 5110.5112.6104.5100.6100.6115.1100..1106.6117.5102+510651176116
MISC 6120.5119.51156105 5120.5114.61336121+&124.5101.6101+6103.6107+6114 &131. 6135
MISC 612861276126.5118 5126 61066136+6139.5123':-5125 6130.6131
C 2135 2122 2118+2120.2132.2127 + 2129 2133.2121.21232100+21062112.2107+21112124 2113.;-2117
C 2152 213421312141.;-2143 2130.2149+21,5121/.1.216921642138':-2140 21712125.2163.2167
C 2T48 2170.2147 2153':-21572172.21652166.2158+2161 2162
R 3111 3114 3112.3113.3115.3116.3100.310131083105';-31073102.3103.310931103104
R 3120.3121 3122.3123 3118.3125.3124.3148.3151.3138.3119 3139 3137.3117
R 31283153.3127 3129.31333132.3157.;-31623134+3136.3140';- 3147 3130 3154+3156
To be tlKed Wllh waK
6100
A'3~:Y111, , ~~'
L;f.It" " c 47V
.;.' ".,~:~::,."""" .
"iC
~
.2:!m--
e 1.2V
b 1.8V
c 7.1V
~
~
""'
~ );1', I
!
~--' ;
~ I
I
~ \.
i 1
[ .I.
i I
i' I
[,
f
To be soldered atter measurin
Jumper )-, and 5 - 6 10 be
mounted straight across the components
r I
CS80169 :
_ t . i ,
, ,;;
~~ -~_.,-t 4""""~'-'

Related product manuals