EasyManua.ls Logo

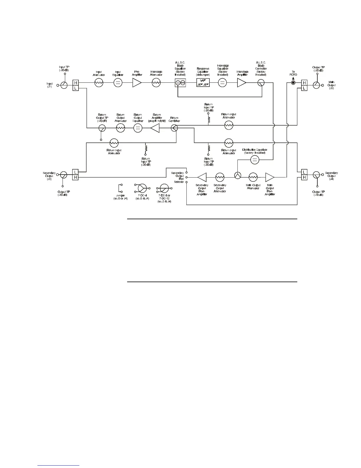
Philips Diamond Line 2 - Functional Description; Figure 11. Diamond Line 2 Amp, Functional Block Diagram

Philips Diamond Line 2
16 pages
Print Icon
To Next Page IconTo Next Page
To Next Page IconTo Next Page
To Previous Page IconTo Previous Page
To Previous Page IconTo Previous Page
Loading...
34 10 July 2000 Diamond Line Amplifiers
Functional Description
For details on the forward
RFsignal flow, see page35.
Fordetails on the return
RFsignal flow, see page38.
For a description of amplifier
powering, see page39.
In summary, forward RF signals enter the Diamond Line2
amplifier module through the input port, J1, and are amplified
by the pre-amplifier. The main output signals are amplified
twice more before exiting through the main output port, J2.
The secondary-output signals are also amplified twice more
before exiting through the two distribution (secondary)
output ports, J3 and/or J4.
The return RF signal flow is the same for all three of the
Diamond Line2 amplifier’s return legs, from ports J2, J3,
and/or J4 to portJ1.
Figure 11. Diamond Line 2 Amp, Functional Block Diagram
The Diamond Line2 amplifier can have two equal, or three
unequal, high-level RF distribution outputs. It uses two
post-amplifier hybrids, one for the main output and one for the
two secondary outputs. A plug-in output port selector lets you
use one or both secondary outputs by using a plug-in jumper or
directional coupler.

Related product manuals