EasyManua.ls Logo

Philips EP5345/10 - Electrical Diagram of the Coffee Machine

Philips EP5345/10
53 pages
Print Icon
To Next Page IconTo Next Page
To Next Page IconTo Next Page
To Previous Page IconTo Previous Page
To Previous Page IconTo Previous Page
Loading...
PHI 5000 LATTE GO / GO+ 01 INTRODUCTION
5/9
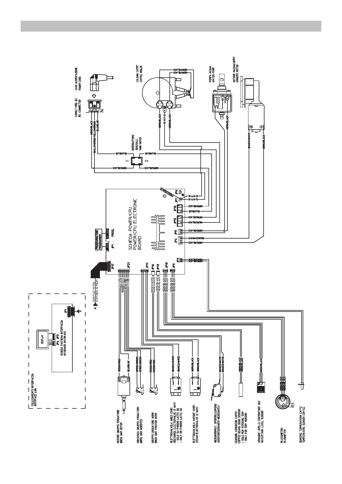
1.6. Electrical diagram

Related product manuals