EasyManua.ls Logo

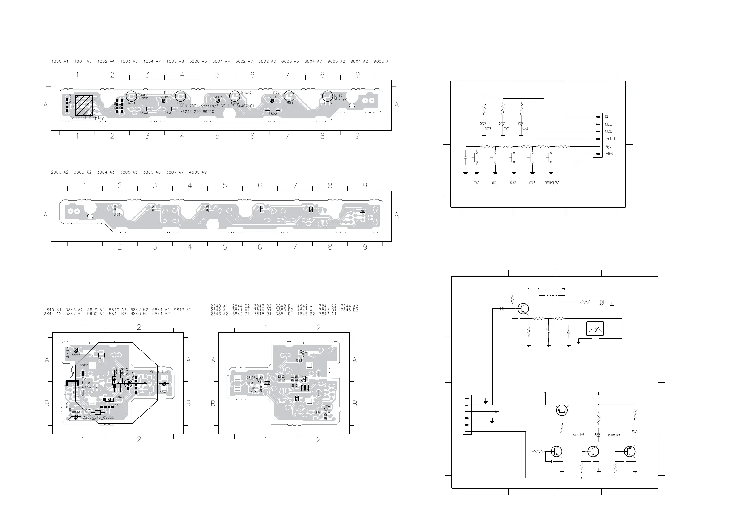
Philips FW-C700 - Key-CDC Board - Chip Layout; Key-CDC Board - Component Layout; Vu Meter Board - Chip Layout; Vu Meter Board - Component Layout

Philips FW-C700
180 pages
Print Icon
To Next Page IconTo Next Page
To Next Page IconTo Next Page
To Previous Page IconTo Previous Page
To Previous Page IconTo Previous Page
Loading...
KEY-CDC BOARD - CIRCUIT DIAGRAMKEY-CDC BOARD - COMPONENT LAYOUT
KEY-CDC BOARD - CHIP LAYOUT
5-4
5-4
VU METER BOARD - CIRCUIT DIAGRAM
VU METER BOARD - COMPONENT LAYOUT VU METER BOARD - CHIP LAYOUT
This assembly drawing shows a summary of all possible versions. For components used in a specific version see schematic diagram and respective parts list.
3139 113 3446 pt2 dd wk0116
This assembly drawing shows a summary of all possible versions. For components used in a specific version see schematic diagram and respective parts list.
3139 113 3446 pt2 dd wk0116
This assembly drawing shows a summary of all possible versions.
For components used in a specific version see schematic diagram and respective parts list.
3139 113 3446 pt2 dd wk0116
This assembly drawing shows a summary of all possible versions.
For components used in a specific version see schematic diagram and respective parts list.
3139 113 3446 pt2 dd wk0116
23
A
B
A
B
1800 A3
1801 B2
1802 B2
1803 B2
1804 B1
1805 B1
2800 B1
3800 A1
3801 A1
3802 A2
3803 A1
3804 A1
3805 A2
3806 A2
3807 A2
6802 A1
6803 A1
6804 A2
6804
GND-B
123
1
3801
220R
6803
6802
3802
220R
3800
220R
1803
270R
3805
GND-B GND-B
GND-B
GND-B
1
2
3
4
5
6
GND-B GND-B
FE-ST-VK-N
1800
1804
1805
390R
3804
560R
3803
150R
3807
100p
2800
1801
220R
GND
1802
3806
3139 118 54530...for 89610...3446 pt2 dd wk0116
Note : Some values may varies, see respective parts list for correct value.
Vu-meter
1234
1234
A
B
C
D
A
B
C
D
1840 C1
2840 A2
2841 A2
2842 D2
2843 D3
2844 D4
3841 A2
3842 A2
3843 A2
3844 A3
3845 D2
3846 D3
3847 D4
To Front
Vu-backlight
3848 C3
3849 C3
3850 C4
3851 A3
4842 A2
4843 A2
5600 A4
6840 A1
6841 A3
6842 A4
6843 D4
6844 D3
7841 A2
7842 C3
7843 D3
7844 D3
7845 D4
3841
47K
180R
3851
4K7
3846
1K2
BC857B
7842
7843
BC847B
Gnd
3845
470R
3848
6843
390R
3850
BC847B
7844
Gnd
3847
220R
6844
3849
150R
Gnd
5600
12
Gnd
6842
LB3333
7845
BC857B
FE-BT-VK-N
1840
1
2
3
4
5
6
4843
100p
2844
# 4842
100p
2842
2843
100p
2840
100p
3844
8K2
1N4148
6841
1K
2841
1u
3842
100K
3843
Gnd
BC847B
7841
6840
1N4148
Bit0
Bit1
+5V6
VUMeter
+Vu
+5V6
+5V6
+Vu
3139 118 54530...for 89650...3446 pt2 dd wk0116
# : Provision
Note : Some values may varies, see respective parts list for correct value.
www.freeservicemanuals.info
12/2/2013
www.nostatatech.nl
World of free manuals

Table of Contents

Other manuals for Philips FW-C700

Related product manuals