EasyManua.ls Logo

Philips FW-C700 - AF9 Board - Circuit Diagram (Part 2)

Philips FW-C700
180 pages
Print Icon
To Next Page IconTo Next Page
To Next Page IconTo Next Page
To Previous Page IconTo Previous Page
To Previous Page IconTo Previous Page
Loading...
12-5
12-5
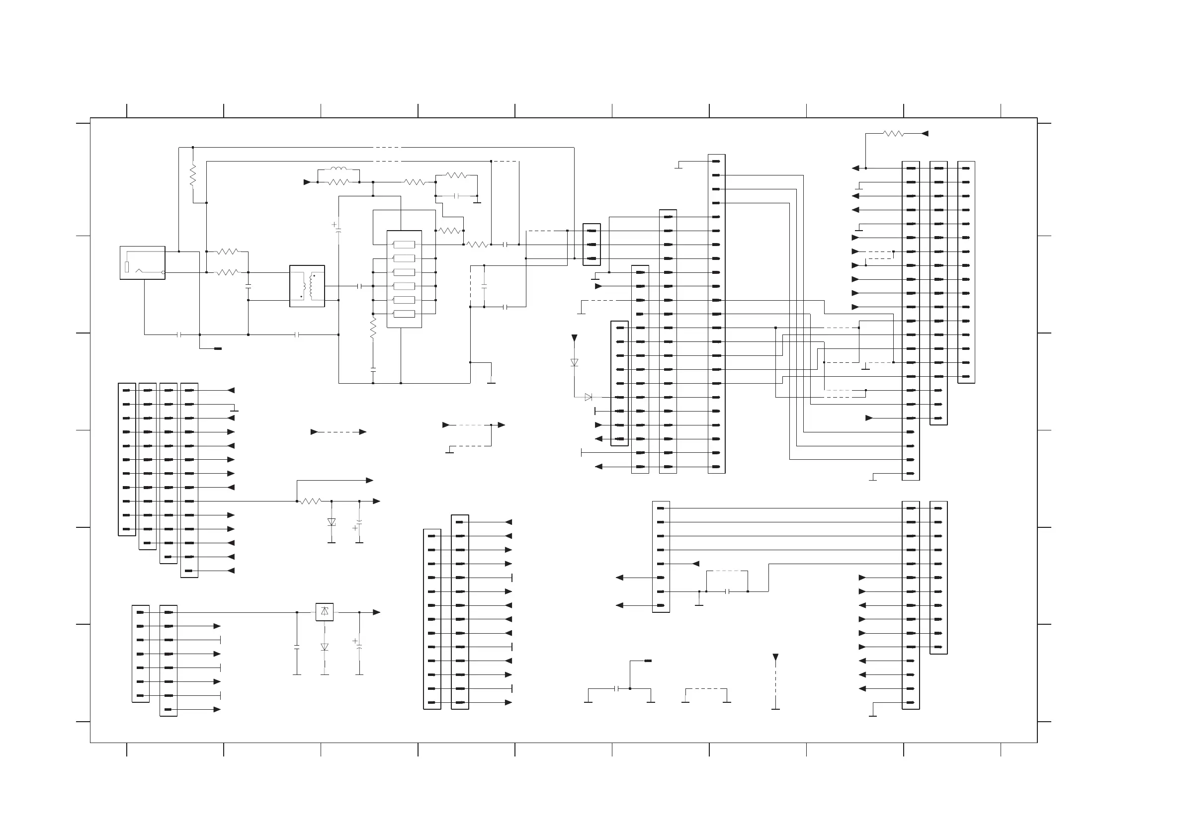
AF9 BOARD - CIRCUIT DIAGRAM (PART 2)
+12V_M
NTC
-10V
-32V
P
DQSY
CD_SH_DATA
I2C_DATA
4.9V
9
A
B
C
D
E
F
A
B
C
D
E
F
1100 F6
1101 C2
1201 C1
1202 E1
1203 C1
1204 E1
1205 C1
1206 C1
1401 A9
1402 D9
FRONT
CD_SH_CLK
TU_ENAB
I2C_CLK
SICL
COAX
+5V_CD
Tu_Gnd
SW_INFO
3.5V
SILD
+11V_D
GND_A
9.3V
1 23456789
1 2345678
FROM / TO DPL Board
PORE / DSA_STB
FROM/TO
UP_CLK
P
1403 A9
1404 D9
1405 A9
1520 E6
1521 A7
1522 A6
1523 D6
1524 A5
1525 B5
1541 D4
1542 D4
1801 A1
2207 D3
2208 F2
2209 F3
2520 E7
2801 B4
2802 C3
2803 A3
2804 B3
2805 B2
2806 B2
2807 B1
2808 B4
2809 B4
2810 A4
2901 F6
P
P
CD_SH_DATA
DSA_STB/GND_D
SA_IN
P
For VCD version only
For VCD version only
TU_STEREO
UP_CLK
FROM / TO Power Board
SRDT
3205 D2
3412 A8
3801 B4
3802 A4
3803 B3
3804 A3
3805 B2
3806 A1
3807 A4
3808 A3
3809 B2
4801 B4
4802 C4
4903 B8
4904 F7
4905 C3
4906 A5
4907 C8
4908 C8
4909 A3
FROM/TO 3CDC
GND_D
GND_D
GND_D
GND_A
+5V6_CON
FROM/TO TUNER
GND_D
CD_LEFT
GND_M
GND_D
4910 A3
4911 A4
4912 B8
4913 B8
4914 B5
4915 C8
5801 B2
5802 A3
6205 D3
6206 F2
6207 C5
6208 C5
7202 E3
7802 A3
9405 C8
9483 F6
9484 D4
9486 E7
+5V6
COAX1
FRONT
SRDT
-VKK
TU_STEREO
CLIP
CD_SH_STR
TU_DATA
GND_D
F2
DPL_CLK
MIC_DET
OUT
+12V_A
2.9V
4.5V
P
LOW_PWR_CTRL
CD_RIGHT
DIGITAL
P
SHIELD
DQSY
TU_ENAB
P
FROM/TO
SICL
GND_D
CD_SH_CLK
F1
FROM / TO Power Board
TU_DATA
TU_CLK
For Non-VCD version only
DPL_DATA
DPL_VOL_CLK
POWER_DOWN
SILD
GND_D
For CDR version only
HP_DET
SW_INFO
TU_CLK
GND_D
3
4
5
6
7
8
9
+5V6
DPL_Req
D_DPL
TU_Left
AMP_CS_DC
+5V_VCD
HP_DET
-Vkk
F1
D_DPL
+5V6
+12V_A
GND_M
A_CD
Clipping
F2
Pw_Dn
aa
+5V6_Con
7
FE-BT-VK-N
1520
1
2
3
4
5
6
NTC
VCDorCDRon
47u
4905
4907
4915
GND_A
3805
DPL_L
9483
150p
2806
D_Text
220R
3804
2
1Y
3
2A
4
2Y
5
3A
6
3Y
9
4A
8
4Y
11
5A
10
5Y
13
6A
12
6Y
7
GND
14
VCC
5K6
3205
2810
47p
11
12
13
1403
FE-BT-VK-N
1
10
DPL_R
A_DPL
9405
9484
DVD_ON
470R
GND_EMC
3801
+12V_M
6208
1N4003
3806
75R
CD_PORE
GND_M
CD_PORE
4909
+12V_A
100n
2801
GND_D
4912
9
2802
1n
4906
DSA_STB
I2C_Data
DPL_Vol_Clk
AMP_RIGHT
aa
+5V6_Con
GND_D
F1
4802
A_TU
D_Text
MIC_DETMIC_DET
+12V_M
4914
GND_D
1
FE-BT-VK-N
1525
3807
2K2
+5V6
11
12
13
1542
FE-BT-VK-N
1
10
GND_D
3803
560R
1
10
FE-BT-VK-N
1523
COAX2
8
2u2
5802
GND_D
8.5V
GND_D
CD_SH_STR
22
21
3
4
5
6
7
8
9
4910
FE-BT-VK-N
1521
1
10
11
12
13
14
15
16
17
18
19
2
20
23
GND_D
DPL_Data
4908
4
6
6205
BZX79-C10
4903
6RG
5801
1
2
3
2207
47u
GND_D
+12V_M
2
3
4
5
6
7
8
9
+12V_M
1541
FE-BT-VK-N
1
10
11
12
13
14
2
3
4
5
6
7
8
4913
EH-B
1202
1
NTC
GND_D
2803
1u
1
10
11
12
13
14
2
3
4
5
6
7
8
GND_D
Low_Pw_Ctrl
1205
DPL_Clk
+12V_A
10n
2520
AmOn
3412
1K
2209
Low_Pw_Ctrl
DPL_Data
GND_A
GND_D
SS_R
3802
2807
100n
F2
1204
1
2
3
4
5
6
7
22K
Pw_Dn
EH-B
8
9
6206
1N4148
4904
1
10
11
12
13
14
15
2
3
4
5
6
7
IN OUT
47R
3809
1404
FE-BT-VK-N
CD_Left
A_DPL
MC78L05
7202
GND
1N4003
6207
DSA_STB
-Vkk
3808
22K
+5V_CD
2
3
4
5
6
7
8
9
TU_Right
+5V_CD
GND_M
DPL_Vol_Clk
GND_D
100n
2809
1101
100n
2805
10
11
2
3
4
5
6
7
8
9
SA_IN
1402
FE-BT-VK-N
1
4801
GND_D
Clipping
2808
100n
1
10
11
12
13
14
15
16
17
18
19
2
GND_D
AmOn
AMP_CS_DC
FE-BT-VK-N
1522
I2C_Clk
CD_Right
7802
74LVU04D
1
1A
7
8
9
100n
2804
9486
14
15
16
17
18
19
2
20
23
22
21
3
4
5
6
1203
220R
-CMOS
GND_D
16
2
3
4
5
6
7
8
9
AMP_LEFT
1405
1
10
11
12
13
14
15
4911
+5V
14
15
16
17
18
19
2
3
4
5
6
7
8
9
SS_L
1
3
2
1401
1
10
11
12
13
2
3
4
5
6
7
8
9
1801
YKC21-3416
1206
1
10
11
2
3
4
5
6
7
8
9
1201
FE-BT-VK-N
1100
1524
EH-B
1
2
3
DPL_Clk
11
12
13
14
15
2
3
4
5
6
7
8
9
100n
2901
2208
100n
P...provision
3139 118 53770...88340 for...3435 pt2 dd wk0048
Note : Some values may varies, see respective parts list for correct value.
P
www.freeservicemanuals.info
12/2/2013
www.nostatatech.nl
World of free manuals

Table of Contents

Other manuals for Philips FW-C700

Related product manuals