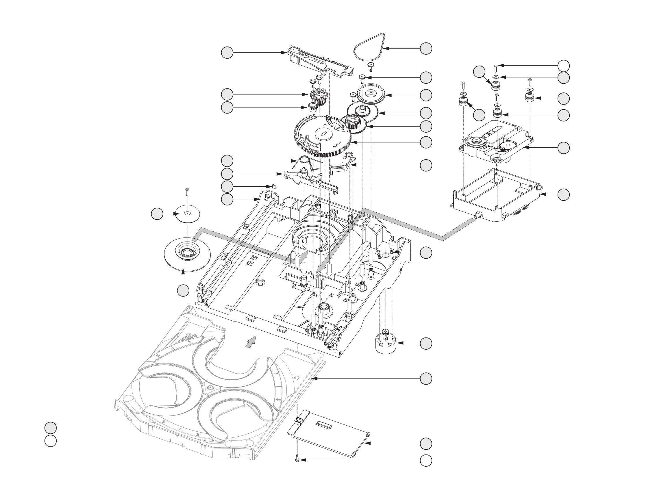
EXPLODED VIEW (3CDC-LC MODULE)
MECHANICAL PARTS
Loader → this page
–––––––––––––––––––––––––––––––––––––––––––––––––––––
20 3103 304 66500 DRAWER
21 3140 114 29070 PRESSURE RING-DA11
23 3140 111 21270 METAL RING-DA11
30 3103 304 66560 SUPPORT
31 4822 529 10386 RUBBER DAMPER CD DRIVE, REAR
32 4822 529 10387 RUBBER DAMPER CD DRIVE, FRONT
33 3103 304 06970 WASHER
35 3103 309 05310 CD DRIVE DA11T3CN
36 3104 119 40010 MOTOR MABUCHI RF-500TB-12560
37 4822 361 10753 CAROUSEL MOTOR
41 3103 304 66480 FRAME
42 3103 304 66540 BRACKET-GUIDING
43 3103 301 06460 SPRING-GUIDING
44 3103 304 06890 GEAR-3
45 3103 304 06980 NAIL FIXATION
46 3103 304 06880 GEAR-2
47 3103 304 66530 BRACKET-LOAD
48 3103 304 06910 CAM
49 3103 304 66510 GUIDING
51 3103 304 06900 GEAR-4
52 3103 304 06870 GEAR-1
53 3103 304 06960 PULLEY-FRAME
54 3103 304 66910 DRIVING-BELT-DRAWER
55 4822 361 10753 TRAY MOTOR
56 4822 502 12548 SCREW M2,6X3,5
57 3103 304 69880 COVER-DA11
59 4822 466 12146 RUBBER
MECHANICAL PARTS
Drawer → Chapter 10-11
––––––––––––––––––––––––––––––––––––––––––––––––––––––––––
20 3103 304 66500 DRAWER
21 3103 304 66490 CAROUSEL
22 3103 304 06860 PULLEY-DRAWER
23 3103 304 06850 ECCENTRIC GEAR WHEEL
24 3103 304 06980 NAIL FIXATION
25 3103 304 66850 DRIVING BELT CAROUSEL
27 4822 532 12365 BUSH DRAWER (height=5,5mm,d=9,4mm)
27 3103 304 07100 BUSH DRAWER (height=8,5mm,d=16mm)
29 3103 304 66550 BRACKET-DISC
30 3103 304 66520 TUMBLER
31 3103 301 06470 SPRING-DISC
32 3103 304 06920 CONTROL-DISC
34 3103 304 06870 GEAR-1
37 4822 361 10753 CARROUSEL MOTOR
10-10 10-10