EasyManua.ls Logo

Philips FW-C700 - Page 30

Philips FW-C700
180 pages
Print Icon
To Next Page IconTo Next Page
To Next Page IconTo Next Page
To Previous Page IconTo Previous Page
To Previous Page IconTo Previous Page
Loading...
9-2
9-2
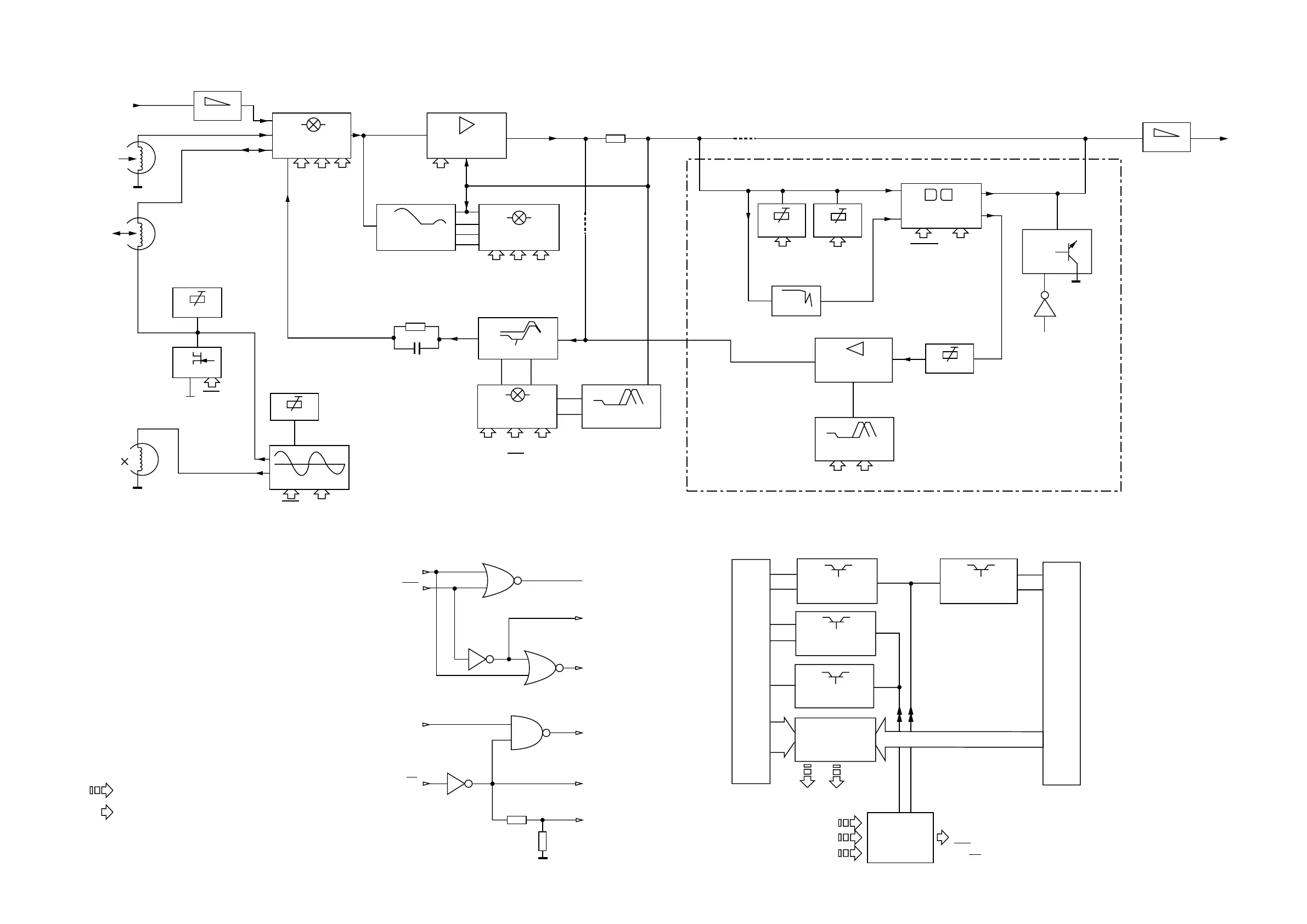
BLOCK DIAGRAM
Deck B (Rec/Pb) switches, sensors & motor
4x
DECK(S) SW.
STATUS TO
VOLTS CONV.
2x
SOLENOID
SUPPLY CTRL
SOLENOID
SUPPLY CTRL
MOTOR VCC
SUPPLY CTRL
NS/HS CTRL
Deck A (Pb) switches, sensors & motor
NOM/HI SPEED
REC EON.
IEC I IEC II
REC EON.
REC EON. SW.
HEF4952BT
RECORD AMP
NJM4560D
OSCILLATOR
REC
CRB
Line-In
Playback
Head
Rec/Pb
Head
Erase
Head
BIAS SYM
HD SW.
BIAS ADJ
Erase
Bias
REC
ALCEN
PRE-AMPLIFIER
AN7318S
SOURCE SEL
HEF4952BT
1A0 1A1 1A2
Rec current
ATTEN
ALC
PLAYBACK
EQUALISATION
PB EON. SW.
HEF4952BT
2A0 2A1 2A2
MPX
1A0
1A1
PB A ADJ
PB B ADJ
Rec In
PB In
2A2
DOLBY B NR
CXA1101M
REC Out
PB Out
REC ADJ
SHIFT
REGISTER
HEF4094BT
3A0 3A1 3A2
(HS) (REC) (CRB)
DOLBY
NOM/HI SPEED
REC EON.
3A0 NS
2A2
MUTE
For Dolby version only
PB Out
ATTEN
4794 #
9792 #
#
CLK
DATA
STROBE
# For Non-dolby version only
Only 1 channel is presented.
NOTE:
MicroProcessor Control / Communication lines
Direct / Indirect Control lines from Shift Registers
AD1 AD2
1A2
1A1
ALCEN
1A0
REC
7787
7791
7780
7710
7720
7740
7730
7630
7640
1A0
2A1
2A2
REC
NS/HS (NS)
HS
NS/HS
(NS)
3A0
2A0
CRA
7792
7622
7788
7610
www.freeservicemanuals.info
12/2/2013
www.nostatatech.nl
World of free manuals

Table of Contents

Other manuals for Philips FW-C700

Related product manuals