EasyManua.ls Logo

Philips FW-V537 - CIRCUIT DIAGRAM (PART 3)

Philips FW-V537
86 pages
Print Icon
To Next Page IconTo Next Page
To Next Page IconTo Next Page
To Previous Page IconTo Previous Page
To Previous Page IconTo Previous Page
Loading...
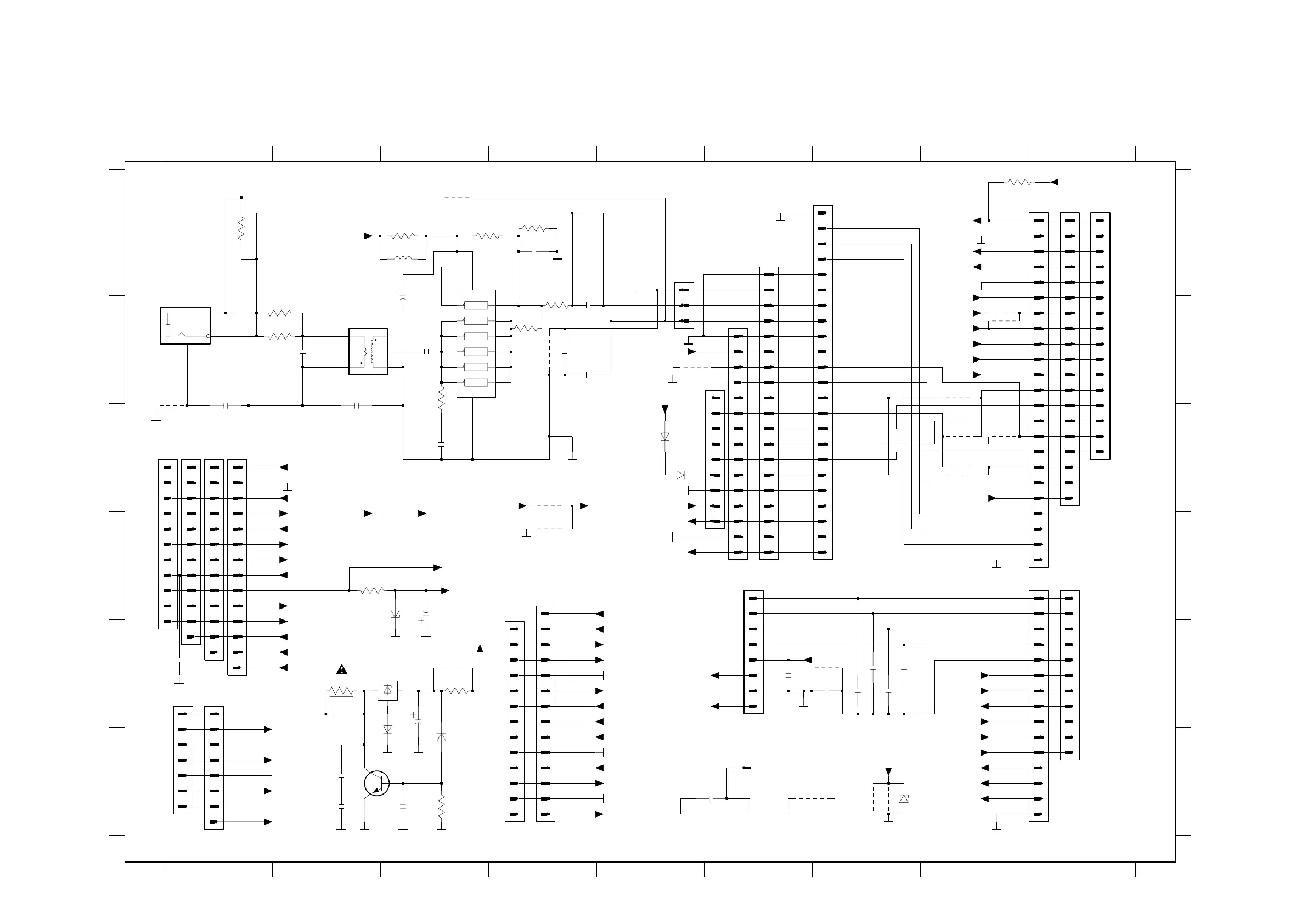
AF9 BOARD - CIRCUIT DIAGRAM (PART 3)
12-6 12-6
P
456789
A
B
C
D
E
F
A
B
C
D
E
F
1100 F6
1201 C1
1202 E1
1203 C1
1204 E1
1205 C1
1206 C1
1401 A9
1402 D9
1403 A9
1404 D9
1405 A9
1520 E6
GND_D
GND_A
9.3V
I2C_CLK
CD_SH_CLK
TU_ENAB
DSA_STB/GND_D
123456789
123
GND_D
P
For VCD version only
SRDT
+12V_M
UP_CLK
1521 A7
1522 A6
1523 D6
1524 A5
1525 B5
1541 D4
1542 D4
1801 A1
2207 D3
2208 F2
2209 E3
2210 F2
2211 F3
2520 E7
2801 B4
2802 C3
2803 B3
2804 B3
2805 B2
2806 B2
2807 B1
2808 B4
2809 B4
2810 A4
2901 F6
2950 E7
FROM/TO
-32V
PORE / DSA_STB
4.9V
3.5V
I2C_DATA
-10V
P
NTC
2951 E7
2952 E7
2953 E7
2954 E6
2955 E1
3205 D2
3412 A8
3801 B4
3802 A4
3803 B3
3804 A3
3805 B2
3806 A1
3807 B4
3808 A3
3809 B2
3820 E3
3821 E2
3822 F3
4801 B4
4802 C4
4903 B8
4904 F7
GND_D
GND_A
+5V6_CON
FROM/TO TUNER
GND_M
GND_D
GND_D
+12V_A
FROM / TO DPL Board
For VCD version only
FRONT
Tu_Gnd
SICL
P
UP_CLK
CD_SH_DATA
4905 C3
4906 A5
4907 C8
4908 C8
4909 A3
4910 A3
4911 A4
4912 B8
4913 B8
4914 B5
4915 C8
4921 B1
5801 B2
5802 A3
6204 F7
6205 D3
4.5V
MIC_DET
DQSY
8.5V
TU_STEREO
GND_D
GND_D
SA_IN
COAX1
FROM/TO 3CDC
CD_LEFT
FROM / TO Power Board
6206 F3
6207 C5
6208 C5
6209 F3
7202 E3
7404 F3
7802 A3
9405 C8
9483 F6
9484 D4
9486 E7
9614 E3
9634 E2
9904 F7
DPL_CLK
P
TU_ENAB
F1
CD_SH_CLK
For Non-VCD version only
DPL_DATA
DPL_VOL_CLK
DQSY
SHIELD
P
SW_INFO
COAX2
COAX
CD_SH_DATA
+5V_CD
OUT
F2
SW_INFO
P
-VKK
FRONT
+5V6
SRDT
SILD
+11V_D
P
CD_SH_STR
CLIP
FROM/TO
HP_DET
CD_SH_STR
P
2.9V
GND_D
GND_D
TU_DATA
GND_D
TU_DATA
TU_CLK
TU_CLK
FROM / TO Power Board
SILD
POWER_DOWN
For CDR version only
LOW_PWR_CTRL
DIGITAL
TU_STEREO
CD_RIGHT
SICL
GND_D
CD_Left
2210
220n
A_DPL
470p
2953
100n
2807
F2
13
14
2
3
4
5
6
7
8
9
1203
16
17
18
19
2
3
4
5
6
7
8
9
6206
GND_D
DPL_R
3809
HP_DET
Low_Pw_Ctrl
9634
3804
220R
4915
+5V6
AMP_CS_DC
GND_M
A_CD
F2
Pw_Dn
aa
+5V6_Con
1
2
3
4
1520
FE-BT-VK-N
9484
10n
2520
GND_A
GND_EMC
DPL_L
9483
GND_D
11
5Y
10
6A
13
6Y
12
GND
7
VCC
14
+12V_A
2954
47n
75R
3806
4906
D_Text
MIC_DET
GND_D
DSA_STB
470p
2951
4909
GND_D
3801
470R
GND_EMC
1N4003
6208
TU_Left
DVD_ON
14
2
3
4
5
6
7
8
9
2901
100n
A_DPL
-Vkk
9614
GND_D
NTC
220n
2208
9486
GND_A
SS_R
Low_Pw_Ctrl
4912
10
11
2
3
4
5
6
7
8
9
DSA_STB
DPL_Vol_Clk
DPL_Vol_Clk
I2C_Data
DPL_Clk
AMP_RIGHT
+5V6_Con
GND_D
F1
BZX79-B3V3
6204
1n
GND_M
FE-BT-VK-N
1201
4914
GND_D
1
2
3
1525
FE-BT-VK-N
7202
MC78L05
+12V_M
4904
I2C_Clk
CD_Right
D_Text
+12V_M
VCDorCDRon
+5V6
AMP_LEFT
4907
FE-BT-VK-N
1542
1
2955
2K2
3807
DPL_Data
+12V_A
560R
3803
3802
22K
5
6
7
8
5802
2u2
GND_D
4905
9405
470p
2950
2952
100p
47p
2810
3205
5K6
aa
1205
1
10
11
12
13
EH-B
1524
1
2
3
14
15
2
3
4
5
6
7
8
9
1100
1523
FE-BT-VK-N
1
10
11
12
13
4801
DPL_Data
Clipping
100n
2808
Clipping
AmOn
1K
3412
1n
2804
100n
18
19
2
20
23
22
21
3
4
5
6
7
8
9
FE-BT-VK-N
1403
1
10
11
12
13
14
15
16
17
GND_D
FE-BT-VK-N
1541
1
10
11
12
220R
3805
-CMOS
2802
1206
1
1402
1
10
11
2
3
4
5
6
7
8
9
SA_IN
F1
DPL_Clk
FE-BT-VK-N
2801
100n
D_DPL
23
22
21
3
4
5
6
7
8
9
4910
1
10
11
12
13
14
15
16
17
18
19
2
20
GND_D
+12V_A
1521
FE-BT-VK-N
4903
4908
4
6
BZX79-C10
6205
5801
6RG
1
2
3
74LVU04D
7802
1A
1
1Y
2
2A
3
2Y
4
3A
5
3Y
6
4A
9
4Y
8
5A
Pw_Dn
1204
EH-B
1
2
3
4
5
6
7
9904
1
10
11
12
13
14
15
2
3
4
5
6
7
8
9
+5V6
47R
FE-BT-VK-N
1404
DPL_Req
D_DPL
2806
150p
47u
2207
7404
BC817-25
6209
BZX79-C6V8
+12V_M
4
5
6
7
8
4913
1u
2803
1202
EH-B
1
2
3
MIC_DET
NTC
GND_D
+12V_M
GND_D
GND_D
1N4003
AMP_CS_DC
1522
FE-BT-VK-N
1
10
11
12
13
14
15
CD_PORE
+5V_VCD
AmOn
4
5
6
7
8
9
TU_Right
-Vkk
+5V_CD
GND_M
47u
2209
GND_D
GND_D
3821
10R
100n
2211
A_TU
6207
1N4003
3822
270R
10
11
12
13
14
15
16
2
3
4
5
6
7
8
9
+5V
1405
1
4
5
6
7
8
9
SS_L
4911
1
10
11
12
13
14
15
16
17
18
19
2
3
YKC21-3416
1801
1
3
2
1401
10
11
12
13
2
3
4
5
6
7
8
9
GND_D
2809
100n
GND
IN OUT
3820
10R
CD_PORE
+5V_CD
4921
GND_D
22K
3808
2805
100n
4802
P...provision
3139 118 53770...88340 for...3435 pt4 dd wk0123
Note : Some values may varies, see respective parts list for correct value.
P

Table of Contents

Related product manuals