EasyManua.ls Logo

Philips HTS3400 - Page 19

Philips HTS3400
38 pages
Print Icon
To Next Page IconTo Next Page
To Next Page IconTo Next Page
To Previous Page IconTo Previous Page
To Previous Page IconTo Previous Page
Loading...
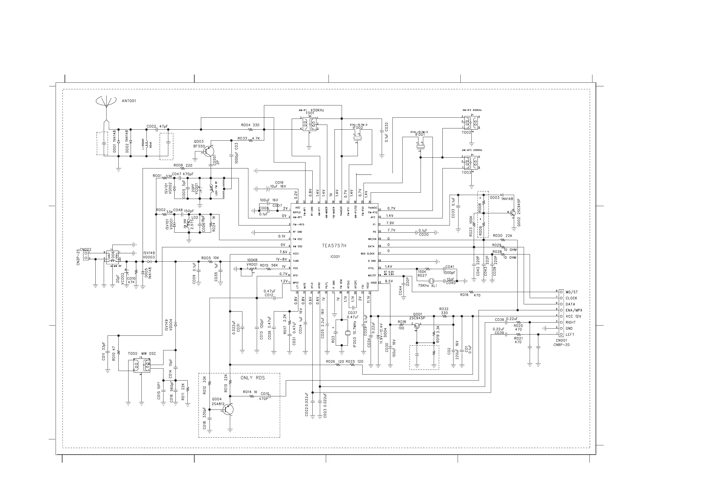
CIRCUIT DIAGRAM - TUNER BOARD
6-2
6-2
A
B
C
A
B
C
12 34
12 34
ANT001 A1
C002 A1
C005 A1
C007 A2
C006 B2
C008 B2
C009 B2
C01 C4
C02 C3
C03 A2
C010 B1
C011 C1
C012 B2
C013 C2
C014 C1
C015 C1
C016 C1
C019 A2
C020 B3
C021 C2
C022 C2
C023 C2
C024 C2
C025 C2
C026 C2
C029 C3
C030 C3
C031 C2
C032 A3
C033 B3
C034 C3
C035 B2
C036 B4
C037 B3
C038 B4
C039 C4
C040 B3
C041 B3
C042 B4
C043 B4
C044 B3
C047 A1
C048 B1
C0501 A2
CN001 C4
CN002 B1
D001 A1
D002 A1
D003 A4
D004 C3
D005 B1
IC001 B3
IF001 A3
IF002 A3
IF003 C3
L02 B1
L001 A2
Q001 B3
Q002 B4
Q003 A2
R001 A1
R002 B1
R004 A2
R005 B2
R006 A1
R010 C1
R011 C1
R015 B2
R016 B4
R017 C2
R018 B3
R019 C3
R020 B4
R021 C4
R023 B4
R024 B2
R025 C3
R026 C3
R027 B3
R028 B4
R029 B4
R030 B4
R032 B3
R033 A2
T001 A2
T002 A4
T003 A4
T005 C1
T006 B1
VC001 A2
VC002 B1
VD001 B1
VD002 A1
VD003 B1
VD004 C1
VR001 B2
XL1 B3
www.freeservicemanuals.info
3/2/2013
www.nostatatech.nl
World of free manuals

Related product manuals