EasyManua.ls Logo

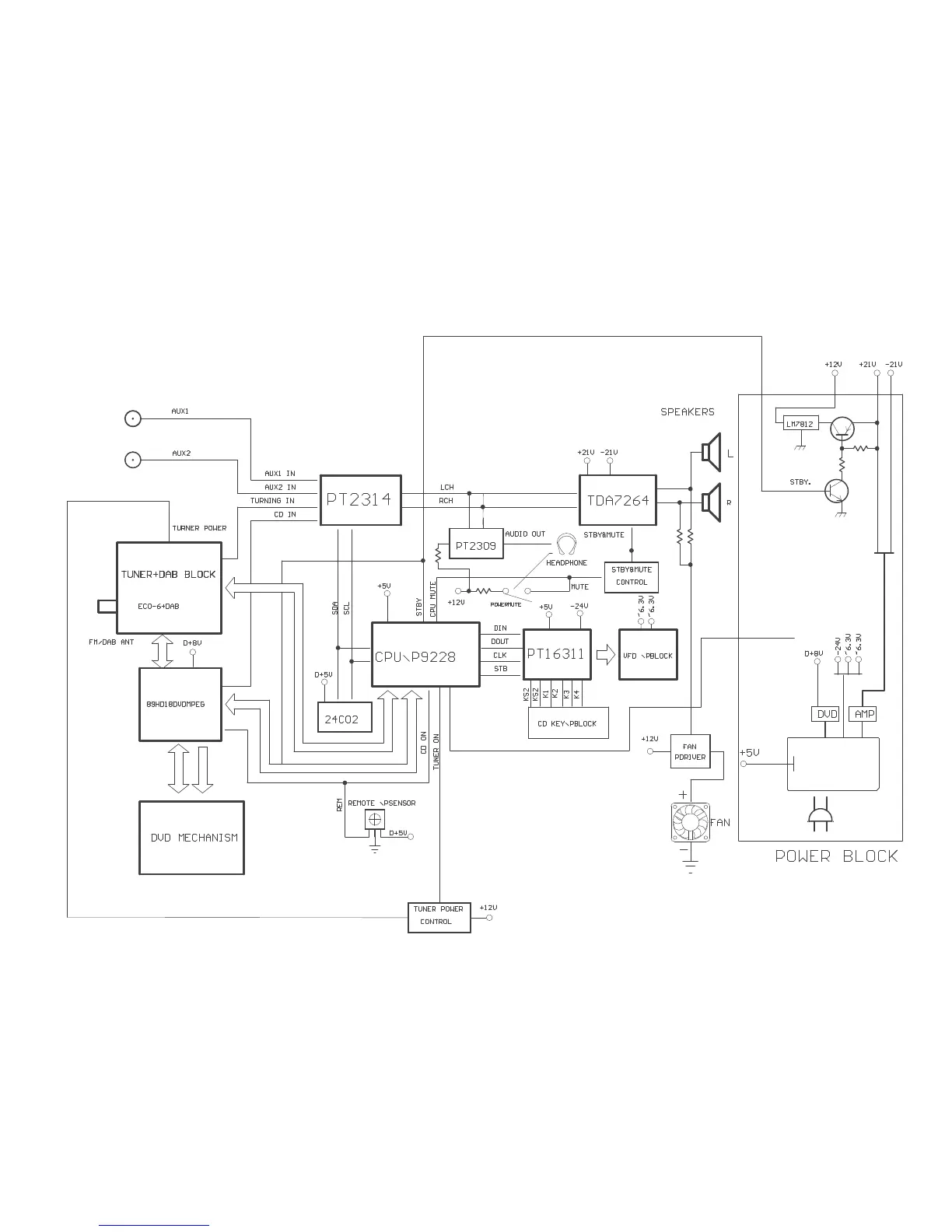
Philips MCD728 - System Block Diagram; Overall System Architecture

Philips MCD728
41 pages
Print Icon
To Next Page IconTo Next Page
To Next Page IconTo Next Page
To Previous Page IconTo Previous Page
To Previous Page IconTo Previous Page
Loading...
5 - 25 - 2
SET BLOCK DIAGRAM

Other manuals for Philips MCD728

Related product manuals