EasyManua.ls Logo

Philips MMS3160B - Page 3

Philips MMS3160B
10 pages
Print Icon
To Next Page IconTo Next Page
To Next Page IconTo Next Page
To Previous Page IconTo Previous Page
To Previous Page IconTo Previous Page
Loading...
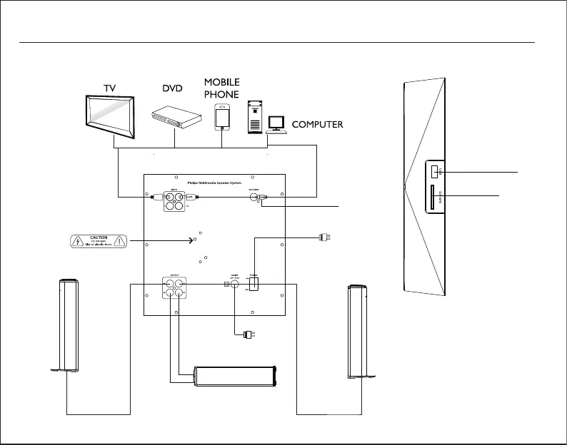
Connections
Subwoofer Back panel
Power cord
Power on/off Switch
FM Antenna
CEN
FL
FR
3
USB Slot
SD card Slot

Related product manuals