EasyManua.ls Logo

Philips MX5100VR - Page 33

Philips MX5100VR
151 pages
Print Icon
To Next Page IconTo Next Page
To Next Page IconTo Next Page
To Previous Page IconTo Previous Page
To Previous Page IconTo Previous Page
Loading...
1 1KEY 2
KEY SWITCH
CL507 CN651
FUNCTION CBA
IC571
(FIP DRIVER)
DISP-DATA
DISP-CLK
DISP-ENA
DISP-DATA
DISP-CLK
DISP-ENA
FP502
LED CLOCK
G1
G2
G3
G4
A
B
H
I
J
23
22
21
28
2
1
68
69
70
20
14
16
17
7
8
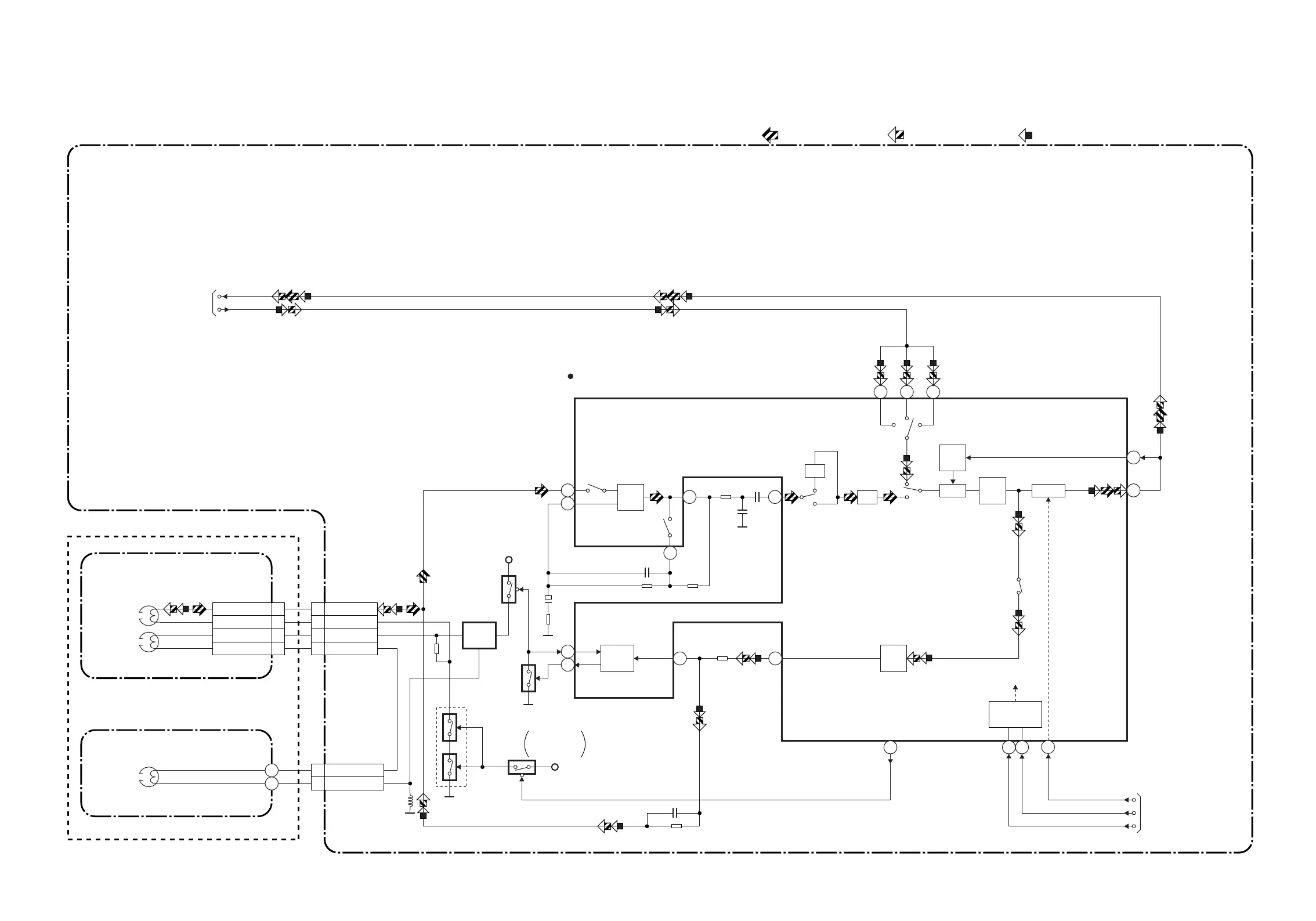
Audio Block Diagram
REC
AMP
100
3
AUTO
BIAS
2
1
+5V
+5V
Q404
Q406
BIAS
OSC
Q403
N-A-PB
TO Hi-Fi
AU
DIO BLOCK
N-A-REC
Q401
(PB=ON)
Q405
SWITCHING
D-REC-OFF
5
EQ
AMP
98
7
LINE
AMP
REC-ON
AUDIO HD-SW
CONTROL
MUTE
11
6
PB-ON
SP/LP-ON
P
TUNER IN2
IN1
R
ALC
DET
ALC
IC301
(AUDIO SIGNAL PROCESS) 1513 17
4 A-PB/REC
CL504
3 A-COM
1 AE-H
2 AE-H/FE-H
A-PB/REC 4
A-COM 3
AE-H 1
AE-H/FE-H 2
CL287
AUDIO
HEAD
AUDIO
ERASE
HEAD
ACE HEAD ASSEMBLY
FE HEAD
2 FE-H
1 FE-H-GND
CL501
1-11-5 1-11-6 E9015BLA
MAIN CBA
PB-AUDIO SIGNAL REC-AUDIO SIGNAL Mode : SP/REC
71
A-MUTE-H
IIC-BUS SCL
IIC-BUS SDA TO SERVO/SYSTEM
CONTROL BLOCK
FULL
ERASE
HEAD
68 69
SERIAL
DECODER
(DECK ASSEMBLY)
12
16
INV
ATT
DVD AUDIO SIGNAL
www.freeservicemanuals.info
10/31/2012
www.nostatech.nl
World of free manuals

Other manuals for Philips MX5100VR

Related product manuals