EasyManua.ls Logo

Philips MX5100VR - Page 34

Philips MX5100VR
151 pages
Print Icon
To Next Page IconTo Next Page
To Next Page IconTo Next Page
To Previous Page IconTo Previous Page
To Previous Page IconTo Previous Page
Loading...
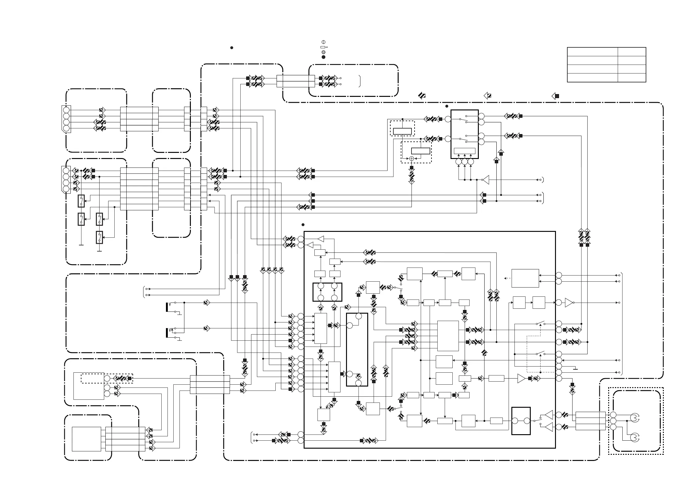
Hi-Fi Audio Block Diagram
E9015BLH1-11-7 1-11-8
REC-AUDIO SIGNALPB-AUDIO SIGNAL Mode : SP/RECDVD AUDIO SIGNAL
NOTE FOR WIRE CONNECTORS:
1. PREFIX SYMBOL "CN" MEANS CONNECTOR.
(CAN DISCONNECT AND RECONNECT.
)
2.
PREFIX SYMBOL "CL" MEANS WIRE-SOLDER
HOLES OF T
HE PCB.
(WIRE IS SOLDERED DIRECTLY.
)
TEST POINT INFORMATION
:INDICATES A TEST POINT WITH A JUMPER WIRE ACROSS A HOLE IN THE PCB.
:USED TO
INDICATE A TEST POINT WITH A COMPONENT LEAD ON FOIL SIDE.
:USED TO
INDICATE A TEST POINT WITH NO TEST PIN.
:USED TO
INDICATE A TEST POINT WITH A TEST PIN.
" " = SMD
Comparison Chart of
Models & Marks
Model Mark
MX5100VR/00
MX5100VR/05
MX5100VR/02
A
B
C
DAC CBA
48
47
61 71
62 70
14
15
78
R-CH
INSEL
L-CH
INSEL
IF SINAL
PROCESS
NOR
SW
SERIAL
DATA
DECODER
OUTPUT
SELECT
VCO
LPF
L-CH
BPF
R-CH
PNR
L-CH
PNR
LIM DEV
COMP
SW
NOISE
VCO
LPF
LIM DEV
COMP
COMP
SW
NOISE
ENV
DET
DO
DET
MIX
R-CH
BPF
P
R
R
L
P
R
HOLD
PULSE
NOISE
DET
34 33
21
76
77
74
37
38
39
75
73
26
53
24
27
N-A-REC
LIM
80
N-A-PB
Hi-Fi-H-SW
LINE-MUTE
A-MODE
TO AUDIO
BLOCK
IIC-BUS SDA
IIC-BUS SCL
TO
SERVO/ SYSTEM
CONTROL BLOCK
MAIN CBA
Hi-Fi-A(R) 7
Hi-Fi-COM 8
Hi-Fi-A(L) 9
CL251
IC451 (MTS/ SAP/ Hi-Fi AUDIO PROCESS/ Hi-Fi HEAD AMP)
AFV CBA
2
6
1
3
JK1402
A-IN2(R)
A-IN2(L)
A-OUT2(R)
A-OUT2(L)
1
3
2
6
JK101
A-OUT1(R)
A-OUT1(L)
A-IN1(R)
A-IN1(L)
TU-AUDIO(R)
11
MOD-A
20
TU-AUDIO(L)
12
11
20
12
TU-AUDIO(R)
4
SIF
2
TU-AUDIO(L)
5
4
2
5
TU-AUDIO
11
CN1
CN701
21
22
2
ALC
SW
SW
ALC
67
65
Q451
MUTE-ON
MUTE-ON
A-MUTE(R)
A-MUTE(L)
2CH(R)
2CH(L)
JK754
A-IN(R)-F
JK753
A-IN(L)-F
IC751 (SW)
13
12
14
15
1
2
11109
SW CTL
BUFFER
BUFFER
Q107
Q108
Q752
VCR
DVD
VCR
DVD
OUTPUT-SELECT
DVD-A-OUT(R)
DVD-A-OUT(L)
TO DVD AUDIO
BLOCK
<DVD SECTION>
TO SERVO
/SYSTEM
CONTROL
BLOCK
50
60
58
2
52
56
6
10
4
12
54
8
JACK-B CBA
JACK-A CBA
2CH (R)
4
2CH (L)
2
4
2
A-OUT1(R)
4
A-OUT1(L)
5
4
5
A-IN1(R)
7
A-IN1(L)
8
7
8
A-MUTE(R)
1
A-MUTE(L)
2
1
2
OUTPUT-SELECT
33
CN2017
CN7104
CL2018
CN2018CN2120CL2119
CN7103
CN2118
Hi-Fi
AUDIO
(R)
HEAD
Hi-Fi
AUDIO
(L)
HEAD
CYLINDER
ASSEMBLY
(DECK ASSEMBLY)
TUNER CBA
CN703
AUDIO OUT
TU701(TUNER UNIT)
AUDIO-IN
SIF OUT
4
5
7
8
4
5
1
2
4
5
1
2
1
2
3
4
5
7
8
1
2
3
JUNCTION
-A CBA
CL2116CN2115
JUNCTION
-B CBA
Q111
Q112 Q113
Q114
TO AUDIO AMP
BLOCK
TO DVD AUDIO
BLOCK
<
DVD SECTION>
A-IN2(R)
4
A-IN2(L)
5
4
5
A-OUT2(R)
1
A-OUT2(L)
2
1
2
87%
CN702
A,B
A,B
A,B
DAC CBA
48
47
61 71
62 70
14
15
78
R-CH
INSEL
L-CH
INSEL
IF SINAL
PROCESS
NOR
SW
SERIAL
DATA
DECODER
OUTPUT
SELECT
VCO
LPF
L-CH
BPF
R-CH
PNR
L-CH
PNR
LIM DEV
COMP
SW
NOISE
VCO
LPF
LIM DEV
COMP
COMP
SW
NOISE
ENV
DET
DO
DET
MIX
R-CH
BPF
P
R
R
L
P
R
HOLD
PULSE
NOISE
DET
34 33
21
76
77
74
37
38
39
75
73
26
53
24
27
N-A-REC
LIM
80
N-A-PB
Hi-Fi-H-SW
LINE-MUTE
A-MODE
TO AUDIO
BLOCK
IIC-BUS SDA
IIC-BUS SCL
TO
SERVO/ SYSTEM
CONTROL BLOCK
MAIN CBA
Hi-Fi-A(R) 7
Hi-Fi-COM 8
Hi-Fi-A(L) 9
CL251
IC451 (MTS/ SAP/ Hi-Fi AUDIO PROCESS/ Hi-Fi HEAD AMP)
AFV CBA
2
6
1
3
JK1402
A-IN2(R)
A-IN2(L)
A-OUT2(R)
A-OUT2(L)
1
3
2
6
JK101
A-OUT1(R)
A-OUT1(L)
A-IN1(R)
A-IN1(L)
TU-AUDIO(R)
11
MOD-A
20
TU-AUDIO(L)
12
11
20
12
TU-AUDIO(R)
4
SIF
2
TU-AUDIO(L)
5
4
2
5
TU-AUDIO
11
CN1 CN701
21
22
2
ALC
SW
SW
ALC
67
65
Q451
MUTE-ON
MUTE-ON
A-MUTE(R)
A-MUTE(L)
2CH(R)
2CH(L)
JK754
A-IN(R)-F
JK753
A-IN(L)-F
IC751 (SW)
13
12
14
15
1
2
11109
SW CTL
BUFFER
BUFFER
Q107
Q108
Q752
VCR
DVD
VCR
DVD
OUTPUT-SELECT
DVD-A-OUT(R)
DVD-A-OUT(L)
TO DVD AUDIO
BLOCK
<DVD SECTION>
TO SERVO
/SYSTEM
CONTROL
BLOCK
50
60
58
2
52
56
6
10
4
12
54
8
JACK-B CBA
JACK-A CBA
2CH (R)
4
2CH (L)
2
4
2
A-OUT1(R)
4
A-OUT1(L)
5
4
5
A-IN1(R)
7
A-IN1(L)
8
7
8
A-MUTE(R)
1
A-MUTE(L)
2
1
2
OUTPUT-SELECT
33
CN2017
CN7104
CL2117
CN2018CN2120CL2119
CN7103
CL2118
Hi-Fi
AUDIO
(R)
HEAD
Hi-Fi
AUDIO
(L)
H
EAD
CYLINDER
ASSEMBLY
(DECK ASSEMBLY)
TUNER CBA
CN703
AUDIO OUT
TU701(TUNER UNIT)
AUDIO-IN
SIF OUT
4
5
7
8
4
5
1
2
4
5
1
2
1
2
3
4
5
7
8
1
2
3
JUNCTION
-A CBA
CL2116CN2115
JUNCTION
-B CBA
Q111
Q112 Q113
Q114
TO AUDIO AMP
BLOCK
TO DVD AUDIO
BLOCK
<
DVD SECTION>
A-IN2(R)
4
A-IN2(L)
5
4
5
A-OUT2(R)
1
A-OUT2(L)
2
1
2
CN702
A,B
A,B
A,B
www.freeservicemanuals.info
10/31/2012
www.nostatech.nl
World of free manuals

Other manuals for Philips MX5100VR

Related product manuals