EasyManua.ls Logo

Philips MX5100VR - Page 52

Philips MX5100VR
151 pages
Print Icon
To Next Page IconTo Next Page
To Next Page IconTo Next Page
To Previous Page IconTo Previous Page
To Previous Page IconTo Previous Page
Loading...
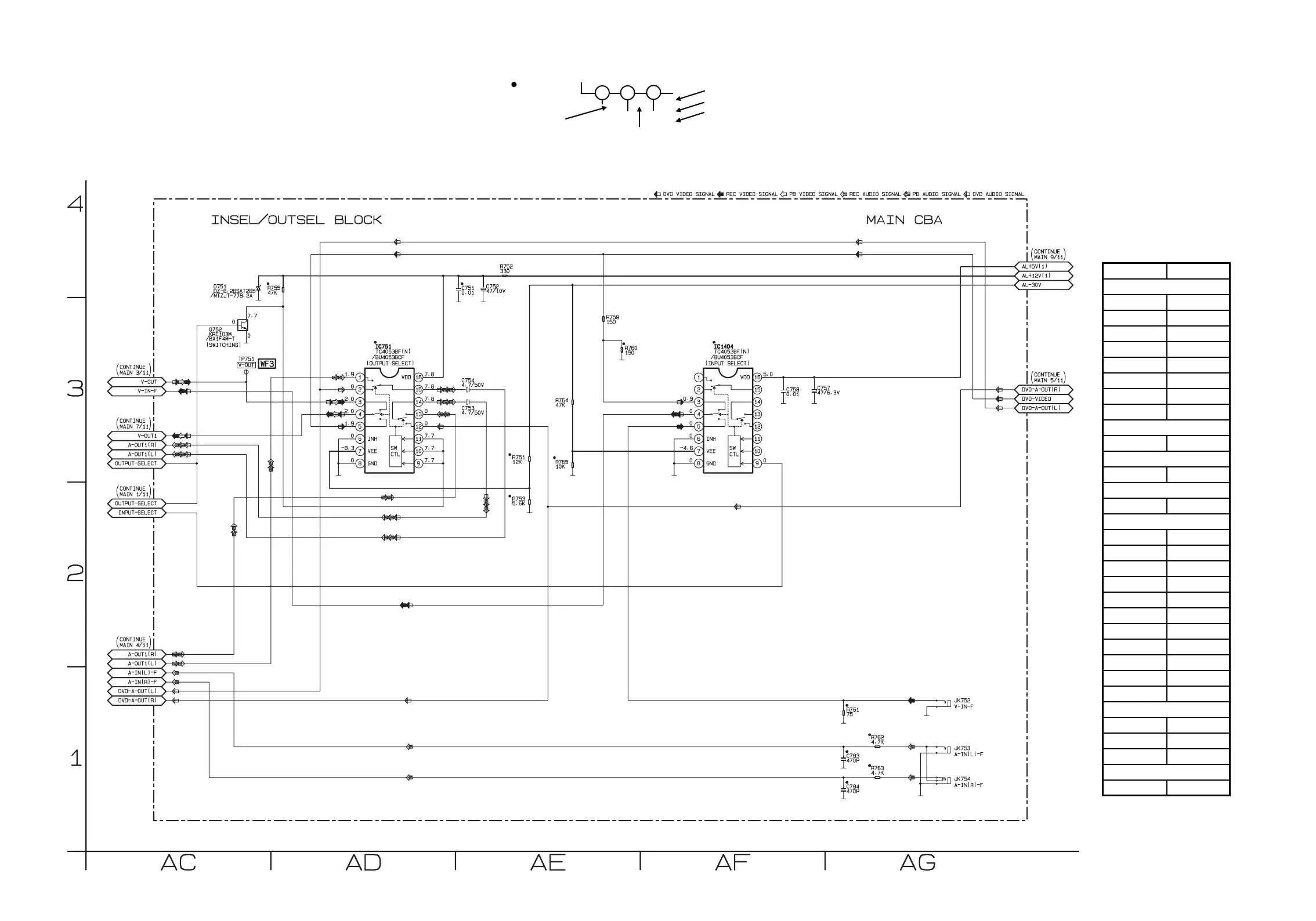
Main 6/11 Schematic Diagram < VCR Section >
1-12-17
1-12-18
E9015SCM6
ā€œ ā€œ = SMD
THE SAME VOLTAGE FOR BOTH
PLAY, REC & DVD MODES.
INDICATES THAT THE VOLTAGE
IS NOT CONSISTENT HERE.
PLAY MODE
REC MODE
1
2
3
5.0
5.0
(2.5)
<5.0>
~
DVD MODE
MAIN 6/11 Schematic Diagram
Parts Location Guide
Ref No. Position
C751 AE-4
C752 AE-4
C753 AE-3
C754 AE-3
C757 AF-3
C758 AF-3
C783 AG-1
C784 AG-1
D751 AC-4
IC751 AD-3
Q752 AC-3
R751 AE-3
R752 AE-4
R753 AE-2
R755 AD-4
R759 AE-3
R760 AE-3
R761 AG-1
R762 AG-1
R763 AG-1
R764 AE-3
R765 AE-3
JK752 AG-1
JK753 AG-1
JK754 AG-1
TP751 AC-3
CAPACITORS
DIODE
IC
TRANSISTOR
RESISTORS
MISCELLANEOUS
TEST POINT
www.freeservicemanuals.info
10/31/2012
www.nostatech.nl
World of free manuals

Other manuals for Philips MX5100VR

Related product manuals