EasyManua.ls Logo

Philips MX5100VR - Page 77

Philips MX5100VR
151 pages
Print Icon
To Next Page IconTo Next Page
To Next Page IconTo Next Page
To Previous Page IconTo Previous Page
To Previous Page IconTo Previous Page
Loading...
1-12-65
1-12-66
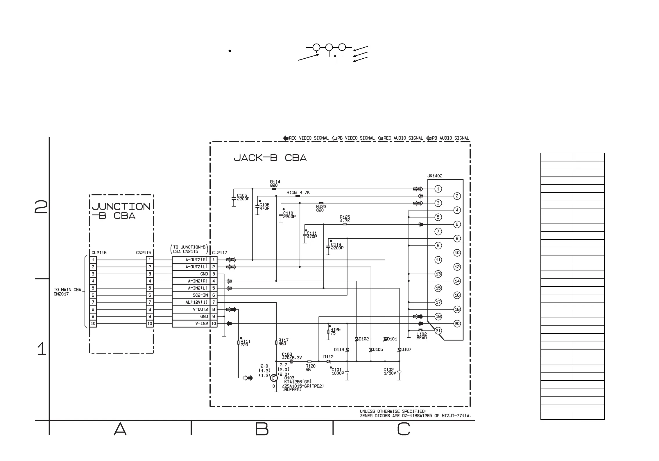
JACK-B & Junction-B Schematic Diagram < VCR Section >
E9015SCJB
JACK-B Schematic Diagram
Parts Location Guide
Ref No. Position
C101 C-1
C102 C-1
C105 B-2
C106 B-2
C108 B-1
C110 B-2
C111 B-2
C119 B-2
CL2117 A-2
D101 C-1
D102 C-1
D105 C-1
D107 C-1
D112 B-1
D113 C-1
L102 C-1
Q103 B-1
R111 B-1
R114 B-2
R117 B-1
R118 B-2
R120 B-1
R123 B-2
R125 C-2
R126 B-1
JK1402 C-2
CONNECTOR
CAPACITORS
DIODES
RESISTORS
TRANSISTOR
COIL
MISCELLANEOUS
ā€œ ā€œ = SMD
THE SAME VOLTAGE FOR BOTH
PLAY, REC & DVD MODES.
INDICATES THAT THE VOLTAGE
IS NOT CONSISTENT HERE.
PLAY MODE
REC MODE
1
2
3
5.0
5.0
(2.5)
<5.0>
~
DVD MODE
www.freeservicemanuals.info
10/31/2012
www.nostatech.nl
World of free manuals

Other manuals for Philips MX5100VR

Related product manuals