EasyManua.ls Logo

Philips MX5100VR - Page 90

Philips MX5100VR
151 pages
Print Icon
To Next Page IconTo Next Page
To Next Page IconTo Next Page
To Previous Page IconTo Previous Page
To Previous Page IconTo Previous Page
Loading...
7330
TDA7468
16
10
19
11
18
27
13
28
3
26
4
25
5
24
6
23
8
21
2
7
22
12
17
14
15
9
20
1
VOLUME I
RIGHT
SUR.
SOURCE
SUPPLY
POWER
SELECTOR
TREBLE
LEFT
VOLUME II
LOGIC
LEFT
REC
IIC BUS
BASS ALC
BASS
LEFT
VOLUME I
LEFT
SUR.
TREBLE
RIGHT
VOLUME II
RIGHT
BASS
RIGHT
TDA7468
7331
16
10
19
11
18
27
13
28
3
26
4
25
5
24
6
23
8
21
2
7
22
12
17
14
15
9
20
1
VOLUME I
RIGHT
SUR.
SOURCE
SUPPLY
POWER
SELECTOR
TREBLE
LEFT
VOLUME II
LOGIC
LEFT
REC
IIC BUS
BASS ALC
BASS
LEFT
VOLUME I
LEFT
SUR.
TREBLE
RIGHT
VOLUME II
RIGHT
BASS
RIGHT
4.7V
4.7V
13
A
B
C
D
E
F
G
H
A
B
C
D
E
F
G
H
1231 C13
1238 E13
2300 C2
2301 A6
2302 A9
2303 A8
2304 G2
2305 E6
2306 E8
2307 E9
2310 D4
2311 D4
2312 H3
4.7V
4.7V
4.7V
4.7V
4.7V
4.7V
Component under item 1380
12345678910111213
123456789101112
4.9V
4.7V
2313 H4
2316 H6
2317 H7
2318 H7
2320 B2
2321 C2
2322 F2
2323 G2
2340 B4
2341 F4
2342 B2
2343 F2
2344 C2
2345 F2
2350 C2
2351 D6
2352 C9
2353 C8
2354 G2
2355 G6
2356 H8
2357 G9
2360 D4
2361 D4
2362 H4
2363 H4
2381 F10
2386 G8
4.7V
TO AMP PCB
4.7V
4.7V
4.7V
4.7V
2387 F8
2388 F8
2389 F8
2390 C9
2391 C8
2392 C8
2393 B8
2394 E4
2395 E3
2396 E3
2397 B4
2398 B4
2399 B3
3103 A9
3300 B3
3301 C3
3302 A7
3303 A8
3304 E9
3306 G3
3307 E3
3308 E8
3315 E9
3316 D7
3318 B3
3321 F3
4.7V
4.9V
4.9V
4.7V
4.7V
Provision in layout only
4.7V
*
3342 B1
3343 F1
3344 C1
3345 F1
3346 B1
3347 F1
3348 C1
3349 G1
3350 C3
3351 A3
3352 D7
3353 C8
3354 C9
3356 G3
3357 D3
3358 H8
3360 H9
3366 H6
3368 C3
3369 H7
3370 F3
3384 F11
3389 F11
3393 F8
*
4.7V
4.7V
4.7V
3394 F8
3395 B9
3396 B9
7301 F9
7334 E10
T333 G13
T334 C12
T335 C13
T336 C12
T337 C13
T338 C12
T339 C13
T340 D13
T342 D13
4.7V
4.7V
4.7V
4.7V
AMP_Ls
AMP_C
DC voltage measured in DISC mode PLAY
4.7V
4.1V
4.9V
4.7V
4.7V
4.7V
AMP_Rs
4.7V
4.1V
#
4.7V
3318
GND_S
T334
GND_S
10
2
1231
FE-BT-VK-N
1
2355
100p
3315
1K
GND_SUB
1n
2341
2K2
3304
GND_S
GND_S
GND_D
3368
T333
1K
1K
T338
1
10
11
12
13
2
3
4
5
6
7
8
9
1238
FE-BT-VK-N
3n3
T340
3349
33K
2323
2353
GND_SUB
GND_SUB
100p
GND_S
100p
2310
33K
3347
1K
3389
330p
2322
T336
2320
3n3
3346
33K
2304
1u0
1K
3302
3357
1K
100p
2387
2K2
3354
GND_SUB
3301
1K
3n3
2321
2343
1u
2350
100n
GND_SUB
GND_SUB
GND_SUB
1K
3356
GND_S
GND_SUB
GND_SUB
2398
22n
1K
3344
2397
47u
5K6
3369
100n
2300
2301
3352
1K
4n7
2393 470n
15K
3343
GND_D
GND_LR
GND_S
GND_S
3
4
5
6
7
8
9
GND_SUB
2344
1u
3394
1K
470n
2317
3353
100R
GND_SUB
2316
220n
2363
100p
GND_SUB
GND_SUB
47u
2399
100p
2361
GND_S
3307
1K
100p
2360
100p
470n
2389
2391
47u
2396
GND_S
1K
GND_SUB
GND_S
3395
1K
3342
1K
3370
3316
1K
2306
100p
8K2
3366
22n
2395
47u
2394
BC857B
2311
100p
1K
3350
7334
50V
2381
4u7
1K
T342
3306
1K
GND_S
3300
3308
GND_S
GND_S
100R
GND_S
2307
1u
22K
3360
100p
2313
GND_SUB
2312
100p
GND_D
2305
4n7
2CH_GND
3396
1K
100n
2390
2352
1u
1K
3321
1K
100p
2362
3393
2K2
GND_S
7301
BC847B
3103
1u0
2354
1u
2318
2302
1u
2388
100p
GND_S
2357
1u
3345
1K
T335
GND_S
T337
T339
100n
2386
3358
220R
GND_SUB
GND_S
GND_SUB
3348
2356
10u
GND_S
33K
GND_SUB
2303
100p
4n7
2351
GND_SUB
3351
2392
100p
1K
1u
2342
2340
1n
3384
10K
1u
2345
3303
100R
6CH_RS
6CH_L
FREQ_HOP
AMP_ON_LRCS
AMP_ON_S
NTC
2CH_6CH
SUBW
CTR
+5V_MUTE_1
6CH_LS
+9V4
I2C_DATA
I2C_CLKS
I2C_DATA
I2C_CLKC
MUTE_C
+9V4
LINE_L
LINE_R
LINE_L
LINE_R
6CH_RS
6CH_CTR
6CH_SUB
2CH_L
2CH_R
6CH_R
6CH_SUB
6CH_CTR
6CH_LS
1-12-91
1-12-92
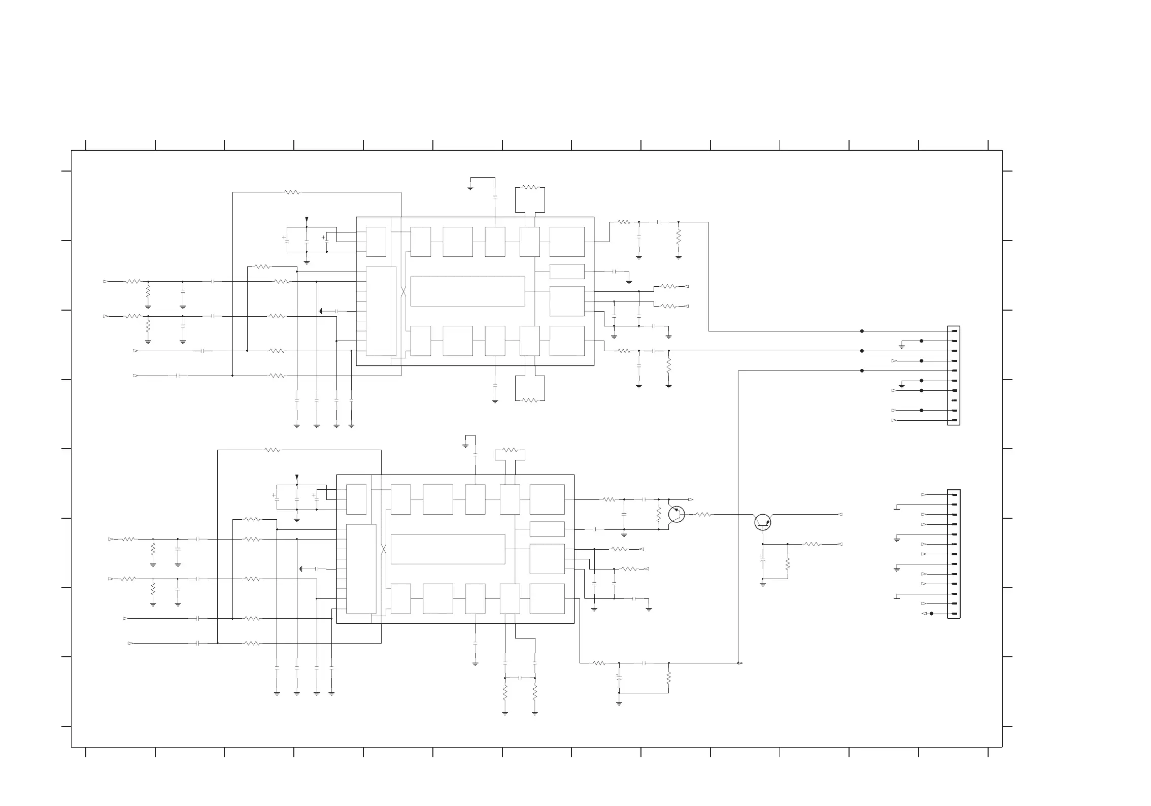
AF 3/4 Schematic Diagram < AMP UNIT Section >
E9015SCAF3
www.freeservicemanuals.info
10/31/2012
www.nostatech.nl
World of free manuals

Other manuals for Philips MX5100VR

Related product manuals