EasyManua.ls Logo

Philips PL22.06 - Power Supply Block Diagram

Philips PL22.06
60 pages
Print Icon
To Next Page IconTo Next Page
To Next Page IconTo Next Page
To Previous Page IconTo Previous Page
To Previous Page IconTo Previous Page
Loading...
9-5
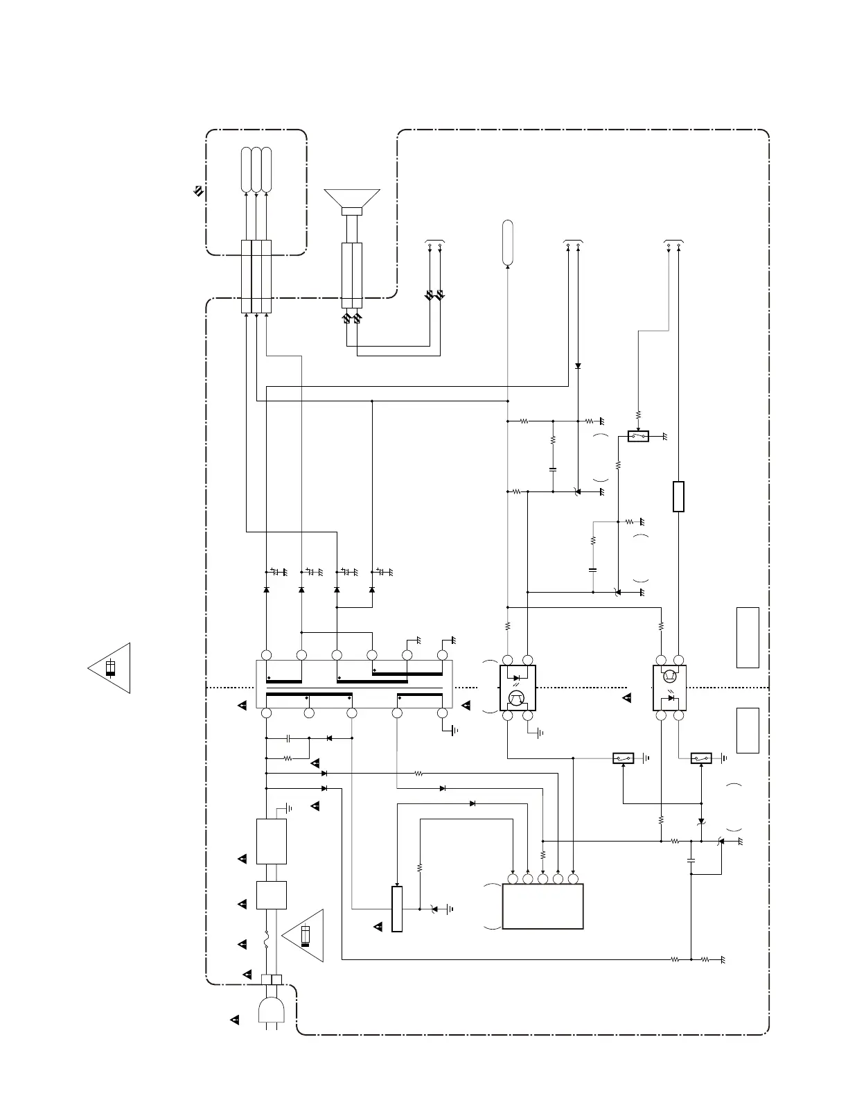
5. Power Supply Block Diagram
COLD
1
4
3
2
L601
CN601
D601- D604
Q601
SWITCHING
D607 D605
4A 250V
F601
4A/250V
Q653
P-ON-H2
P-ON+21V
AMP+13V
P-ON+13V
W
B
IC602
AC601
AC CORD
LINE
FILTER
BRIDGE
RECTIFIER
HOT
POWER SUPPLY CBA
TO
SYSTEM CONTROL
BLOCKDIAGRAM
HOT CIRCUIT. BE CAREFUL.
T601
12
11
10
9
8
7
6
3
5
2
1
VLED
ILED
TO
LED BACKLIGHT DRIVE
BLOCK DIAGRAM
DIGITAL MAIN CBA UNIT
CN3601
P-ON+21V1-3
P-ON+13V7-9
19-21
25-27
22-24
CN651
AMP+13V
4-6
P-ON+13V
FB
IC601
2
IS
3
OUT
5
VCC
6
VH
8
SWITCHING
CONTROL
IC661
AUDIO SIGNAL
1 4
32
CN652
2
SP(R)-
1
SP(R)+
SP652
SPEAKER
R-CH
IC1603
(ISOLATOR)
Q603
Q604
IC604
SHUNT
REGULATOR
SHUNT
REGULATOR
ERROR
VOLTAGE DET
IC660
SHUNT
REGULATOR
Q660
RESET
RESET
SP(R)-
SP(R)+
TO
SYSTEM CONTROL
BLOCKDIAGRAM
NOTE:
The voltage for parts in hot circuit is measured using
hot GND as a common terminal.
For continued protection against risk of fire,
replace only with same type 4A, 250V fuse.
CAUTION ! :
ATTENTION : Utiliser un fusible de rechange de même type de 4A, 250V.
4A 250V
CAUTION !
Fixed voltage (or Auto voltage selectable) power supply circuit is used in this unit.
If Main Fuse (F601) is blown , check to see that all components in the power supply
circuit are not defective before you connect the AC plug to the AC power supply.
Otherwise it may cause some components in the power supply circuit to fail.
PL22.06BLP

Related product manuals