EasyManua.ls Logo

Philips PL22.06 - Power Supply Schematic Diagram

Philips PL22.06
60 pages
Print Icon
To Next Page IconTo Next Page
To Next Page IconTo Next Page
To Previous Page IconTo Previous Page
To Previous Page IconTo Previous Page
Loading...
10-3
Power Supply Schematic Diagram
4
32
1
IC602
EL817M
CN1001
1 VLED1
2 ILED1
1N5406BRV
D601
1N5406BRV
D603
1N5406BRV
D602
1N5406BRV
D604
D653
SB3A0BRV
BC601
BEAD
W
L601
LINE
FILTER
CN601
B
VARISTOR
SA601
AC601
AC CORD
1.2M
/1/2W
R601
4A/250V
F601
2200P
/2KV
C609
RS1JJTD
D606
1 P-ON+21V
11 GND
22 GND
14 GND
12 GND
18 P-ON-H2
10 GND
2 P-ON+21V
19 BACKLIGHT-SW
7 P-ON+13V
5 AMP+13V
BACKLIGHT-ADJ17
20 RESET
4 AMP+13V
6 AMP+13V
3 P-ON+21V
21 PROTECT3(NU)
9 P-ON+13V
15 GND
23 GND
16 AL+3.3V(NU)
8 P-ON+13V
13 GND
3 VLED2
4 ILED2
OPEN
D658
D651
SB3A0BRV
47K
R663
Q751
AP18T10AGH-HF
G
D
S
0.022
C753
IC752
AZ431LBNTR-G1
KTA2014/PA GR
Q757
0.22
/275V
C614
0.47
/275V
C604
470P
/250V
C618
470P
/250V
C624
BC602
BEAD
BC603
BEAD
2200P
/2KV
C629
2.2K
R773
10K
R778
5.6
R780
OPEN
C659
10
R776
82
R775
4A 250V
TH601
THERMISTOR
T601
POWER TRANS
1
2
3
6
5
12
11
10
9
8
7
100K
R613
100K
R614
270
/250V
C611
270
/250V
C613
270
/250V
C605
47
R610
OPEN
C607
47/25V
C616
270
R617
5
6
7
81
4
3
2
IC601
FA5640N-C6-TE3
ZCD
GND OUT
VCC
NU
VH
IS
FB
220P
C608
0.1
C612
1K
R603
100P
C622
22K
R612
RB520SM-30
D609
11K
R629
SMFZ36V-RTK
D608
0.18
/2W
R618
RS1GJTD
D616
TK10A60W
Q601
G
D
S
180
R606 47
R609
10
R602
BC606
BEAD
BC607
BEAD
220P
/2KV
C606
330K
R624
0.01
C610
0.18
/2W
R611
33K
R628
1N4005FB
D605
3.3K
R621
3.3K
R622
3.3K
R623
1000P/250V
C617
1000P/250V
C602
68
/250V
C751
D751
MUR460GBRV
D752
TFZVTR27B
D753
TFZVTR27B
D755
TFZVTR27B
D754
TFZVTR27B
D756
TFZVTR27B
6.8K
R764
6.8K
R765
6.8K
R766
6.8K
R767
D757
MM5Z36B
220K
R768
10
R774
Q752
AP05N20GH-HF
G
D
S
2.2K
R779
OPEN
C754
2.2K
R777
MM5Z8V2B
D760
15K
R756
47K
R763
1
R760
1
C752
10K
R761
10K
R762
KTA2014/PA GR
Q755
MMBTSC3875G
Q756
MMBTSC3875G
Q754
MMBTSC3875G
Q753
47K
R758
10K
R757
1.5K
R754
1.5K
R753
1.5K
R752
15K
R751
36K
R772
36K
R771
MMBTSC3875G
Q660
1000
/25V
C658
1000
/25V
C651
560
R683
TFZVTR18B
D677
1000
/16V
C653
1000
/16V
C657
D655
SB3A0BRV
220
R655
220
R654
3.9K
R657
100P
C669
5.6K
R661
10
C666
1
C667
OPEN
C668
10
C660
270
R658
56K
R659
8.2K
R660
D759
RB520SM-30
D758
RB520SM-30
RB520SM-30
D660
MMBTSC3875G
Q653
10K
R668
2.2K
R669
10/16V
C999
47K
R755
BEAD
BC609
BC608
BEAD
BEAD
BC610
100K
R615
100K
R616
1N4005FB
D607
MM5Z5V6B
D613
2200P
C631
IC604
AS431BNTR
-E1
22K
R636
47K
R640
MMBTSC3875G
Q603
18K
R638
47K
R637
0.1
C632
MMBTSC3875G
Q604
47K
R639
470K
R631
470K
R633
470K
R632
5.6K
R635
33K
R634
0.1
/275V
C630
220P
/2KV
C755
BC751
BEAD
220P
/2KV
C757
220K
R770
220K
R769
0.01
C756
5.6
R785
5.6
R786
5.6
R781
5.6
R787
5.6
R782
5.6
R789
5.6
R784
5.6
R788
5.6
R783
BC651
BEAD
1000
/25V
C652
47K
R670
2.2K
R672
22K
R671
D661
1SS400ST
D662
1SS400ST
0.1
C662
47K
R664
IC661
AS431BNTR-E1
IC660
AS431BNTR-E1
47K
R656
1000P
C676
270
R662
10K
R673
1.5K
R667
12K
R666
MMBTSC3875G
Q657
10K
R687
47K
R688
24 SP(R)-
26 SP(R)-
25 SP(R)+
CN651
27 SP(R)+
2 SP(R)-
SP652
SPEAKER
R-CH
CN652
1 SP(R)+
47K
R759
GP002
OPEN
MM5Z27B
D672
MM5Z27B
D671
1000P/250V
C619
OPEN
R790
4
32
1
IC603
EL817M
47
R641
BC611
OPEN
47P
C670
GP003
EARTH PLATE
GP001
EARTH PLATE
4
3
1
2
0
3.2
ERROR
VOLTAGE DET
12.5
13.5
HOT CIRCUIT. BE CAREFUL.
A FBCDE G
HOT COLD
153.0
77.2
TO LCD PANEL
ASSEMBLY
POWER SUPPLY CBA
(SWITCHING)
TO DIGITAL MAIN
CBA UNIT CN3601
0
0
0
0
0
0
77.2
4.8
1.3
6.6
6.6
0
1.3
13.6 13.6
12.9
5.9
3.4
3.6
3.4
13.7
18.5
18.5
(SW+13V)
SHUNT
REGULATOR
0
0
18.0
6.4
0.2
(SWITCHING)
0.3
SWITCHING
CONTROL
22.3
20.3
170.0
3.2
0
390.0
4.8
12.4
(SWITCHING)
5.1
0
(SWITCHING)
13.7
(SW+13V)
13.7
13.1
0.7
0
0
LED
BACKLIGHT
DRIVE
0.7
0
0
LED
BACKLIGHT
CONTROL
12.4
0
0.3
(RESET)
5.7
1.3
12.1
0
(SWITCHING)
0
0.7
0
0
5.1
13.7
13.7
13.9
13.9
13.9
18.5
17.7
(SWITCHING)
0
17.7
0
0
2.6
2.0
SHUNT
REGULATOR
18.5
0
3.2
0
(SWITCHING)
1.3
12.1
0
SHUNT
REGULATOR
SHUNT
REGULATOR
(SWITCHING)
0
0.7
0
13.3
0.3
12.5
12.5
12.5
12.5
HEAT SINK
(ISOLATOR)
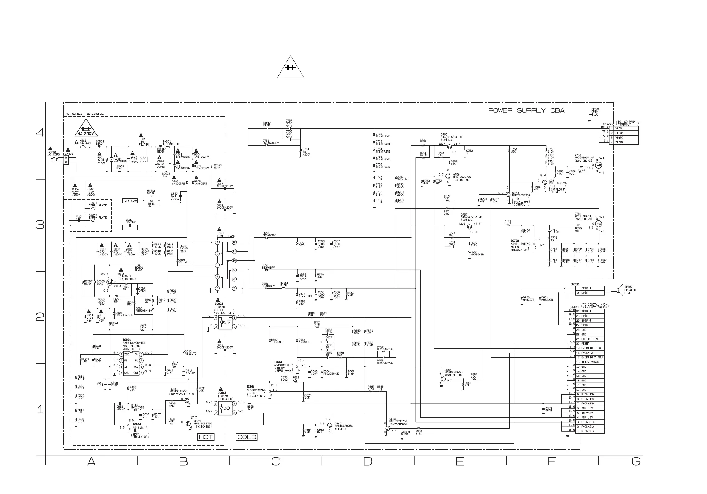
For continued protection against risk of fire,
replace only with same type 4A, 250V fuse.
CAUTION ! :
ATTENTION : Utiliser un fusible de rechange de même type de 4A, 250V.
4A 250V
NOTE:
The voltage for parts in hot circuit is measured using
hot GND as a common terminal.
CAUTION !
Fixed voltage (or Auto voltage selectable) power supply circuit is used in this unit.
If Main Fuse (F601) is blown , check to see that all components in the power supply
circuit are not defective before you connect the AC plug to the AC power supply.
Otherwise it may cause some components in the power supply circuit to fail.
PL22.06SCP

Related product manuals