EasyManua.ls Logo

Philips PL22.06 - Page 47

Philips PL22.06
60 pages
Print Icon
To Next Page IconTo Next Page
To Next Page IconTo Next Page
To Previous Page IconTo Previous Page
To Previous Page IconTo Previous Page
Loading...
10-11
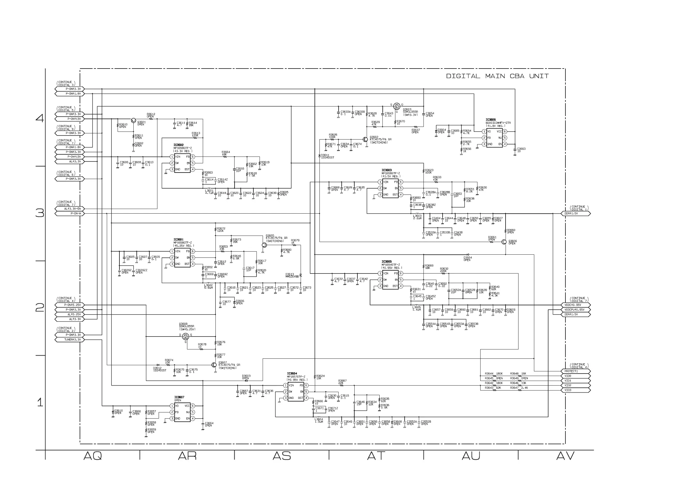
Digital Main 8 Schematic Diagram
10
C3639
10
C3608
C3618
10
1
C3614
10P
C3616
10
C3606
33K
R3662
C3620
10
7.5K
R3618
L3601
4.7uH
18K
R3664
10
C3624
13K
R3619
1
2
34
5
6
IC3602
MP1658GTF-Z
VIN
SW
GND BST
EN
FB
10
R3663
C3622
10
D3602
OPEN
OPEN
Q3601
OPEN
R3610
OPEN
R3611
OPEN
R3612
P-ON+3.3V
P-ON+13V
0.1
C3610
D3605
OPEN
120K
R3613
4.7
C3611
39K
R3614
P-ON-H
KTC4075/PA GR
Q3602
Q3603
SSM3J355R
G
D
S
0.1
C3674
10
R3670
0.01
C3643
47K
R3629
4.7K
R3628
OPEN
C3634
OPEN
C3633B
100K
R3626
OPEN
R3637
OPEN
C3654
AL+5.25V
1
2
34
5
6
IC3606
BD00IC0WHFV-GTR
VO
FB
GND EN
NU
VCC
10
C3663
4.7K
R3654
2.7K
R3655
1K
R3656
10
C3665
D3904
OPEN
1
2
34
5
6
IC3605
MP1654GTF-Z
VIN
SW
GND BST
EN
FB
C3659
10
4.7
C3632
C3657
10
0.22
C3640
220K
R3632
10
C3661
L3605
1.4uH C3660
10
22P
C3652A
10
R3631
12K
R3639
1
C3645
OPEN
C3637
4.7
C3642
62K
R3640
4.3K
R3641
OPEN
C3670 D3609
OPEN10
C3662
180KR3642 13KR3646
62KR3643 2.4KR3647
VID2
VID3
VID0
VID1
OPENR3649
180KR3644 16KR3648
OPENR3645
OPEN
R3661
OPEN
Q3606
OPEN
R3660
PROTECT1
DDR+1.5V
P-ON+3.3V
P-ON+3.3V
P-ON+13V
AL+3.3V
P-ON+3.3V
P-ON+3.3V
AL+3.3V
P-ON+3.3V
0.1
C3633A
47K
R3671
D3611
1SS400ST
18K
R3669
OPEN
C3668
10
R3650
10P
C3653
1
2
34
5
6
IC3603
MP1658GTF-Z
VIN
SW
GND BST
EN
FB
1
C3638
47K
R3630
4.7
C3635
4.7
C3629
43K
R3633
L3603
2.2uH
33K
R3638
8.2K
R3651
0.1
C3628A
100K
R3623
C3404
OPEN
C3644
10
C3655
OPEN
C3650
OPEN
D3607
OPENOPEN
C3648
10
R3666
L3604
1.5uH
1
2
34
5
6
IC3604
MP1657GTF-Z
VIN
SW
GND BST
EN
FB
22K
R3667
1
C3671
10K
R3624
OPEN
C3667
4.7
C3631
4.7
C3636
C3658
OPEN
C3656
OPEN
D3608
OPENOPEN
C3651C3649
10
C3647
OPEN
OPEN
C3630
15P
C3646
5.6K
R3636
12K
R3634
62K
R3635
10
R3652
10
C3607
10
C3673
4.7K
R3620
33K
R3617
10
C3672
6.8K
R3616
33K
R3653
0.1
C3609
1
C3669
10P
C3617
10
C3605
1
2
34
5
6
IC3601
MP1658GTF-Z
VIN
SW
GND BST
EN
FB
10
C3627C3623
10
C3619
10 10
C3625C3621
10
OPEN
C3612
L3602
6.8uH
120K
R3672
P-ON+1.8V
P-ON+1.8V
P-ON+3.3V
P-ON+5.25V
OPEN
C3628B
OPEN
C3638Z
OPEN
C3645Z
OPEN
C3671Z
OPEN
C3669Z
OPEN
C3614Z
C3533A
OPEN
C3533B
1
C3438
OPEN
0.22
C3692
OPEN
C3652B
OPEN
C3551A
OPEN
C3551B
OPEN
C3553A
OPEN
C3553B
0.1
C3615
OPEN
C3552A
OPEN
C3552B
39K
R3673
10
C3677
D3606
OPEN
MM5Z6V8B
D3613
1K
R3679
4.7K
R3680
KTC4075/PA GR
Q3605
OPEN
C3609Z
OPEN
C3609ZZ
AL+3.3V-EN
0.1
C3675
KTC4075/PA GR
Q3607
18K
R3676
D3612
1SS400ST
10K
R3674
33K
R3677
10K
R3675
OPEN
R3658
OPEN
C3664
OPEN
R3657
TUNER+3.3V
1
2
34
5
6
IC3607
OPEN
VO
FB
GND EN
NU
VCC
D3610
OPEN
OPEN
R3659
OPEN
C3666
Q3608
SSM3J355R
G
DS
10
R3678
DDR+1.5V
VDDCPU+0.95V
VDDC+0.95V
D3604
OPEN
D3603
OPEN
AVAUATASARAQ
4
3
1
2
DIGITAL MAIN CBA UNIT
(SWITCHING)
(+3.3V REG.)
CONTINUE
DIGITAL 3
(SW+3.3V)
(+0.95V REG.)
CONTINUE
DIGITAL 4
CONTINUE
DIGITAL 2
CONTINUE
DIGITAL 7
CONTINUE
DIGITAL 1
CONTINUE
DIGITAL 5
CONTINUE
DIGITAL 7
CONTINUE
DIGITAL 9
CONTINUE
DIGITAL 4
(+1.8V REG.)
(+1.5V REG.)
(+0.95V REG.)
(+5.25V REG.)
CONTINUE
DIGITAL 6
(SWITCHING)
(SWITCHING)
(SW+5.25V)
CONTINUE
DIGITAL 7
PL22.06SCD8

Related product manuals