EasyManua.ls Logo

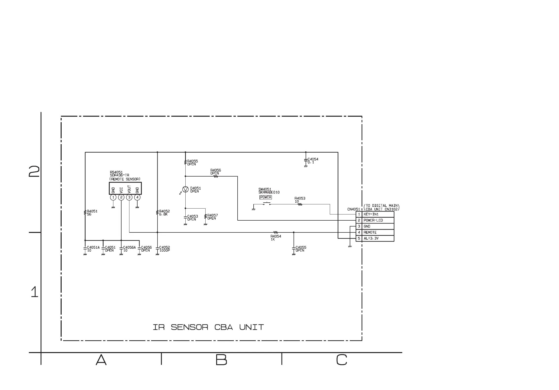
Philips PL22.06 - IR Sensor Schematic Diagram

Philips PL22.06
60 pages
Print Icon
To Next Page IconTo Next Page
To Next Page IconTo Next Page
To Previous Page IconTo Previous Page
To Previous Page IconTo Previous Page
Loading...
10-13
IR Sensor Schematic Diagram
1000P
C4052
OPEN
C4055
10
C4056A
10
C4051A
R4051
56
R4052
6.8K
0.1
C4054
3 GND
5 AL+3.3V
CN4051
1 KEY-IN1
R4054
1K
1234
RS4051
SDR436-TR
VCC
VOUT
GND
GND
4 REMOTE
2 POWER-LED
OPEN
C4053
R4055
OPEN
OPEN
R4056
R4057
OPEN
D4051
OPEN
OPEN
C4051
OPEN
C4056
SKRMABE010
SW4051
10
R4053
2
1
ABC
IR SENSOR CBA UNIT
(REMOTE SENSOR)
TO DIGITAL MAIN
CBA UNIT CN3102
POWER
PL22.06SCIR

Related product manuals