EasyManua.ls Logo

Philips PM 5390 - Page 71

Philips PM 5390
88 pages
Print Icon
To Next Page IconTo Next Page
To Next Page IconTo Next Page
To Previous Page IconTo Previous Page
To Previous Page IconTo Previous Page
Loading...
data
bus
RF
OUTPUT
MOD IN
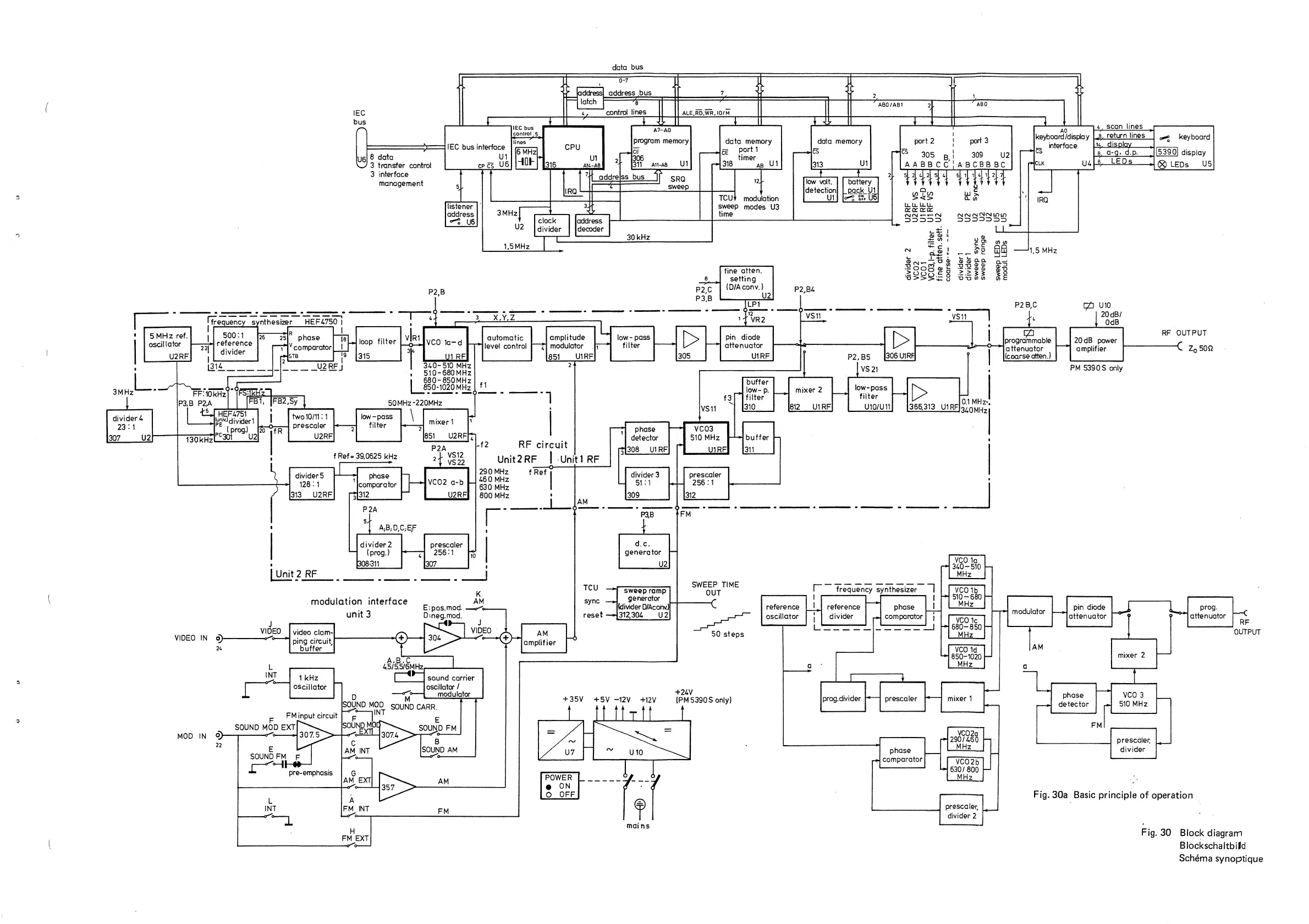
Fig.
30a
Basic
principle
of
operation
Fig.
30
Block
diagrann
Blockschaltbild
Schema
synoptique

Table of Contents

Related product manuals