EasyManua.ls Logo

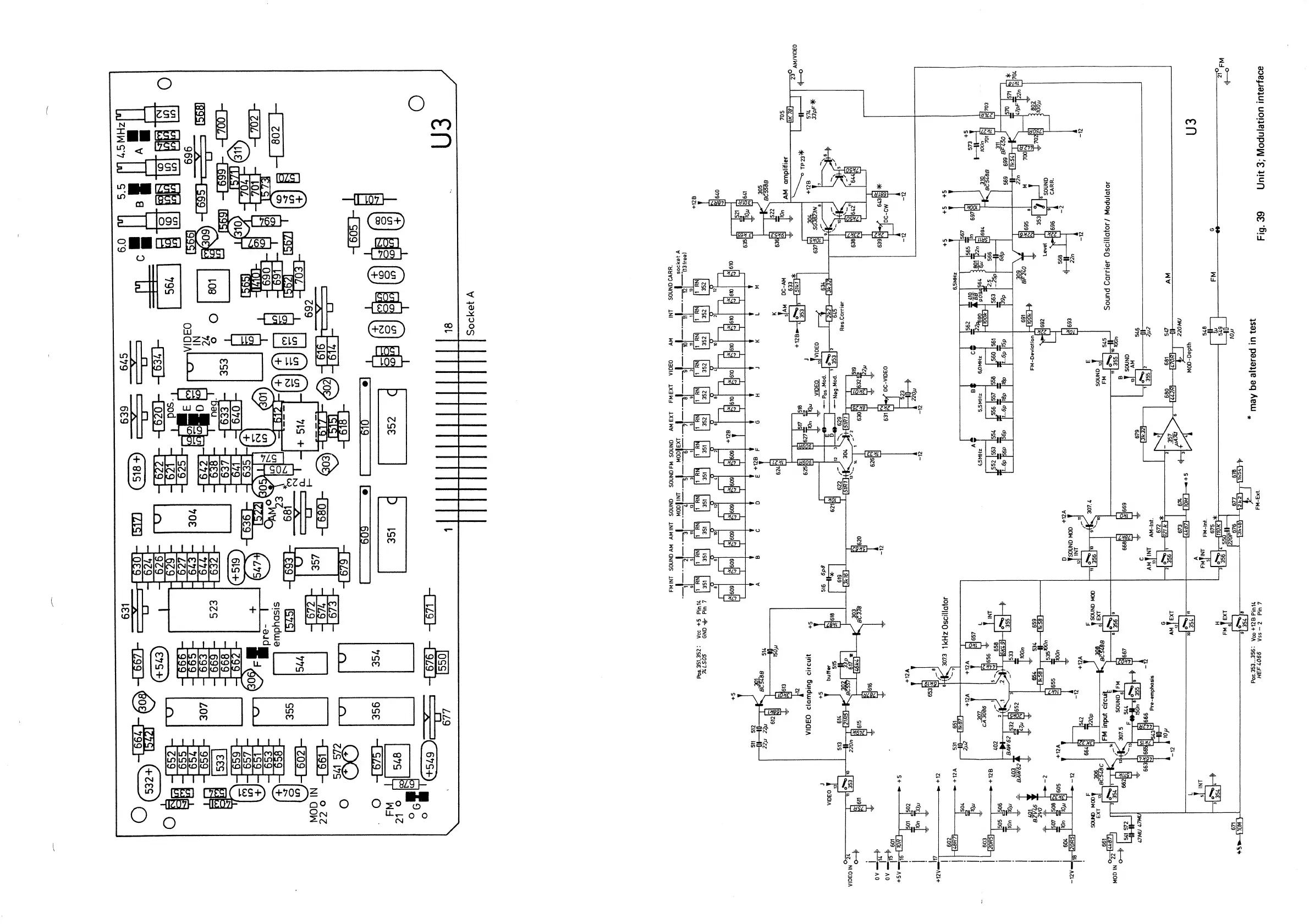
Philips PM 5390 - Modulation Interface

Philips PM 5390
88 pages
Print Icon
To Next Page IconTo Next Page
To Next Page IconTo Next Page
To Previous Page IconTo Previous Page
To Previous Page IconTo Previous Page
Loading...

Table of Contents

Related product manuals