EasyManua.ls Logo

Philips SW7100SA - Main, Jack & LED Board; Internal IC Diagram

Philips SW7100SA
17 pages
Print Icon
To Next Page IconTo Next Page
To Next Page IconTo Next Page
To Previous Page IconTo Previous Page
To Previous Page IconTo Previous Page
Loading...
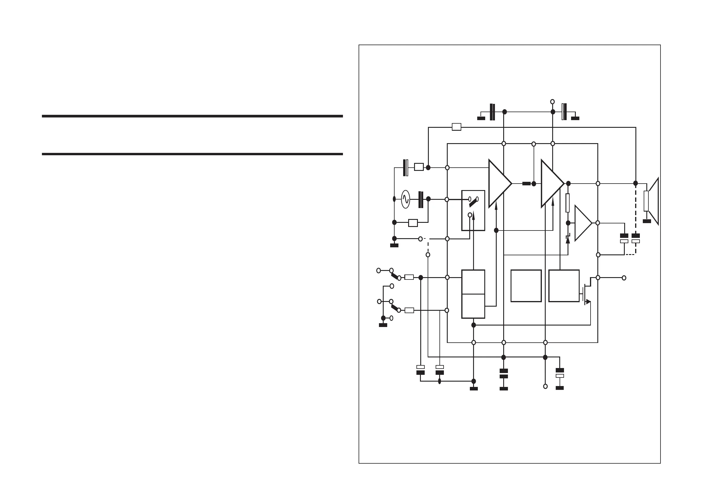
MAIN & JACK & LED BOARD
TABLE OF CONTENTS
Internal IC Diagram ........................................................... 4-1
Circuit Diagram ....................................................................4-2
PCB Layout View.................................................................4-3
Electrical Part list .................................................................4-4
4-1 4-1
IN- 2
R2
680W
C2
22mF
C1 470nF
IN+
R1 22K
3
R3 22K
-
+
MUTE
STBY
4
VMUTE
VSTBY
10
9
SGND
MUTE
STBY
R4 22K
THERMAL
SHUTDOWN
S/C
PROTECTION
R5 10K
C3 10mF C4 10mF
1
STBY-GND
C5
22mF
7 13
14
6
158
-Vs -PWVs
BOOTSTRAP
OUT
+PWVs+Vs
C9 100nF C8 1000mF
-Vs
D97AU805A
+Vs
C7 100nF C6 1000mF
BUFFERDRIVER
11
BOOT
LOADER
12
5
VCLIP
CLIP DET
TDA7293 INTERNAL IC DIAGRAM

Related product manuals