EasyManua.ls Logo

Philips TDA8943SF - Application information; Printed-circuit board (PCB)

Philips TDA8943SF
20 pages
Print Icon
To Next Page IconTo Next Page
To Next Page IconTo Next Page
To Previous Page IconTo Previous Page
To Previous Page IconTo Previous Page
Loading...
Philips Semiconductors
TDA8943SF
6 W mono Bridge Tied Load (BTL) audio amplifier
Product specification Rev. 02 — 7 April 2000 12 of 20
9397 750 06865
© Philips Electronics N.V. 2000. All rights reserved.
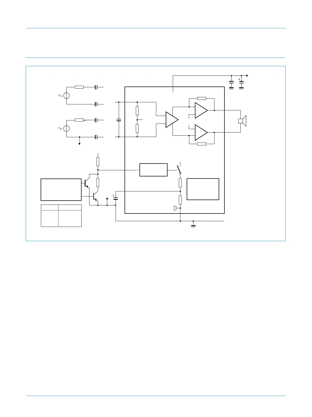
14. Application information
14.1 Printed-circuit board (PCB)
14.1.1 Layout and grounding
For a high system performance level certain grounding techniques are essential.
The input reference grounds have to be tied with their respective source grounds and
must have separate tracks from the power ground tracks; this will prevent the large
(output) signal currents from interfering with the small AC input signals.
The small-signal ground tracks should be physically located as far as possible from
the power ground tracks. Supply and output tracks should be as wide as possible for
delivering maximum output power.
Fig 13. Application diagram.
handbook, full pagewidth
2
OUT
R
s
Symmetrical
input
R
L
8
OUT+
GND
MGU036
IN
IN+
MODE
SVR
220 nF
5
4
7
6
1
3
8
+V
CC
1000 µF
100 nF
20 k
20 k
10
µF
+
+
+
+
R
i
45 k
R
i
45 k
30 k
30 k
R
C1
C2
R
V
CC
V
CC
signal
GND
TDA8943SF
signal
GND
SHORT CIRCUIT
AND
TEMPERATURE
PROTECTION
STANDBY/
MUTE LOGIC
MICROCONTROLLER
Standby
MODE
Mute
On
0
0
1
0
C1 C2
1
0
1/2 V
CC
220 nF
1.5
nF
C
i
R
s
Asymmetrical
input
220 nF
220 nF
C
i
1/2 V
CC
1/2 V
CC

Related product manuals