EasyManua.ls Logo

Philips VR540/39 - Page 26

Philips VR540/39
57 pages
Print Icon
To Next Page IconTo Next Page
To Next Page IconTo Next Page
To Previous Page IconTo Previous Page
To Previous Page IconTo Previous Page
Loading...
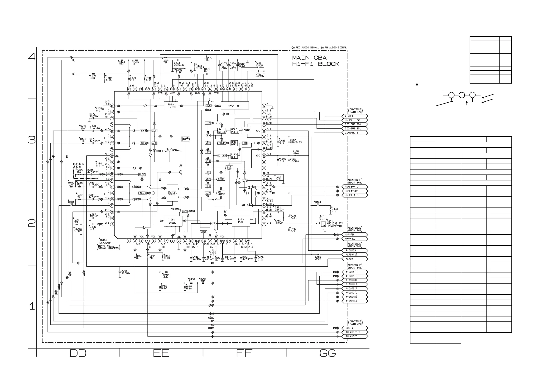
Main 6/8 Schematic Diagram
1-10-46 1-10-47
HE473SCM6
THE SAME VOLTAGE FOR
BOTH PLAY & REC MODES.
INDICATES THAT THE VOLTAGE
IS NOT CONSISTENT HERE.
MODE: SP/REC
PLAY MODE
REC MODE
1
2
3
5.0
5.0
(2.5)
~
ā€œ ā€œ = SMD
MAIN 6/8 Schematic Diagram Parts Location Guide
Ref No. Position Ref No. Position
C451 EE-1 IC451 DD-2
C452 EE-2
C453 EE-2 L451 GG-3
C454 FF-2 L452 GG-2
C455 FF-2
C456 FF-2 Q451 GG-2
C457 FF-2
C458 FF-2 R451 EE-2
C459 FF-2 R452 EE-2
C460 FF-2 R453 EE-1
C461 FF-2 R454 EE-1
C462 GG-2 R457 EE-1
C463 GG-2 R458 EE-1
C464 GG-3 R459 EE-1
C465 FF-3 R460 GG-2
C466 GG-3 R461 GG-2
C467 FF-4 R462 FF-3
C468 FF-4 R463 EE-4
C469 FF-4 R464 EE-4
C470 FF-4 R465 EE-4
C471 FF-4 R466 EE-4
C472 FF-4 R467 EE-4
C473 FF-4 R469 DD-4
C474 EE-4 R471 DD-4
C475 EE-4 R472 DD-3
C476 DD-3 R473 DD-3
C477 DD-3 R474 EE-4
C478 DD-3 R475 DD-3
C479 DD-3 R476 DD-2
C480 DD-3 R477 DD-2
C481 DD-3 R478 DD-2
C482 DD-2 R479 DD-2
C483 DD-2 R480 DD-2
C484 DD-2 R481 DD-2
C485 DD-2
C486 FF-3
TRANSISTORS
COILS
ICSCAPACITORS
RESISTORS
Comparison Chart of
Models and Marks
MODEL MARK
VR540/39 D
VR540/58 E
VR740/02 F
VR740/07 G
VR740/16 H
VR740/39 I
VR740/58 J
VR742/16 K
VR742/39 L
VR742/58 M

Related product manuals