EasyManua.ls Logo

Philips VR730/02 - Table of Contents

Philips VR730/02
46 pages
Print Icon
To Next Page IconTo Next Page
To Next Page IconTo Next Page
To Previous Page IconTo Previous Page
To Previous Page IconTo Previous Page
Loading...
1-10-54
1-10-55
1-10-56
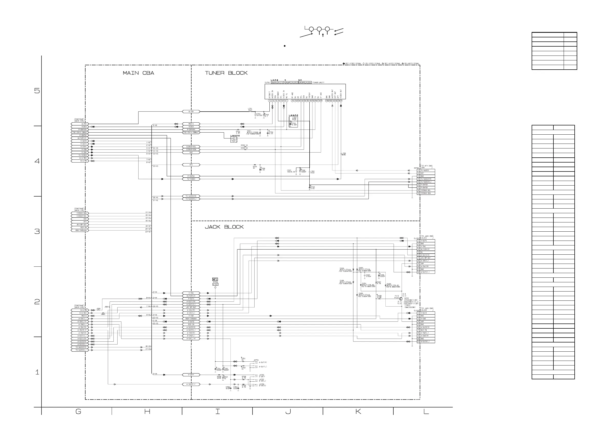
HC470SCM2
Main 2/6 Schematic Diagram
THE SAME VOLTAGE FOR
BOTH PLAY & REC MODES.
INDICATES THAT THE VOLTAGE
IS NOT CONSISTENT HERE.
MODE: SP/REC
PLAY MODE
REC MODE
1
2
3
5.0
5.0
(2.5)
~
ā€œ ā€œ = SMD
Comparison Chart of
Models and Marks
MODEL MARK
VR730/02 L
VR730/07 M
VR730/16 N
VR730/39 O
VR732/02 P
VR732/16 Q
VR732/39 R
MAIN 2/6 Schematic Diagram
Parts Location Guide
Ref No. Position
C157 K-2
C158 K-2
C701 J-5
C702 J-5
C703 J-5
C704 J-4
C706 J-4
C707 J-4
C708 J-4
C715 J-4
C751 I-1
C752 I-1
CL151 L-3
CL152 L-2
CN701 L-4
D151 K-2
D152 K-2
D153 K-2
D154 K-2
D155 K-2
D156 K-2
D701 I-4
L701 I-5
L702 J-4
L703 J-5
L704 I-4
L705 K-4
Q153 L-2
R157 K-2
R158 K-2
R701 I-4
R702 I-4
R703 I-4
R706 J-4
R751 I-1
R752 I-1
R756 I-1
R757 I-1
R758 I-1
R759 I-1
JK751 J-1
JK756 J-1
JK757 J-1
JK758 J-1
TU701 J-5
TP751 I-2
TRANSISTORS
RESISTORS
CONNECTORS
CAPACITORS
MISCELLANEOUS
DIODES
TEST POINT
COILS

Related product manuals