EasyManua.ls Logo

Philips VR730/02 - Page 13

Philips VR730/02
46 pages
Print Icon
To Next Page IconTo Next Page
To Next Page IconTo Next Page
To Previous Page IconTo Previous Page
To Previous Page IconTo Previous Page
Loading...
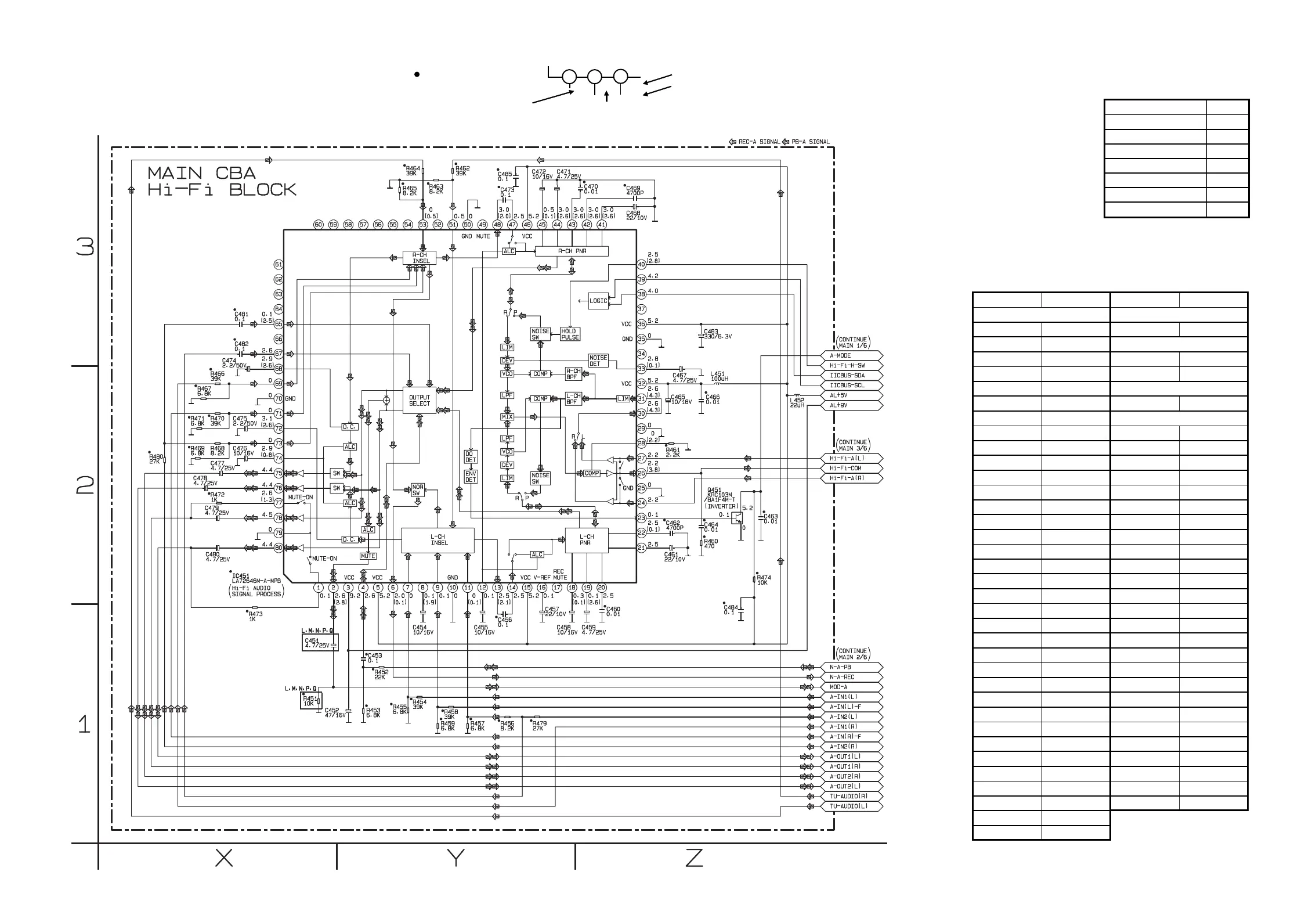
Main 5/6 Schematic Diagram
1-10-63
1-10-64
HC470SCM5
THE SAME VOLTAGE FOR
BOTH PLAY & REC MODES.
INDICATES THAT THE VOLTAGE
IS NOT CONSISTENT HERE.
MODE: SP/REC
PLAY MODE
REC MODE
1
2
3
5.0
5.0
(2.5)
~
ā€œ ā€œ = SMD
Comparison Chart of
Models and Marks
MODEL MARK
VR730/02 L
VR730/07 M
VR730/16 N
VR730/39 O
VR732/02 P
VR732/16 Q
VR732/39 R
MAIN 5/6 Schematic Diagram Parts Location Guide
Ref No. Position Ref No. Position
C451 X-1 IC451 X-2
C452 X-1
C453 Y-1 L451 Z-2
C454 Y-1 L452 Z-2
C455 Y-1
C456 Y-1 Q451 Z-2
C457 Y-1
C458 Y-1 R451 X-1
C459 Z-1 R452 Y-1
C460 Z-1 R453 Y-1
C461 Z-2 R454 Y-1
C462 Z-2 R455 Y-1
C463 Z-2 R456 Y-1
C464 Z-2 R457 Y-1
C465 Z-2 R458 Y-1
C466 Z-2 R459 Y-1
C467 Z-2 R460 Z-2
C468 Z-3 R461 Z-2
C469 Z-3 R462 Y-3
C470 Z-3 R463 Y-3
C471 Y-3 R464 Y-3
C472 Y-3 R465 Y-3
C473 Y-3 R466 X-2
C474 X-3 R467 X-2
C475 X-2 R468 X-2
C476 X-2 R469 X-2
C477 X-2 R470 X-2
C478 X-2 R471 X-2
C479 X-2 R472 X-2
C480 X-2 R473 X-1
C481 X-3 R474 Z-2
C482 X-3 R479 Y-1
C483 Z-3 R480 X-2
C484 Z-1
C485 Y-3
TRANSISTOR
ICCAPACITORS
RESISTORS
COILS

Related product manuals