EasyManua.ls Logo

Philips VR730/02 - Page 6

Philips VR730/02
46 pages
Print Icon
To Next Page IconTo Next Page
To Next Page IconTo Next Page
To Previous Page IconTo Previous Page
To Previous Page IconTo Previous Page
Loading...
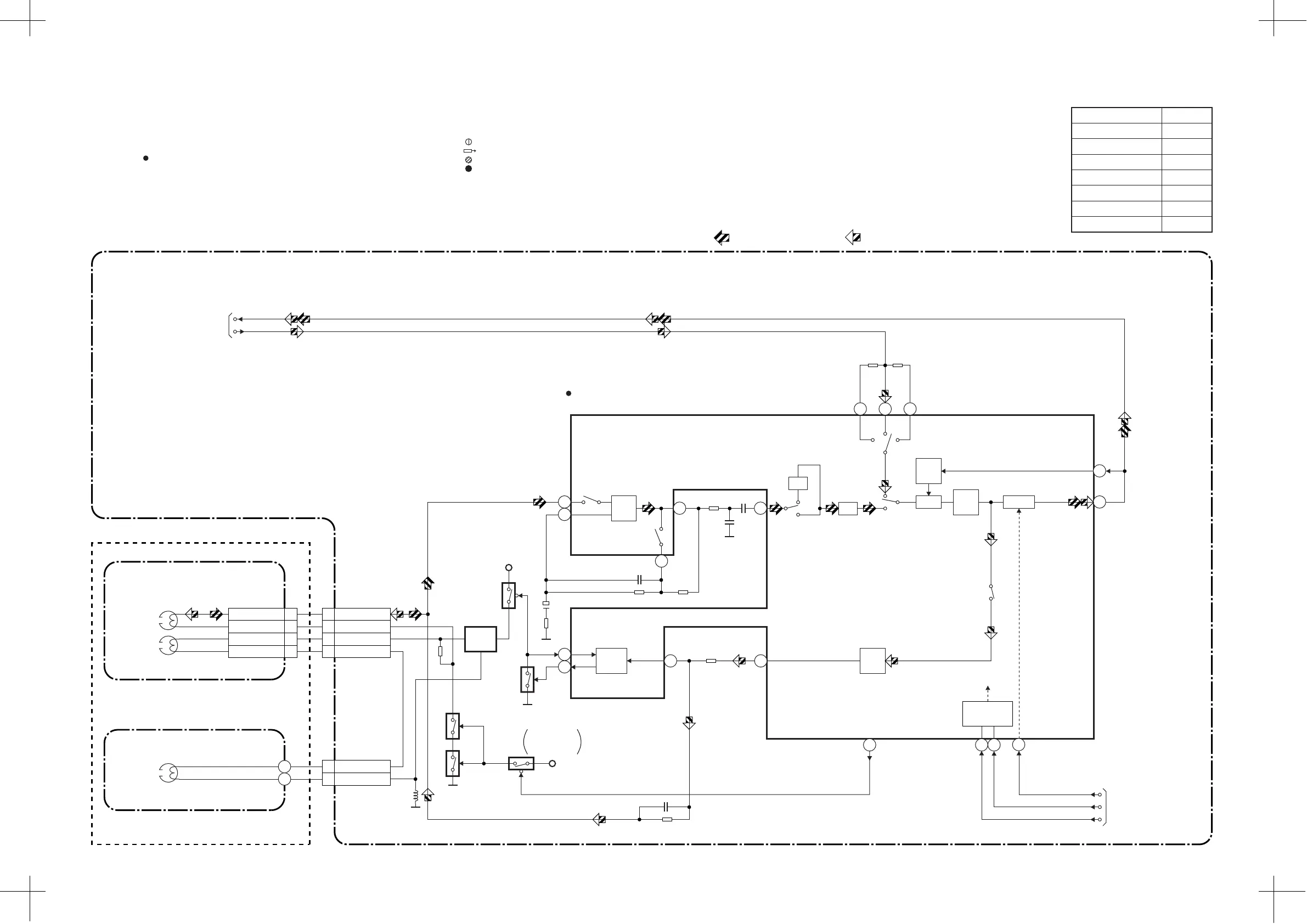
Audio Block Diagram
REC
AMP
100
3
AUTO
BIAS
2
1
+5V
+5V
Q401
Q406
BIAS
OSC
Q402
N-A-PB
TO Hi-Fi
AUDIO BLOCK
N-A-REC
Q404 (PB=ON)
Q405
(PB=ON)
Q403
SWITCHING
D-REC-OFF
5
EQ
AMP
98
7
LINE
AMP
REC-ON
AUDIO HD-SW
CONTROL
MUTE
11
6
PB-ON
SP/LP-ON
P
TUNER IN2
IN1
R
ALC
DET
ALC
IC301
(AUDIO SIGNAL PROCESS) 1513 17
4 A-PB/REC
CL504
3 A-COM
1 AE-H
A-PB/REC 4
A-COM 3
AE-H 1
2 AE-H/FE-H
AE-H/FE-H 2
CL287
AUDIO
HEAD
AUDIO
ERASE
HEAD
ACE HEAD ASSEMBLY
FE HEAD
2 FE-H
1 FE-H-GND
CL501
1-9-15 1-9-16 HC470BLA
MAIN CBA
PB-AUDIO SIGNAL REC-AUDIO SIGNAL Mode : SP/REC
71
A-MUTE-H
I2C BUS-SCL
I2C BUS-SDA
TO SERVO/SYSTEM
CONTROL BLOCK
FULL
ERASE
HEAD
68 69
SERIAL
DECODER
(DECK ASSEMBLY)
" " = SMD
NOTE FOR WIRE CONNECTORS:
1. PREFIX SYMBOL "CN" MEANS CONNECTOR.
(CAN DISCONNECT AND RECONNECT.)
2. PREFIX SYMBOL "CL" MEANS WIRE-SOLDER
HOLES OF THE PCB.
(WIRE IS SOLDERED DIRECTLY.)
TEST POINT INFORMATION
:INDICATES A TEST POINT WITH A JUMPER WIRE ACROSS A HOLE IN THE PCB.
:USED TO INDICATE A TEST POINT WITH A COMPONENT LEAD ON FOIL SIDE.
:USED TO INDICATE A TEST POINT WITH NO TEST PIN.
:USED TO INDICATE A TEST POINT WITH A TEST PIN.
12
16
INV
ATT
Comparison Chart of
Models & Marks
Model Mark
VR730/02
VR730/07
VR730/16
L
M
VR730/39
N
O
VR732/02
VR732/16
VR732/39
P
Q
R

Related product manuals