EasyManua.ls Logo

Philips waS7500 - Set Wiring Diagram; Board and Connector Wiring

Philips waS7500
43 pages
Print Icon
To Next Page IconTo Next Page
To Next Page IconTo Next Page
To Previous Page IconTo Previous Page
To Previous Page IconTo Previous Page
Loading...
1008
ECO_on
SMPS_NTC
PWRDWN
Panel R+
8006
2422 542 00039/USA
SERVICE UART
8241 150 16811
HEADPHONE
1005
8001
GND_A0
R_OUT
+12V_A
L_OUT
PB3-KEYS WAS7500(MEM)
3141 073 5092
SCL
3141 078 50221
Panel L-
TO LSB
Panel R-
B&W
COLOR
ANT WIFI WAS7500
SMPS_NTC
FM_TUNED
FM_STEREO
8012
3141 073 5086
KEY_2
GND_A1
RCFAST_CLK
N.A
MAIN
FROM / TO WessLi-07 Board
Ethernet
N.A
N.A
LCD_GND
GND
GND_D
Port_SL
+9V
8007
GND_D
+5V
+13V
DOCK_L
L out
DEVICE_ID
2422 076 00687
R_IN
STEREO
TM10
2422 070 00088
FFC FOIL 23P/200/23P 1MM BD
SDA
L_IN
+12V_ECO
+3V3
RC5
ECO_STBY
WAKE UP
DISABLE_RC
TO PROGRAMMING SPI NOR FLASH BOARD
3141 073 5089
+5V_DOCK
1003
824115016821
ECO_STBY
LCD_Vcc
LCD_Data
LCD_CLK
LCD_RS
GND_DOCK
3141 070 21741
ESD
PB6-KEYS&RC WAS7500(MEM)
CBLE PH 06P/360/06P PH SCR
+5V_DOCK
RC_SENSE
I2C_SDA
FROM/TO TUNER
+15V
PWRDWN
8013
GND_A
K
ESD_MATEL PLATE_TO_AUX
KEY_1
4R
4R
7R
AUX
GND_RJ45
ESD_MATEL PLATE_TU
Sub-
Panel L+
PB8-WIFI LED WAS7500(MEM)
FFC FOIL 09P/100/09P AD 1MM
3139 241 04111
+5V_CD
GND
+12V_CD
GND
+12V_ECO
FROM/TO WESSLI 07
3139 110 27841
CBLE PH 05P/180/05P PH 26ST BK
RDS_IRQ
140mm
FM_DET
LED-
+5V_CD
FFC FOIL 24P/120/24PBD 0.5MMP
SWITCH
3141 070 21881
3141 078 0218
Sub+
MODULE SMPS WAS7500
3141 070 21751
1007
1006
1009
1008
1008
3141 070 21581
R out
Filter_Mute
AMP_On
1021
1023
RXD_IPOD
GND
R out
TX+
1022
8241 150 16631
MOD WessLi-07 WAS7500/12
Port_SL
+12V_CD
LCD_Reset
8011
FROM / TO SMPS
GND_DAC
FROM / TO SMPS
LCD_CS
FFC FOIL 10P/180/10P BD
TX-
FROM / TO WessLi-07 Board
ANT WIFI 2450MHZ 50R WAS7500
1000
RCFAST_RXD
RX+
3141 073 5087
120mm
FROM / TO WessLi-07 Board
MODULE LCM WAS7500
ESD_MATEL PLATE_LCM
TX+
TX-
RX+
1008
NC
NC
NC
SDA
N.A
8002
3139 241 02881
mPCI Connector
CBLE 5P PH/280/ USB-A (REC)
8000
FFC FOIL 26P/100/26P BD 1MMP
8004
To Key Board
STEREO
FM_DET
A
RCFAST_PLASMA
GND
IRQ_I2C_GOGEAR
I2C_SCL
ANT FM DIP SD-2380 D
MAINSCORD EUR 2A5 1M5 DET 2P B
8008
FROM / TO WessLi-07 Board
3141 073 5088
PB8-Ipod&Eth WAS7500 (MEM)
IPOD
GND_AMP
LED+
GND_DOCK
DOCK_R
Dipmate
Dipmate
3139 111 04471
L out
+9V
3141 070 21761
8005
IIC_SDA_1
IIC_SCL_1/WiFi_LED
NC
S_RCFAST_RDWR
GND
CBLE EH 02P/200/02P EH 26S BK
PB4-AF&AMP WAS7500 (MEM)
TXD_IPOD
+5V_DOCK
DUMMY_GND
RX-
EH
PH
MAINSCORD UL 7A 1M8 DET 2P B
3141 070 21771
FFC 19P/280/19P BD 1MMP
TUNED
GND_RJ45
3141 073 5091
HP_Det
2422 542 00038/EU
PB5-LCD_CON WAS7500 (MEM)
GND
1004
TUNED
SLEEP
RX-
SCL_I2C_GOGEAR
SCL
USB
1001
SDA_I2C_GOGEAR
A
RCFAST_TXD
TO WIFI_LED
BlueTooth-antenna(interenal)
140mm
+15V
GND_AMP
GND_AMP
220mm
100mm
2422 070 00108
ESD_MATEL PLATE_TO_AUX
TO LCD KEY
K
25
26
24
LED+
D5
3
D4
4
D3
5
D2
6
D1
7
D0
8
RD
9
VCC-A
17
VCC-A
18
GND
19
D6
2
VCC
20
LED-
21
LED-
22
23
LED+
D7
WR
10
RS
11
RESET
12
CS
13
VCC
14
GND
15
GND
16
52435-2491
1606
1
DOCK R
4
GND DOCK
5
RC SENSE
6
WAKE UP
7
DISABLE RC
8
DEVICE ID
9
GND
19
20
14
RXD IPOD
15
TXD IPOD
16
+5V DOCK
17
+5V DOCK
18
+5V DOCK
DUMMY GND
2
GND DOCK
3
1
DOCK L
10
IRQ I2C GOGEAR
11
SDA I2C GOGEAR
12
SCL I2C GOGEAR
13
GND
8
RCFAST_CLK
9
GND
27
28
1609
19FMN-SMT-A-TF
LCD_CS
25
LED-
26
LED+
3
+12V_CD
4
GND_DAC
5
RCFAST_RXD
6
RCFAST_TXD
7
RCFAST_PLASMA
17
S_SCL_SCL_MASTER_1/WIFI_LED
18
LCD_GND
19
LCD_VCC
2
KEY2
20
LCD_DATA
21
LCD_CLK
22
LCD_RS
23
LCS_RESET
24
KEY1
10
S_RCFAST_RDWR
11
+3V3
12
RC6
13
ECO_LED
14
+12V_LED
15
+5V_CD
16
S_SDA_MASTER_1
1112
26FMN-SMT-A-TF
1
2
GND
1
OUT
3
VS
1
2
GND_ESD
TSOP4836
7121
48147-0210
1101
04FMN-BMT-A-TFT
1627
3V3
1
TXD
2
RXD
3
GND
4
121
123
13
15
17
125
126
101
103
105
107
109
111
113
115
117
11
119
83
85
87
89
91
93
95
97
9
99
65
67
69
71
73
75
77
7
79
81
45
47
49
51
53
55
57
5
59
61
63
27
29
31
33
35
37
3
39
41
43
1600
ROW_A
54900-001
1
19
21
23
25
3
4
5
6
7
8
9
1100
52807-0910
1
2
1
10
2
3
4
5
6
7
8
9
1520
10FE-BT-VK-N
112
114
116
118
12
120
122
124
14
16
18
92
94
96
98
10
100
102
104
106
108
110
74
76
78
8
80
82
84
86
88
90
56
58
6
60
62
64
66
68
70
72
36
38
4
40
42
44
46
48
50
52
54
2
20
22
24
26
28
30
32
34
5
6
1500-B
ROW_B
54900-001
1
2
3
4
1
2
3
4
5
6
1104
48147-0610
34
1523
48107-0610
22
23
24
3
4
5
6
7
8
9
33
12
13
14
15
16
17
18
19
2
20
21
1614
1
10
11
2
GND_RJ45
3
TX-
4
TX+
5
GND_RJ45
6
7
8
52435-2491
S6B-PH-SM4-TB(LF)
1302
1
RX+
RX-
1
2
3
4
5
2
3
4
5
6
48104-0510
1109
1101 TC38-158-01
9
8
7
1
D+
3
USB_GND
4
USB_SHIELD
5
6
7
PGND
1600
S5B-PH-SM4-TB
VBUS
1
D-
2
22
23
3
4
5
6
7
8
9
14
15
16
17
18
19
2
20
21
52806-2310
1401
1
10
11
12
13
YKC21-3418
EARTH
4
5
6
7
8
9
10
1103-2
1522
1
2
3
19
2
3
4
5
6
7
8
9
1-406541-1
10
11
12
13
14
15
16
17
18
9
1524
52806-1910
1
1
10
2
3
4
5
6
7
8
1XXX
10FE-BT-VK-N
J2
CRS5001N0801
CRS5001N0801
J1
1103-1
YKC21-3418
1
2
3
3
4
5
6
7
8
9
18
19
2
20
21
22
23
24
25
26
1
10
11
12
13
14
15
16
17
67
1102
52807-2610
1904
+5V_CD
1
GND
2
+12V_CD
3
GND
4
+12V_ECO
5
BAS316
S5B-PH-SM4-TB
GND_ESD
6207
2
3
4
5
6
7
8
9
1202
10FMN-BMT-A-TFT
1
1400
48104-0210
1
2
S_SCL_MASTER1
7
ECO_STBY
8
RDS_IRQ
9
24
25
GND_ESD
20
AUX_R
21
AUX_L
22
ECO_LED/+9V
23
MUTE
3
FAN_ON_OFF
4
PWRDWN
5
S_SDA_MASTER1
6
13
HP_COM
14
L_HP_OUT
15
GND_A0
16
__
17
+12V_A
18
__
19
AMP_ON
2
GND_A1
23FMN-SMT-A-TF
HP_DET
1
S_FM_STATUS
10
S_FM_IRQ
11
SMPS_NTC
12
R_HP_OUT
4
5
6
7
8
9
1706
52807-0910
1143
1
2
3
GND
OUT
VS
1
2
3
4
5
7117
TSOP34156
1107
48107-0510
8
100n
2627
1108
48107-0810
1
2
3
4
5
6
7
OUT
1
VS
3
RT-01T-1.0B
1525
7116
TSOP7000
2
GND
5
6
7
8
9
GND_ESD
1521
5786767-2
10
11
12
1
2
3
4
RD
E
25
26
BAS316
6203
LED+
3
D5D5
4
D4
D4
5
D3D3
6
D2
D2
7
D1
D1
8
D0
D0
9
VCC-A
19
GND
2
D6
D6
20
VCC
21
LED-
22
LED-
23
LED+
24
11
RS
RS
12
RESET
RESET
13
CS
CS
14
VCC
VCC
15
GND
16
GND
17
VCC-A
18
1608
1
D7
D7
10
WR
R1W
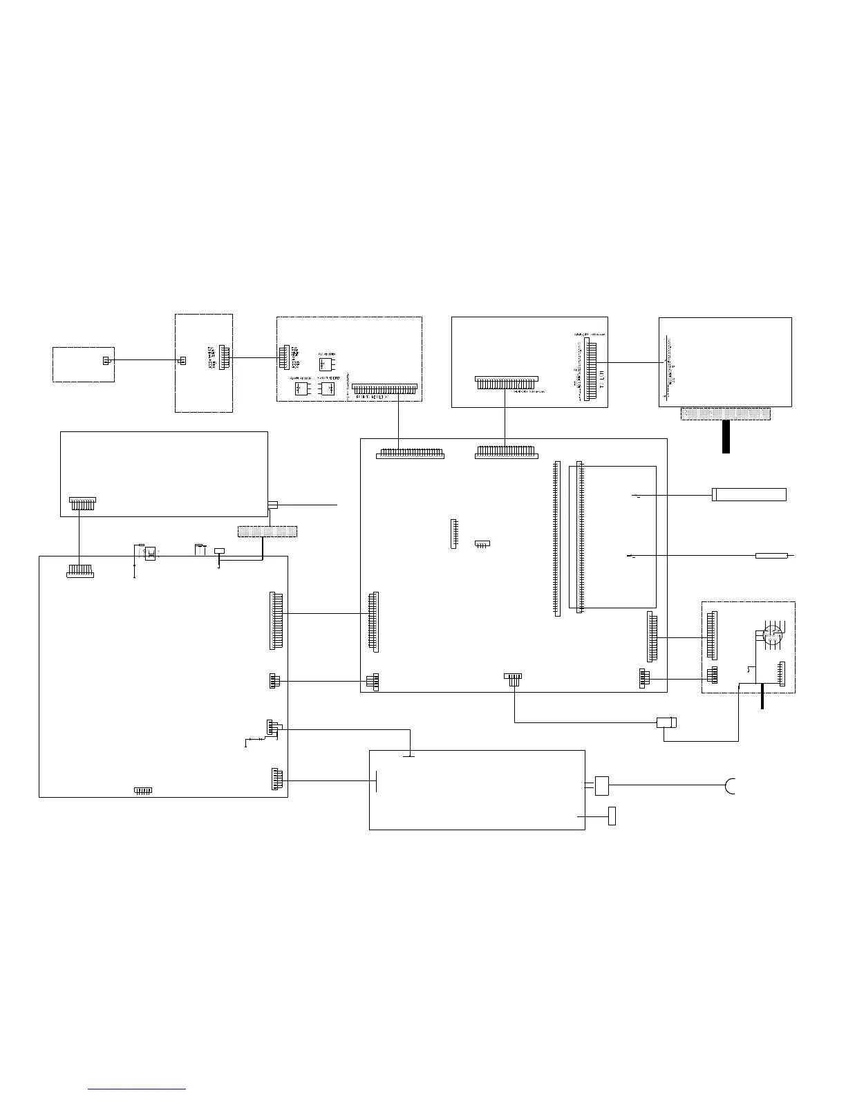
SET WIRING DIAGRAM(waS7500)
7 - 2 7 - 2

Related product manuals