EasyManua.ls Logo

Phonic Firefly 808 - Block Diagram

Phonic Firefly 808
27 pages
Print Icon
To Next Page IconTo Next Page
To Next Page IconTo Next Page
To Previous Page IconTo Previous Page
To Previous Page IconTo Previous Page
Loading...
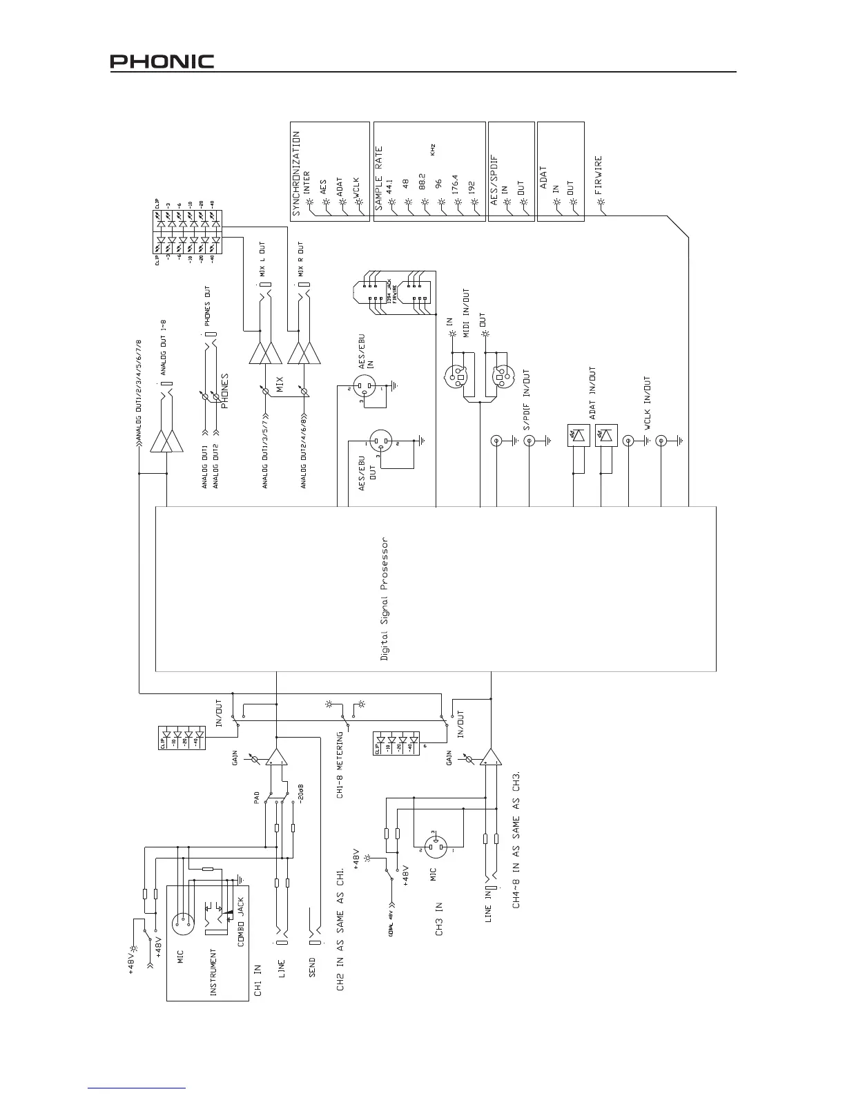
24 FIREFLY 808
BLOCK DIAGRAM
GLO B A L 48 V

Related product manuals