EasyManua.ls Logo

Phonic PCR2213 - 2.4 STEREO 2-WAY WITH SUBWOOFER

Phonic PCR2213
29 pages
Print Icon
To Next Page IconTo Next Page
To Next Page IconTo Next Page
To Previous Page IconTo Previous Page
To Previous Page IconTo Previous Page
Loading...
9
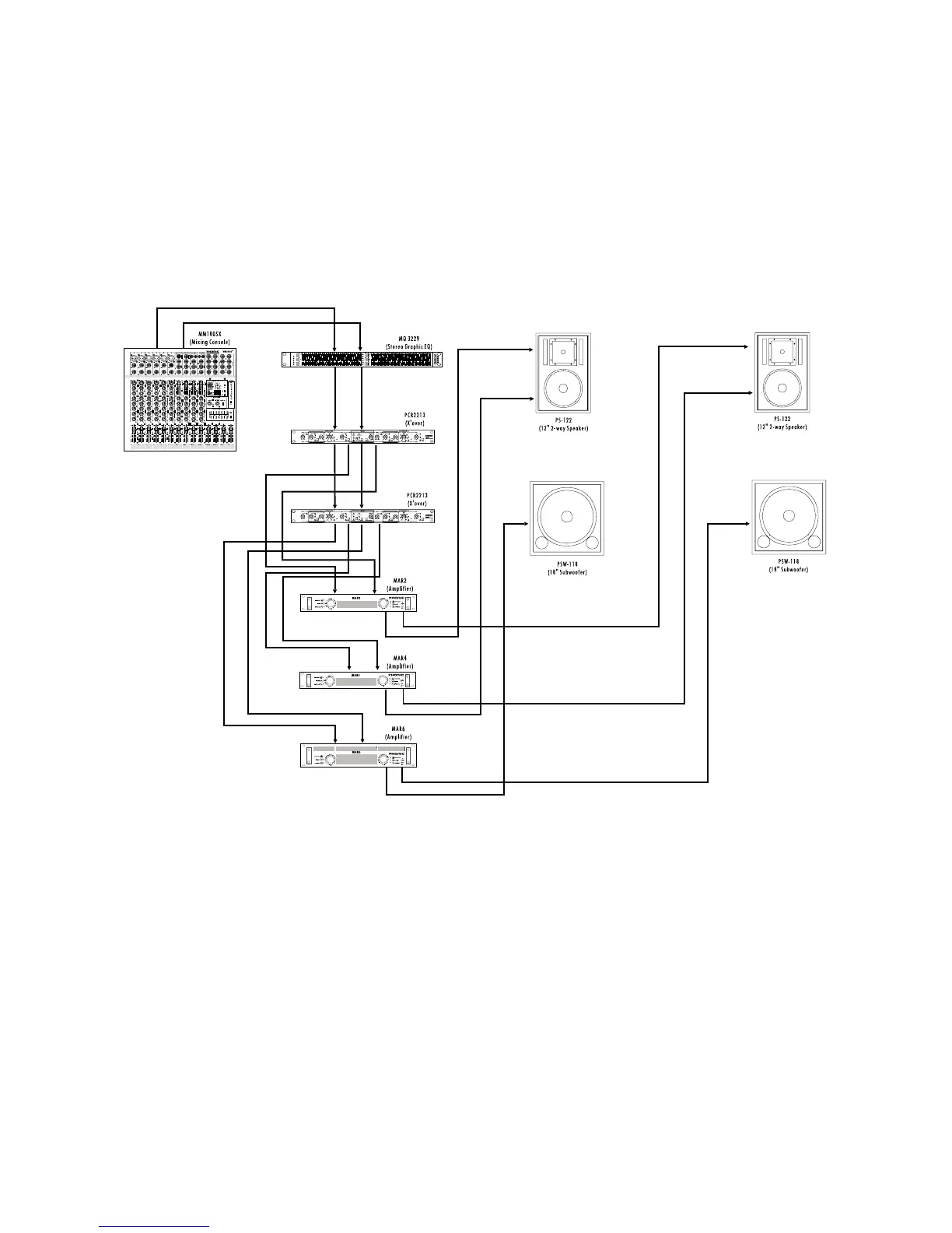
2.4 STEREO ACTIVE 2-WAY WITH SUB-WOOFER (Ref:Figure 4)
Some people will regard this as 3-way, and it really is. There are 2 configuration you can achieve:(1)Treat it as
3-way and do it as the same as 2.2. (2)Treat it as 2-way plus sub-woofer as the same as 2.1 + 2.3.
The later configuration benefit the summed sub-woofer output from both channels, and thus better than pure 3-
way configuration. No matter which configuration, you need two PCR2213 for this system.
Figure 4:Typical Active 2-way + Subwoofer

Related product manuals