EasyManua.ls Logo

Pickering 41-670 - Page 41

Pickering 41-670
62 pages
Print Icon
To Next Page IconTo Next Page
To Next Page IconTo Next Page
To Previous Page IconTo Previous Page
To Previous Page IconTo Previous Page
Loading...
SECTION 4 - PROGRAMMING GUIDE
Page 4.21
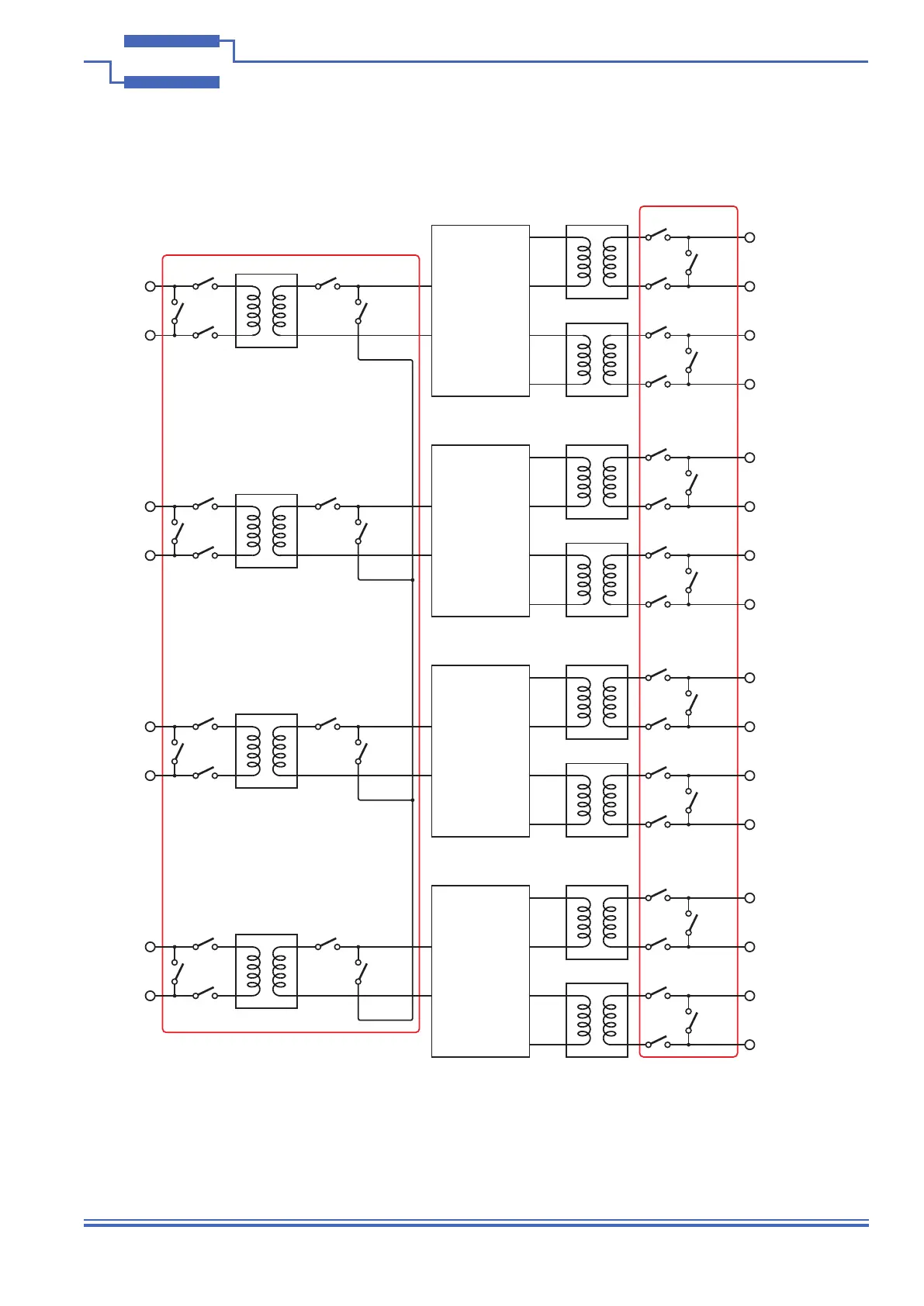
PXI/PXIe LVDT/RVDT/Resolver Simulator Module 41/43-670
pickering
Signal
Processing
IN_S_1
IN_G_1
OUTA_S_1
OUTA_G_1
OUTB_S_1
OUTB_G_1
bit 1
bit 2
bit 3
bit 4
Sub-unit 5
bit 5
bit 6
bit 8
bit 9
bit 7
bit 10
Sub-unit 5
bit 11
Signal
Processing
IN_S_2
IN_G_2
OUTA_S_2
OUTA_G_2
OUTB_S_2
OUTB_G_2
bit 12
bit 13
bit 14
bit 15
bit 16
bit 17
bit 19
bit 20
bit 18
bit 21
bit 22
Signal
Processing
IN_S_3
IN_G_3
OUTA_S_3
OUTA_G_3
OUTB_S_3
OUTB_G_3
bit 23
bit 24
bit 25
bit 26
bit 27
bit 28
bit 30
bit 31
bit 29
bit 32
bit 33
Signal
Processing
IN_S_4
IN_G_4
OUTA_S_4
OUTA_G_4
OUTB_S_4
OUTB_G_4
bit 34
bit 35
bit 36
bit 37
bit 38
bit 39
bit 41
bit 42
bit 40
bit 43
bit 44
Channel 1
Channel 2
Channel 3
Channel 4
Figure 4.15 - LVDT Simulator Module 41/43-670: Sub-unit/Bit usage for
Input/Output Switches

Related product manuals