EasyManua.ls Logo

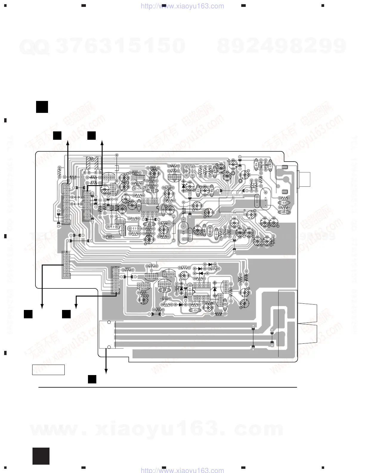
Pioneer M-LA21 - JACK ASSY CONNECTION

Pioneer M-LA21
24 pages
Print Icon
To Next Page IconTo Next Page
To Next Page IconTo Next Page
To Previous Page IconTo Previous Page
To Previous Page IconTo Previous Page
Loading...
M-LA21
16
A
B
C
D
1
23
4
1234
MSSOP36-P-450-0.A
R577
R589
CN4
J564
J563
D511
C558
R581
R591
R520
EC541
R576
Q512
EC562
EC561
CN22
CN23
CN3
CN2
W1
J54
J83
J82
R575
Q513
J81
R555
J80
J78
J74
EC560
EC559
J71
EC546
Z2
Z1
J68
J67
C557
C556
R506
Q518
C549
R505
R504
R503
Q517
C548
R502
R501
R507
Q516
C547
R599
R598
Q515
R597
R596
R594
R593
DZ506
EC549
R592
Q514
R570
R569
J61
J59
C546
EC548
EC537
R561
EC531
R560
J52
J40
J39
J29
C545
C544
R588
R587
R586
R585
R584
JK502
JK501
C531
R580
R579
R572
R571
EC534
EC533
R567
C543
C541
C539
R590
R558
IC504
R557
C535
R529
EC530
C533
R530
C532
R554
R553
R552
R550
R551
R549
C530
C529
C528
R548
R547
C524
R542
R534
R533
R532
R545
C523
C520
C519
C518
C517
C516
R521
R523
R522
C525
R518
IC512
Q501
Q511
Q503
Q502
Q504
D510
D506
DZ504
D509
DZ505
EC520
EC518
EC515
EC517
EC513
EC512
EC511
EC521
EC528
EC527
EC526
EC525
EC524
EC523
EC522
EC545
EC535
EC544
EC532
EC529
EC536
EC514
IC502
"BOND"
"BOND"
"BOND"
"BOND"
PWRCTL
AGND
JACK BOARD
FOR NON-KARAOKE
TO EC522
TO EC523
RCHOUT
AGND
AGND
-12V
AGND
+12V
HPSW
HPRCH
HPGND
HPLCH
+12V
-12V
+12V
ECHOSIG1
ECHOSIG2
LIN
RIN
GND
MICIN
MICSW
VOLGND
PMT1LA-01-02
MICGND
MICSIG1
MICSIG2
-6dB SW
METER
METERIN
GND
HPRCH
HPGND
HPLCH
HPSW
LCHOUT
GND
GND
SPKR
SPKL
Q511
Q515
Q518
Q517
Q513
Q512
Q501 Q502
Q503Q504
IC502
IC504
IC512Q516 Q514
JACK ASSY
D
CN12
E
WH602
A
CN604
A
CN11
E
CN602
A
SIDE A
D
4.3 JACK ASSY
w
w
w
.
x
i
a
o
y
u
1
6
3
.
c
o
m
Q
Q
3
7
6
3
1
5
1
5
0
9
9
2
8
9
4
2
9
8
T
E
L
1
3
9
4
2
2
9
6
5
1
3
9
9
2
8
9
4
2
9
8
0
5
1
5
1
3
6
7
3
Q
Q
TEL 13942296513 QQ 376315150 892498299
TEL 13942296513 QQ 376315150 892498299
http://www.xiaoyu163.com
http://www.xiaoyu163.com