EasyManua.ls Logo

Pioneer PDP-427CMX

Pioneer PDP-427CMX
120 pages
To Next Page IconTo Next Page
To Next Page IconTo Next Page
To Previous Page IconTo Previous Page
To Previous Page IconTo Previous Page
Loading...
PDP-427CMX
94
1234
1234
C
D
F
A
B
E
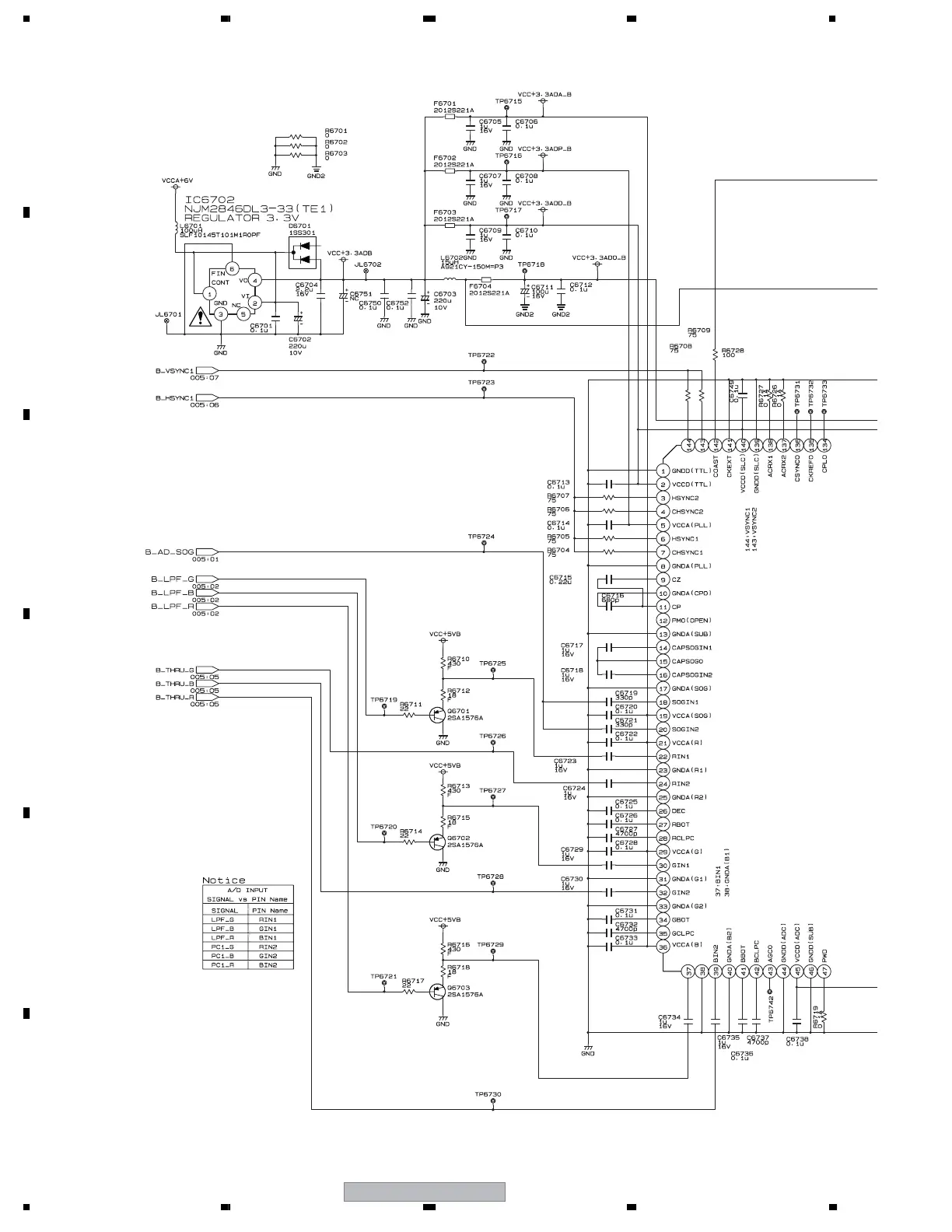
7.8 MAIN ASSY [A/D B BLOCK] (8/13)
CAUTION
MAIN ASSY (8/13)
A/D B BLOCK

Related product manuals