EasyManua.ls Logo

Pioneer PDP-4300

Pioneer PDP-4300
20 pages
To Next Page IconTo Next Page
To Next Page IconTo Next Page
To Previous Page IconTo Previous Page
To Previous Page IconTo Previous Page
Loading...
18
1
23
4
1234
C
D
F
A
B
E
PDP-4300
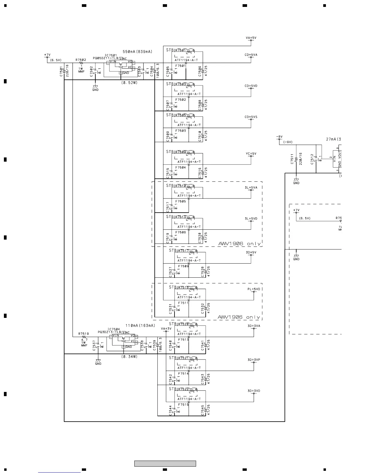
2.6 VIDEO SLOT US ASSY(6/6)
VIDEO RGB BLOCK

Other manuals for Pioneer PDP-4300

Related product manuals