EasyManua.ls Logo

Pioneer PDP-503PE

Pioneer PDP-503PE
109 pages
To Next Page IconTo Next Page
To Next Page IconTo Next Page
To Previous Page IconTo Previous Page
To Previous Page IconTo Previous Page
Loading...
A
B
C
D
1
23
4
1234
32
PDP-503PE, PDP-503PU
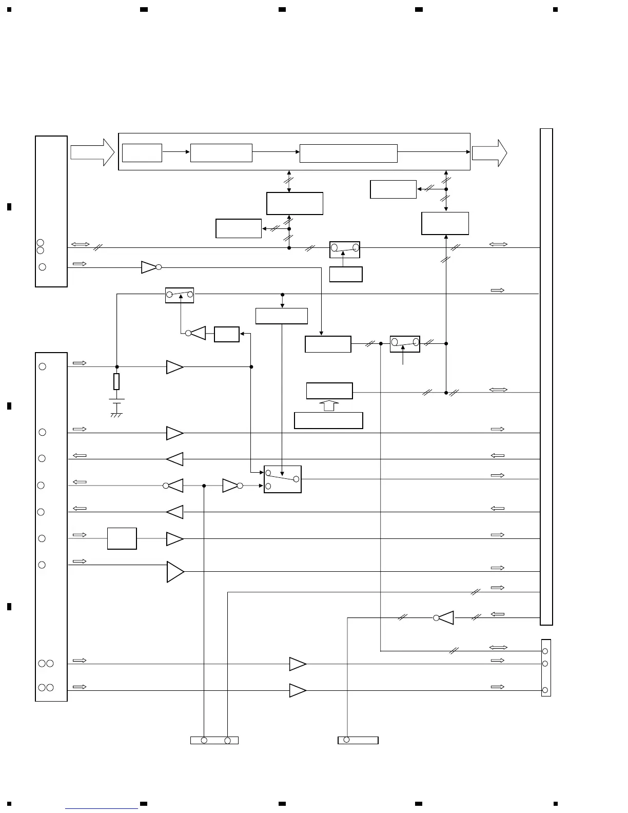
3.1.2 MR INTERFACE ASSY
CN4003 (DVI)
TMDS
8bit_DIGITAL
× RGB
IC4012 (IC2_SW)
DDC_SCL
DDC_SDA
Q4014 (REM_CUT)
PMST
Q4018 (INV)
Q4001, Q4002 (I2C_SW)
CN4002 (MDR)
IC4006 (REM_SLICER)
V+5V_DIG
A_SCL
Q4008 (2.5V_REG)
A_SDA
IC4006 (TTL CMOS CONVERT)
RXD0
IC4006 (BUFF)
TXD0
Q4012 (INV) REM
IC4008, IC4009 (REM_SW)
Q4007 (BUFF)
SM_POW
IC4010 (BUFF)
CCKM
IC4007 (COMPR)
+
SW_TRG
F_KEY1
F_KEY2
Q4011 (DRIVER)
LED_G
LED_R
I2C
Q4401 (BUFF)
L_CH
Q4402 (BUFF)
LED_G
LED_R
REM
KEY1
KEY2
SPR
SPL
R_CH
CN4401
CN4007
CN4009
C4043
(HPF)
IC4010
(NON_SYSTEM_DET)
R4093
R4098
(BIAS)
IC4013
(STB_DET)
S4001, S4004, etc
(MODEL_INFO)
IC4011
(I/O_EXPANDER)
Q4005, Q4006
(5V 3.3V
I2C_LEVEL_SHIFT)
IC4204
IC4203
(CONF_ROM)
IC4201
(DDC_ROM)
Q4201, Q4202
(5V 3.3V
I2C_LEVEL_SHIFT)
TMDS_RXCORE CONTENT_PROTECTION
IC4005
(I/O_EXPANDER)
SCALING
CN4004, CN4005
13
4
SM_POW
5
SR_DOWN
14
M_TXD
11
SR_UP
15
DDC5V
14
DDC_SCL
6
DDC_SDA
7
CCKM
7
M_RXD
1
CSEN2
8
2010

Related product manuals