EasyManua.ls Logo

Pioneer PDP-503PE

Pioneer PDP-503PE
109 pages
To Next Page IconTo Next Page
To Next Page IconTo Next Page
To Previous Page IconTo Previous Page
To Previous Page IconTo Previous Page
Loading...
A
B
C
D
1
234
1
2
3
4
35
PDP-503PE, PDP-503PU
23
21
5
7
9
11
13
15
17
19
PN_MUTE
XNR-U
XSUS-B
XSUS-U
XSUS-D
XSUS-G
XSUS-MSK
XCP-MSK
XNR-D1
XNR-D2
CN3001
X2
1
2
3
4
8
11
CN3101
X1
XNR_U
XNR_U
2
4
5
3
6
6
5
2
3
4
9
IC3004
TC74ACT540FT
IC3008
TC74ACT541FT
18
17
14
14
15
18
17
16
16
15
1
5
2
3
4
6
8
9
7
10
IC3008
PE1012A
20
23
22
21
19
17
16
18
15
2
3
4
5
7
8
6
9
IC3001
TC74ACT541FT
IC3102
HCPL-M611
IC3101
TC74ACT541FT
IC3200
STK795-460
Pulse Module
IC3201
STK795-460
Pulse Module
T3701
VRN D-D CONV.
XCP-MSK
XSUS-MSK
VCP
PLD
SUSOUT A
37-40
29,30
K3105
PSUS
K3107
IC3103,IC3104
TND301S
Q3103,
Q3107
Q3104,
Q3109
Q3105,
Q3124
Q3106,
Q3125
SUSOUT B
37-40
29,30
K3106
IC3106,IC3107
TND301S
Q3110,
Q3114
Q3111,
Q3115
Q3112,
Q3126
Q3113,
Q3127
To
X CONNECTOR
ASSY
IC3110
TND301S
IC3113
TND301S
charge pump
circuit
From DIGITAL VIDEO ASSY
Photo
coupler
2-9 11-18
+15V
DGND
XDRIVE_PD
XDC_DC_PD
VSUS
SUSGND
SUSGND
SUSGND
P.D.
DET.
18
17
16
15
13
12
14
11
14
16
18
20
14
16
18
20
VSUS 225V
VRN UVP
VRN OVP
Q3116
Q3120
Q3122
Q3128
XNR P.D.
DET.
XNR-D1
XNR-D2
VRN-300V
XDRIVE P.D
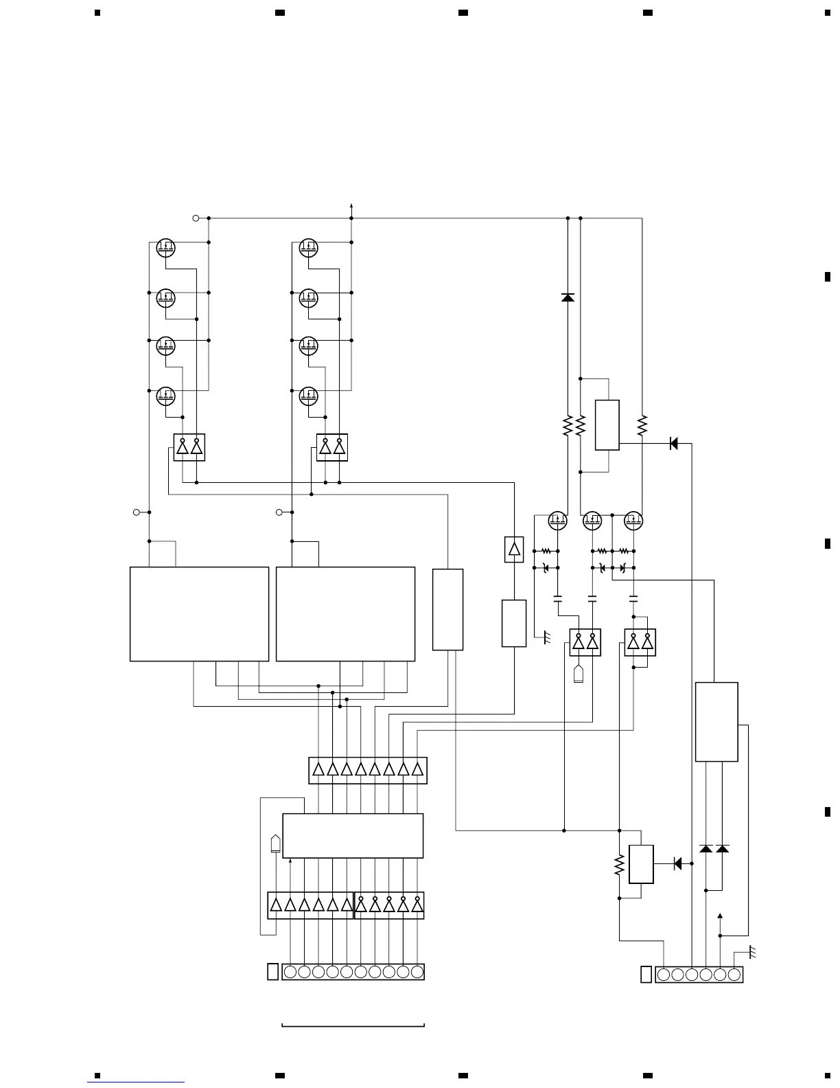
3.1.4 X DRIVE ASSY

Related product manuals