EasyManua.ls Logo

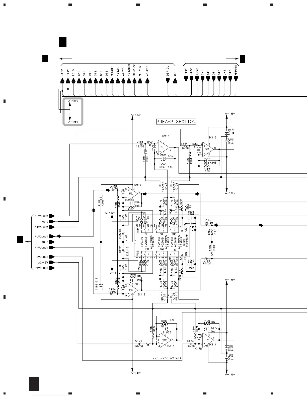
Pioneer VSA-E08 - 3.3 MAIN CONTROL ASSY (2;3)

Pioneer VSA-E08
28 pages
Print Icon
To Next Page IconTo Next Page
To Next Page IconTo Next Page
To Previous Page IconTo Previous Page
To Previous Page IconTo Previous Page
Loading...
VSA-E08
14
A
B
C
D
1
23
4
1234
D
1/3
D
1/3
D
3/3
M5220FP
M5220FP
M5220L
M5220L
F
F
F
100p
C176
100p
C156
100p
C155
100p
C165
100p
C166
100p
M5220L
M5220L
MAIN CONTROL ASSY
( AWX7709 )
D
2/3 F
3.3 MAIN CONTROL ASSY (2/3)
2/3F
D

Other manuals for Pioneer VSA-E08

Related product manuals