EasyManua.ls Logo

Pioneer VSA-E08 - Page 15

Pioneer VSA-E08
28 pages
Print Icon
To Next Page IconTo Next Page
To Next Page IconTo Next Page
To Previous Page IconTo Previous Page
To Previous Page IconTo Previous Page
Loading...
VSA-E08
15
A
B
C
D
5
678
5
6
7
8
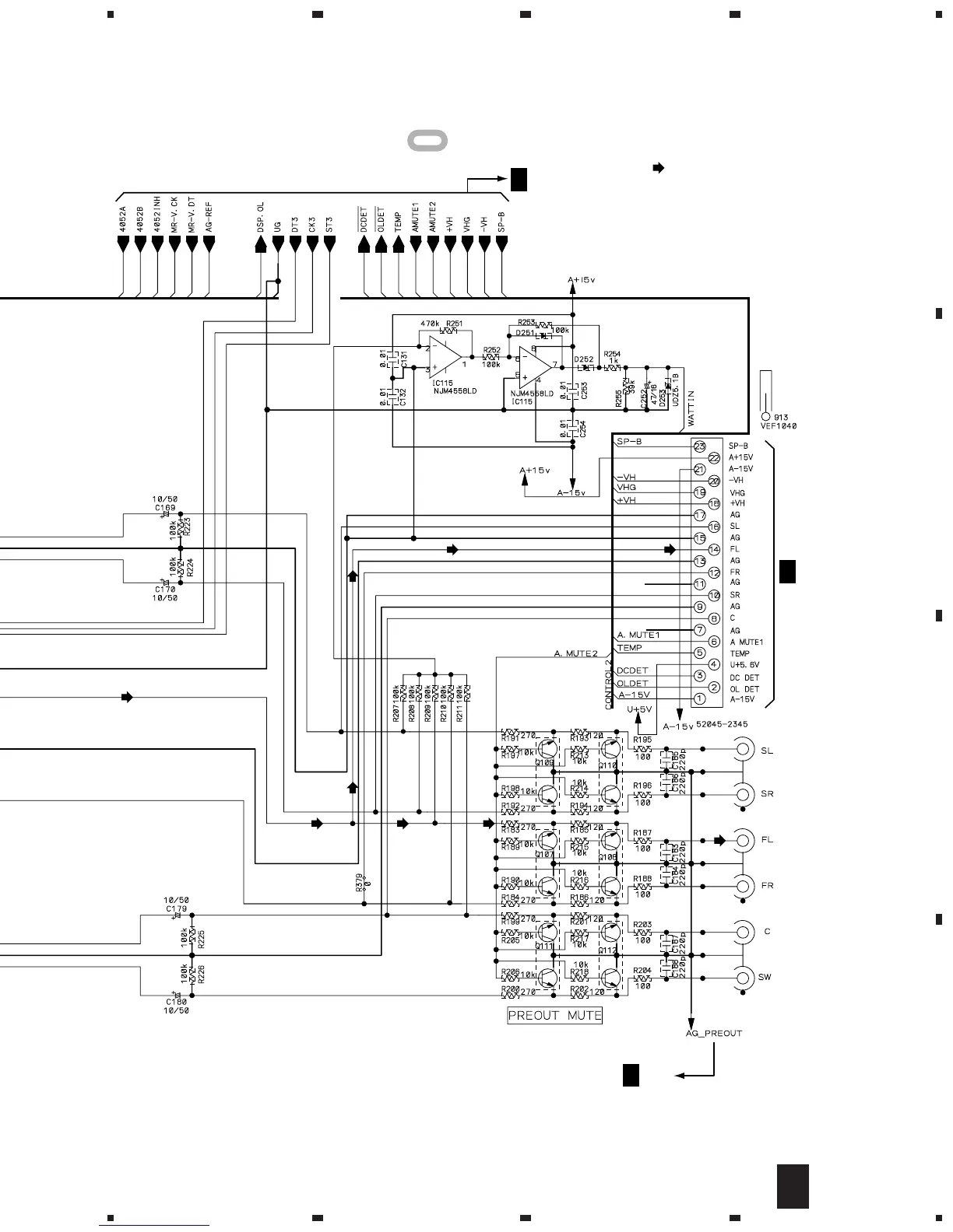
Q107 - Q112 :
HN1C03F
E
1/2
CN501
CN105
D
3/3
103 or 113 (2/3)
103 or 113 (1/3)
103 or 113 (3/3)
VSA-E08
103 : AKB7088
F
1SS355
1SS355
: AUDIO SIGNAL ROUTE
: The power supply is shown with the marked box.
D
1/3
F
F
2/3F
D

Other manuals for Pioneer VSA-E08

Related product manuals