EasyManua.ls Logo

Polaris GEM e4 - Page 107

Polaris GEM e4
174 pages
Print Icon
To Next Page IconTo Next Page
To Next Page IconTo Next Page
To Previous Page IconTo Previous Page
To Previous Page IconTo Previous Page
Loading...
ELECTRICAL 5 - 60
November 2007 GEM Service Manual
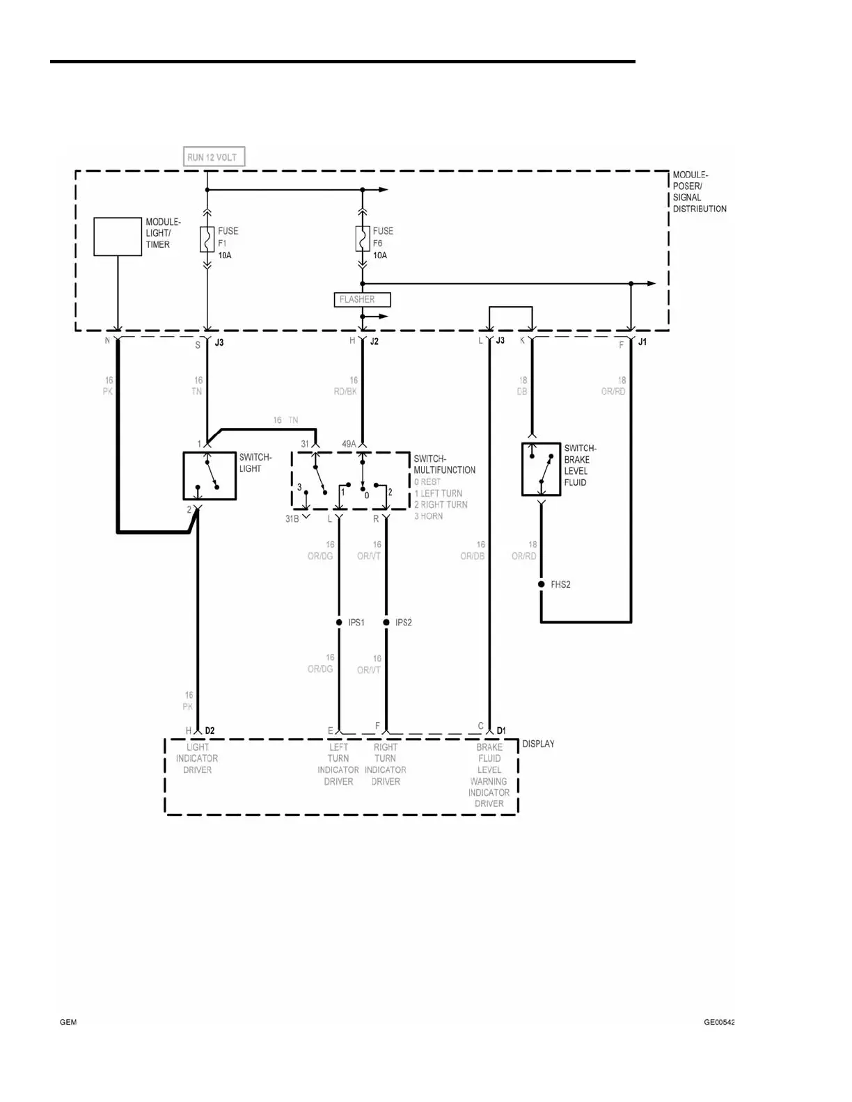
DISPLAY (CONTINUED)

Table of Contents

Related product manuals