EasyManua.ls Logo

Polaris RZR S 1000 2016 - Spark Plugs; Starter; Thermostat Housing; Trans Joint; Valve Cover

Polaris RZR S 1000 2016
543 pages
To Next Page IconTo Next Page
To Next Page IconTo Next Page
To Previous Page IconTo Previous Page
To Previous Page IconTo Previous Page
Loading...
3.10
9926814 R08 - 2015-2016 RZR 900 2016 RZR S 1000 Service
Manual
© Copyright Polaris Industries Inc.
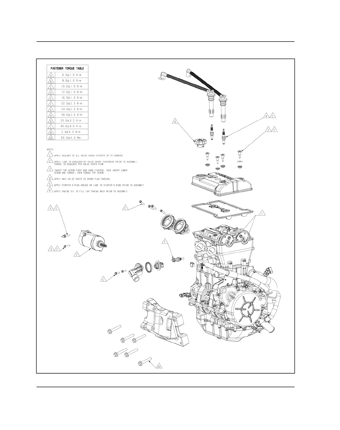
SPARK PLUGS / STARTER / THERMOSTAT HOUSING / TRANS JOINT / VALVE COVER
ENGINE / COOLING SYSTEM

Table of Contents

Related product manuals